Brake lights not working

Tiny
POPEYE101
  • MEMBER
  • 2005 CHEVROLET TAHOE
  • 5.3L
  • V8
  • 2WD
  • AUTOMATIC
  • 141,000 MILES
Put new brake light switch in, still no brake lights. Lights do work as Hazzard flashers work, turn signals work, trailer brake lights work. None of three break lights work. Checked every fuse under hood and by driver's door, all good. I'm at a loss, of course cc does not work either. Thats what alerted me to no brake lights.
Wednesday, October 6th, 2021 AT 8:14 PM

3 Replies

Tiny
JACOBANDNICKOLAS
  • MECHANIC
  • 110,192 POSTS
Hi,

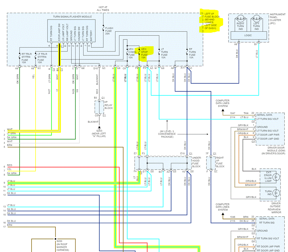
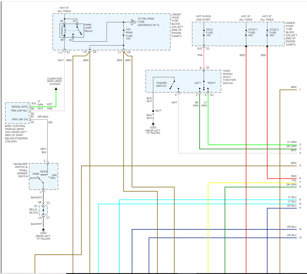
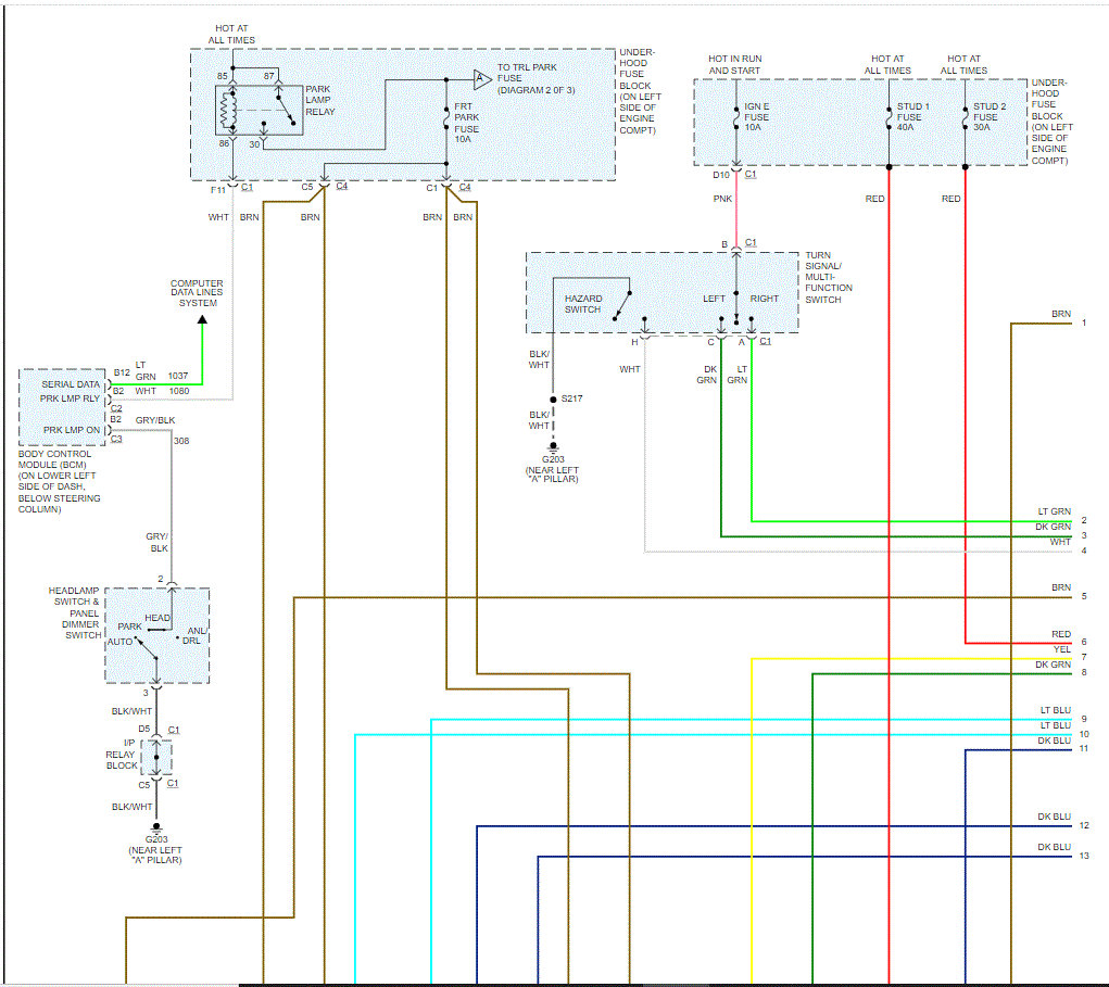
We certainly need those fixed. First, I attached the wiring schematics below of the entire exterior lighting system. I had to cut each pic in half to make it readable for you, but I did overlap them so you can follow from one to the next. Additionally, I highlighted the wiring related to the brake lights.

I need to start at the fuses. Keep in mind, a fuse can be good, but if there is no power to it, it won't work. So, that's the first thing I need you to check. Here is a link that you may find helpful when checking:

https://www.2carpros.com/articles/how-to-check-a-car-fuse1

If you look at pics 3 and 5 below, I highlighted the fuse and its location. Pics 7 and 8 are the fuse boxes. Seven is under the hood and eight is in the vehicle. Check the fuses I highlighted.

Next, if the fuses are good, we need to confirm there is power to and from the brake light switch. At the switch, there will be an orange wire (power supply) and a white wire (signal wire to lights). First, check to make sure there is power at the orange wire. If there is, actuate the brake light switch and check for power at the white wire.

Let me know what you find. Also, make sure the switch is properly adjusted/mounted. Also, here is a link you may find helpful when testing wiring:

https://www.2carpros.com/articles/how-to-check-wiring

Take care,

Joe

See pics below.

Was this
answer
helpful?
Yes
No
+1
Thursday, October 7th, 2021 AT 6:33 PM
Tiny
POPEYE101
  • MEMBER
  • 2 POSTS
Thanks very much for this, especially for the diagrams. It will take me a while to go through all this, I didn't think of power to the fuses possibly not being there. I will let I know what I find.
Was this
answer
helpful?
Yes
No
Friday, October 8th, 2021 AT 7:12 PM
Tiny
JACOBANDNICKOLAS
  • MECHANIC
  • 110,192 POSTS
Hi,

You are very welcome. I have a feeling you may have lost power either to the fuse or between the switch and the fuse.

Take care and let me know. I'm interested in knowing.

Joe
Was this
answer
helpful?
Yes
No
Friday, October 8th, 2021 AT 8:34 PM

Please login or register to post a reply.