Friday, June 30th, 2023 AT 10:44 AM
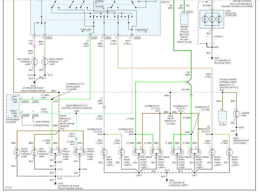
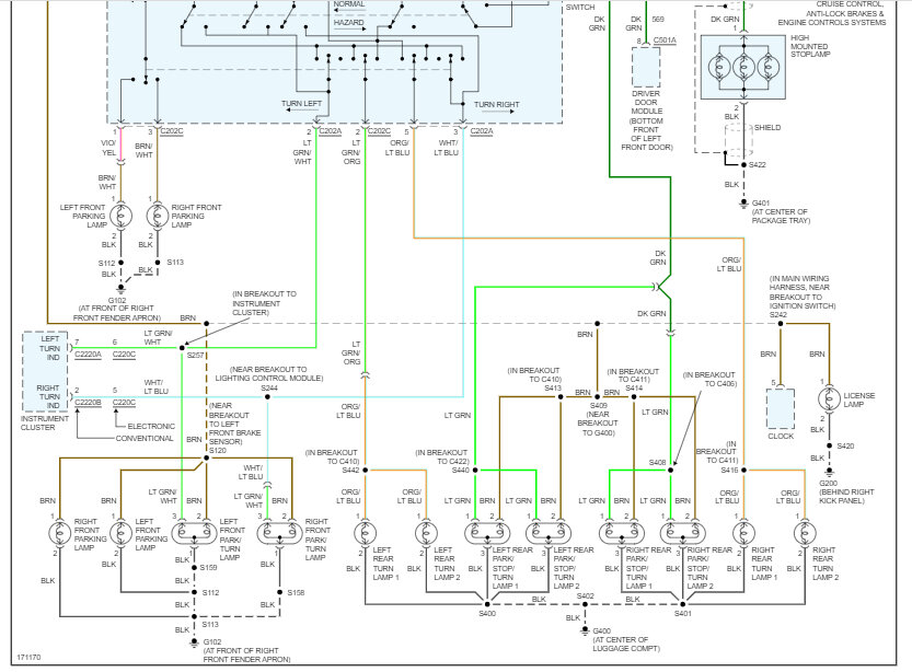
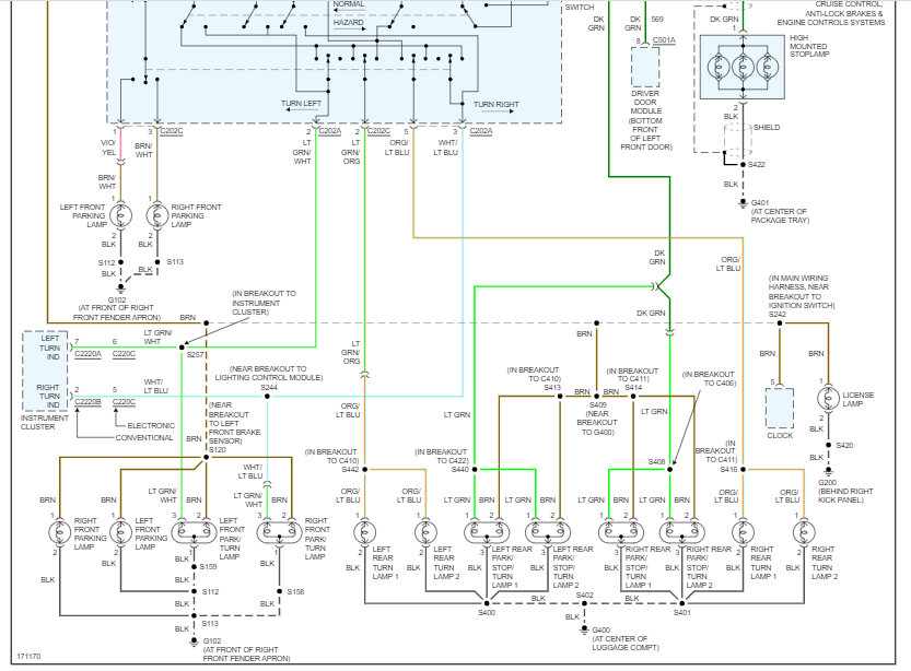
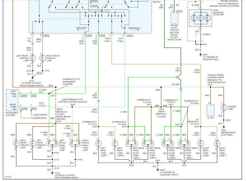
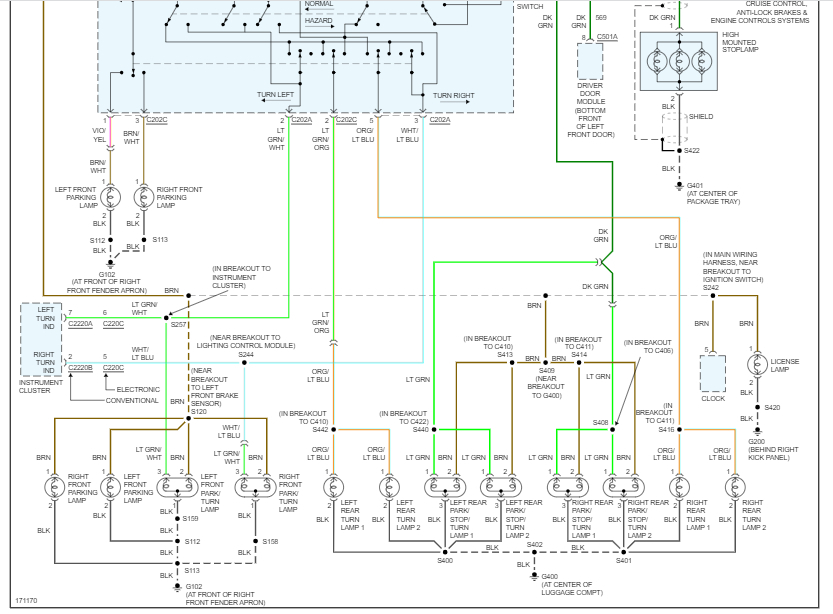
The brake lights stay dimly lit while the car is running. The cruise control is also not working. When the brake is pressed they light up brightly as they should. When headlights are off and car running, taillight brake lights are dimly lit. When headlights are on, high mount light is dimly lit. When headlights are off and car running and you remove taillight bulbs, high mount bulb will then dimly light. I have unplugged the brake switch and the light stays dimly lit and will not illuminate when the pedal is pressed. I can pull fuse 19 which is for brake lights and lights will stay dimly lit and pedal will not illuminate them. I can pull fuse 21, however and the brake lights will go out. I don’t have a wiring diagram to further diagnose but feel confident that I have eliminated the brake switch, headlight switch/dimmer, cruise control deactivation switch and all bulbs and connectors and visible wiring appears intact. Please help! Thank you!



