Brake lights not working, third light works

Tiny
KERRY WHITTLE
  • MEMBER
  • 2010 HYUNDAI SANTA FE
  • 2.4L
  • 4 CYL
  • 2WD
  • AUTOMATIC
  • 200,000 MILES
The two main brake lights are not working at all when the brake pedal is pressed but the third brake light work. Both of the lower brake lights have been replaced with new bulbs.
Tuesday, July 20th, 2021 AT 7:56 PM

8 Replies

Tiny
JACOBANDNICKOLAS
  • MECHANIC
  • 110,192 POSTS
Hi,

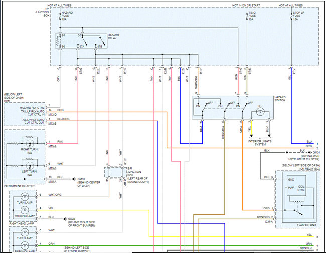
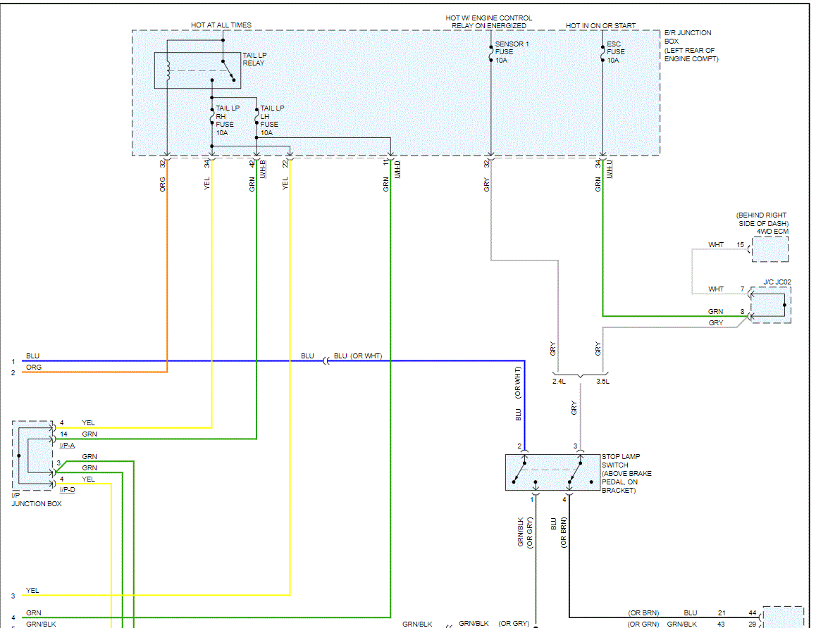
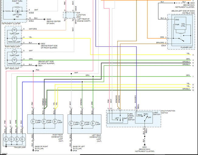
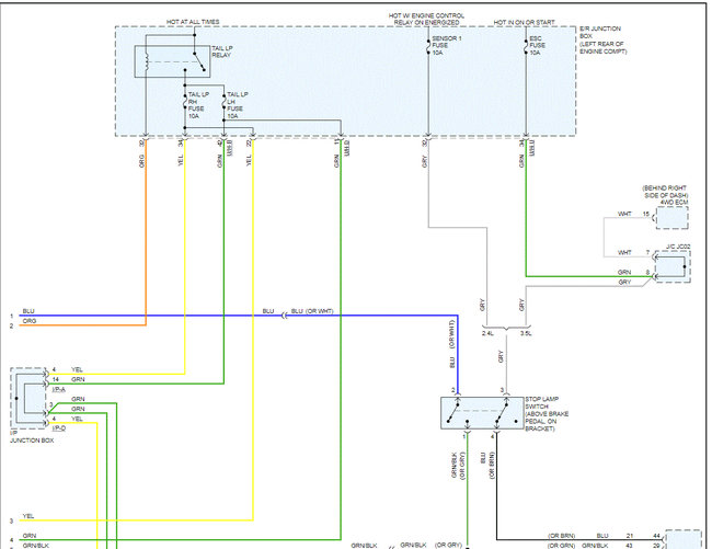
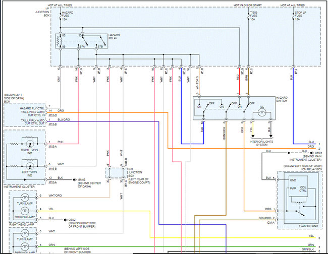
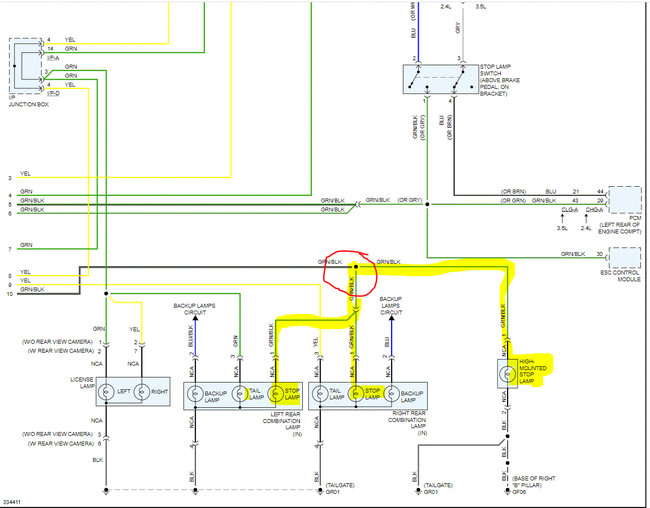
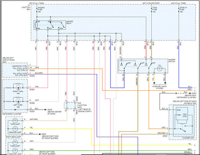
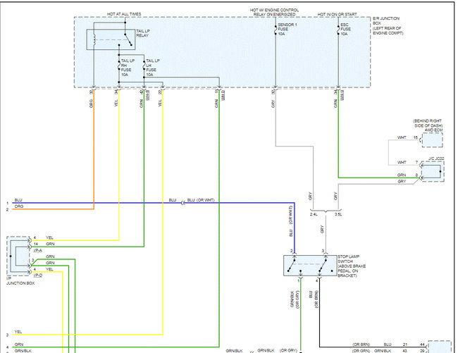
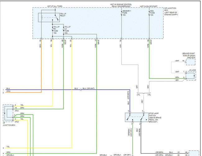
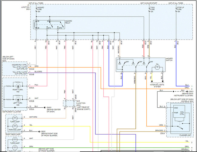
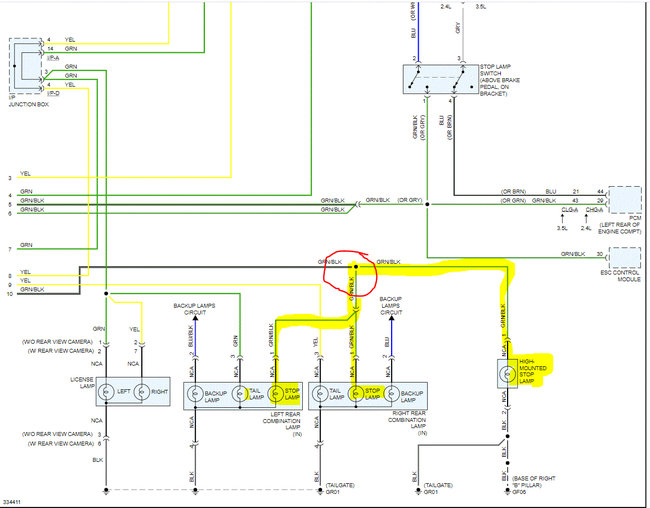
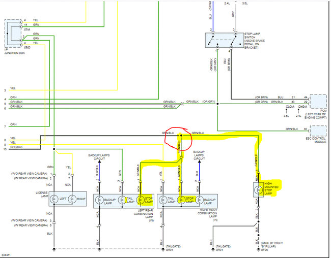
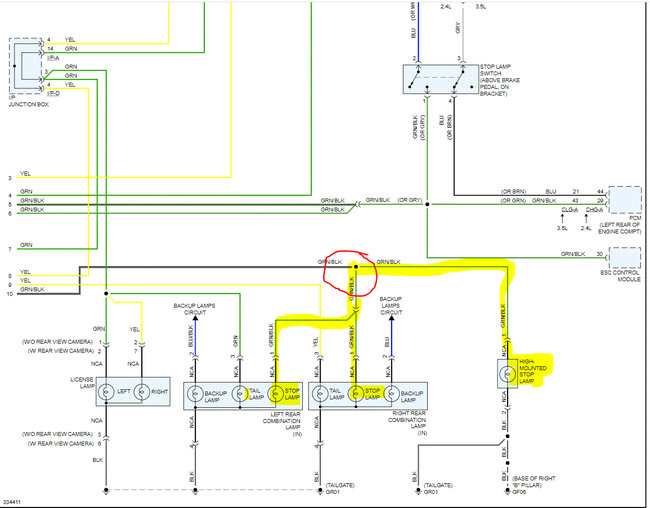
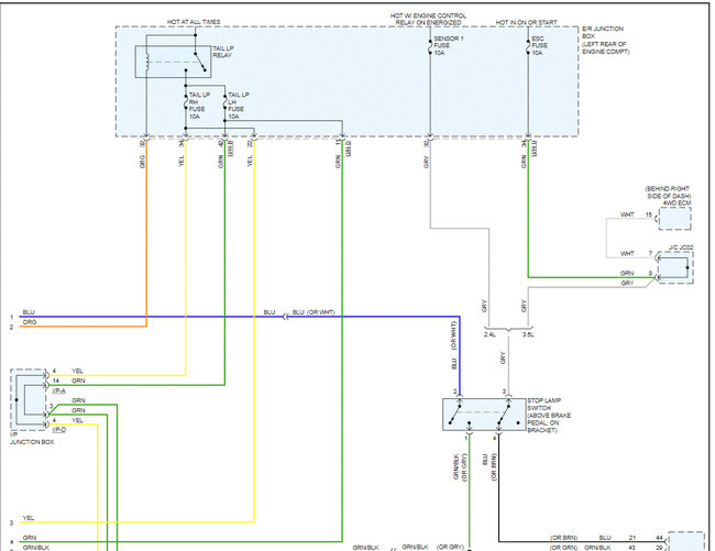
First, I attached the entire exterior lighting schematic below for you to see. I had to cut each of the two pics in half to make them readable, but I did overlap them so you can follow from one to the next.

Now, it can't be a fuse because the third brake light gets power from the same source. It can't be ground if other tail lamps are working because they all share the same ground. So, that leaves either burned-out bulbs or an open circuit in the wiring.

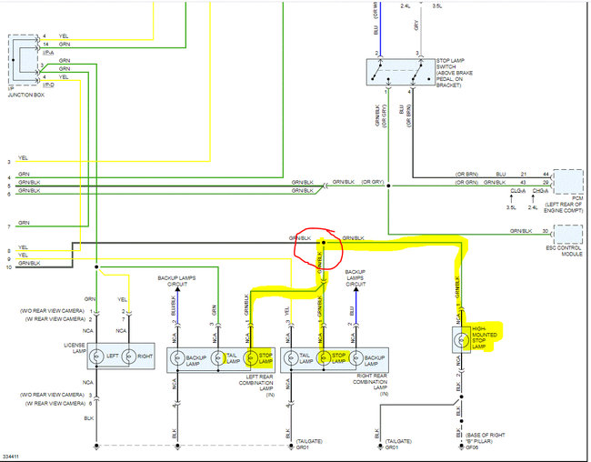
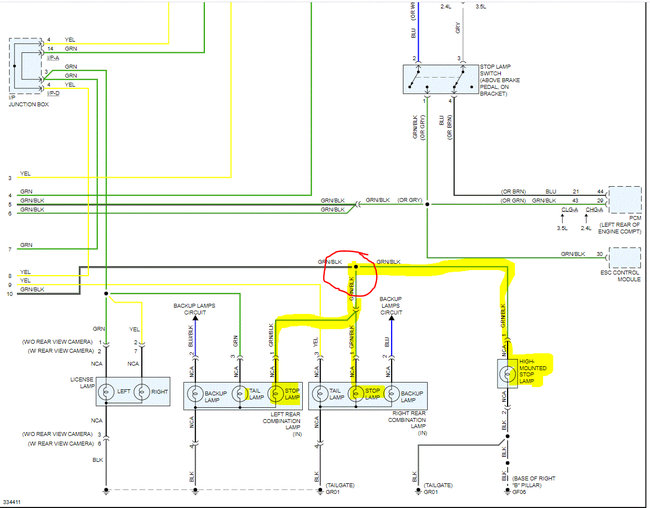
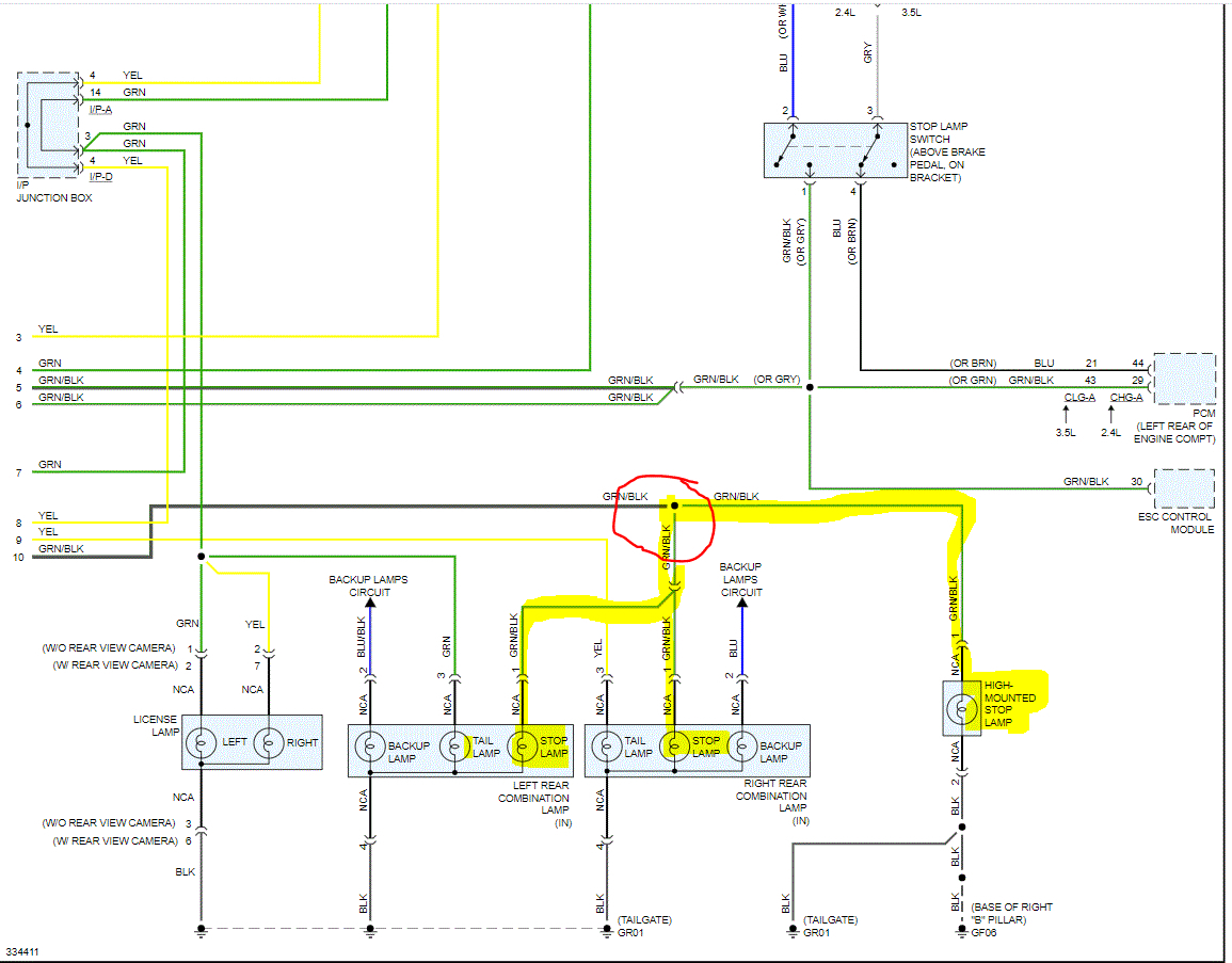
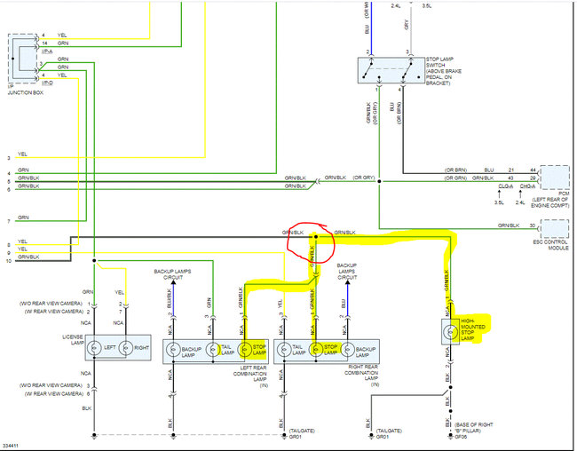
If you look at pic 4 specifically, I highlighted the wires, lights, and a splice. I also circled the splice. If you can, first confirm it isn't the bulbs. If they are good, check for power to the Green/Black wire going to the lights. Here is a link to help:

https://www.2carpros.com/articles/how-to-check-wiring

If there is no power to the sockets, then chances are there is a break at the splice I circled. You will need to follow the green/black wire back until you come to the splice to see if that is broken or corroded.

Try this and let me know what you find. Also, let me know if you have other questions.

Take care,

Joe

See pics below.
Was this
answer
helpful?
Yes
No
+2
Tuesday, July 20th, 2021 AT 9:33 PM
Tiny
KERRY WHITTLE
  • MEMBER
  • 5 POSTS
Thanks for the schematics and a place to look! I'll be able to get in there this afternoon and I'll let you know how it goes!
Was this
answer
helpful?
Yes
No
Wednesday, July 21st, 2021 AT 4:18 AM
Tiny
KERRY WHITTLE
  • MEMBER
  • 5 POSTS
I'm looking at the fourth schematic you sent where you have the junction circled. Yep, that looks like a potential trouble spot as well as the connector shown just below it in the circuit.

Only one thing, I have no idea where in the back this connector or splice would be, i.E. Which panels do I need to pull? Seems to me, the uninitiated, that it might be centered under the headliner or in the lift door near the center light as they call it. Any ideas or actual expertise welcome!
Was this
answer
helpful?
Yes
No
Wednesday, July 21st, 2021 AT 5:02 AM
Tiny
JACOBANDNICKOLAS
  • MECHANIC
  • 110,192 POSTS
Hi,

Normally, there is a number related to the splice. From that, you can identify the location. However, the manufacturer didn't supply that information.

What you will need to do is follow the wiring until you reach the location where they are joined. If I had to guess, I would say it will be in the left rear fender.

Let me know if you are able to find it.

Joe
Was this
answer
helpful?
Yes
No
+1
Wednesday, July 21st, 2021 AT 8:26 PM
Tiny
KERRY WHITTLE
  • MEMBER
  • 5 POSTS
Thanks, that's going to help.
Was this
answer
helpful?
Yes
No
Wednesday, July 21st, 2021 AT 8:27 PM
Tiny
JACOBANDNICKOLAS
  • MECHANIC
  • 110,192 POSTS
Pull the light assembly from the rear of the vehicle and see if you can tell where the wiring is coming from as well.

I know this can be difficult but hang in there.

Take care,

Joe
Was this
answer
helpful?
Yes
No
+1
Wednesday, July 21st, 2021 AT 8:45 PM
Tiny
KERRY WHITTLE
  • MEMBER
  • 5 POSTS
Joe, thanks! You are awesome!
Was this
answer
helpful?
Yes
No
Wednesday, July 21st, 2021 AT 8:49 PM
Tiny
JACOBANDNICKOLAS
  • MECHANIC
  • 110,192 POSTS
Hi,

You are very welcome. If you can, let me know what you find.

Take care,

Joe
Was this
answer
helpful?
Yes
No
Thursday, July 22nd, 2021 AT 6:43 PM

Please login or register to post a reply.