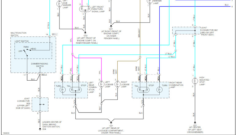
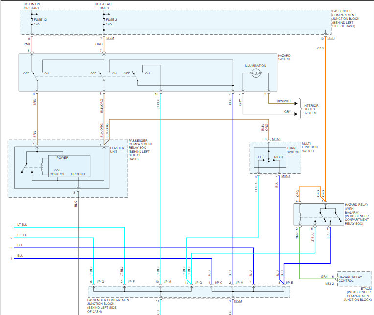
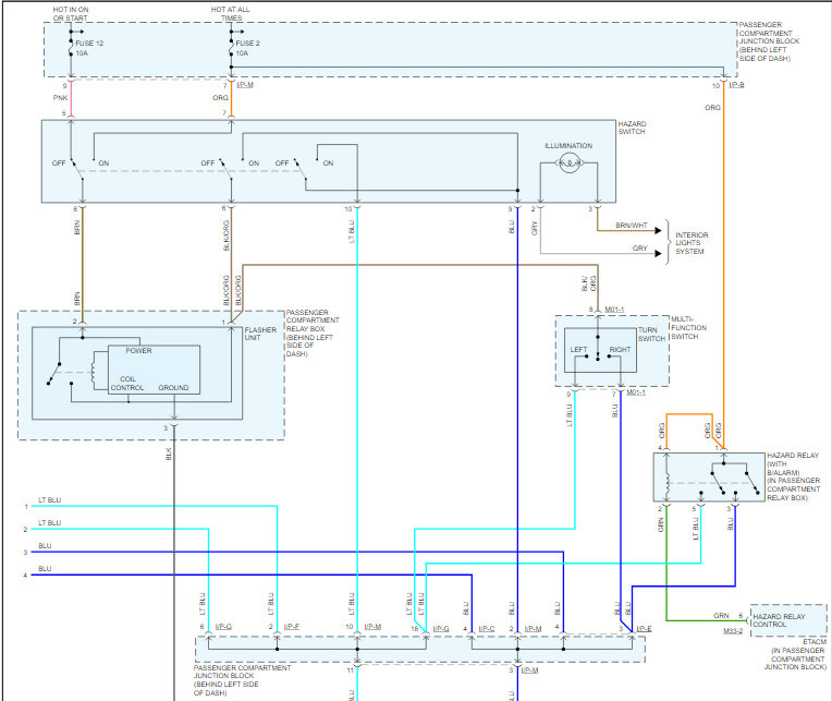
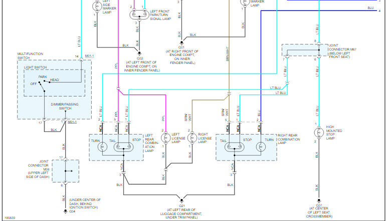
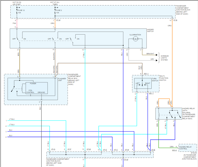
Sunday, December 27th, 2020 AT 4:30 PM
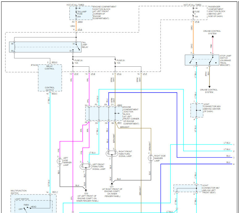
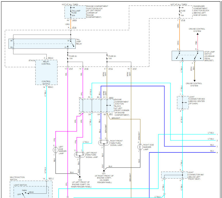
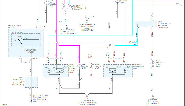
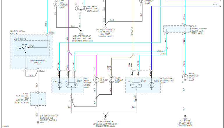
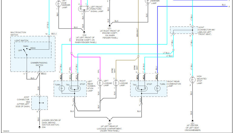
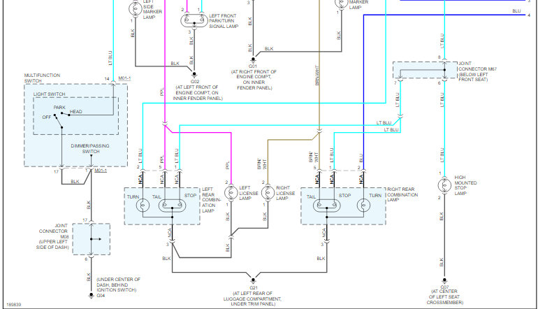
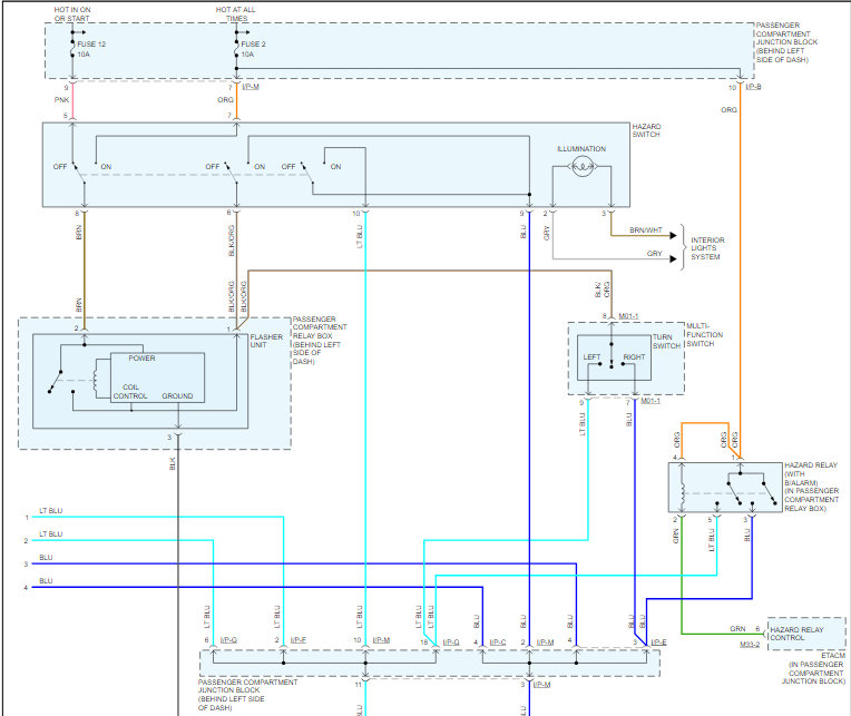
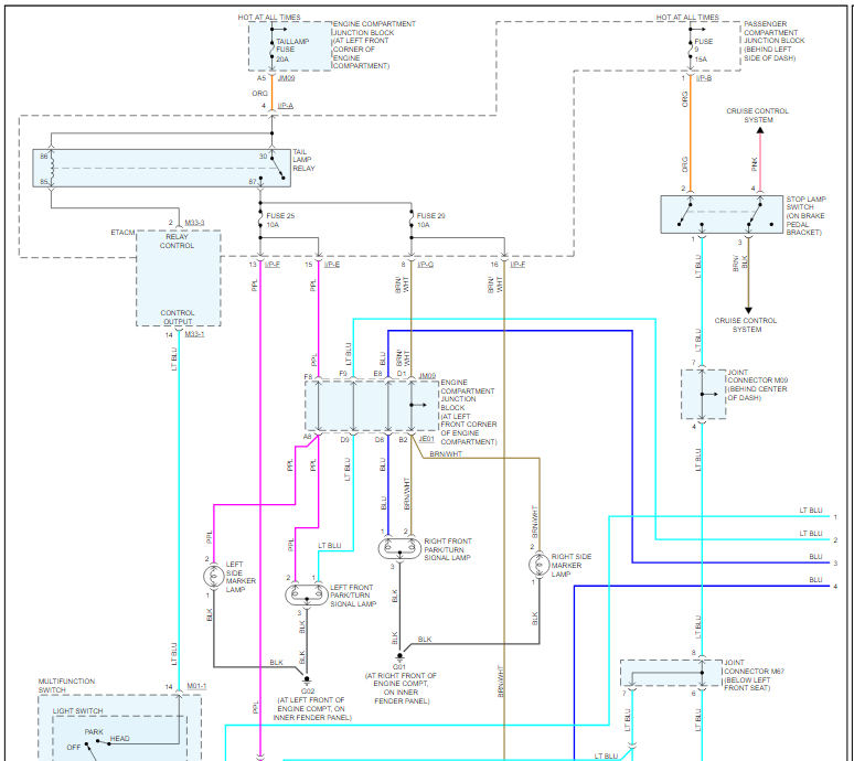
Brake lights were not working. We replaced brake light switch because all bulbs lit up when lights are on. The high mount brake light now works but the brakes lights themself still do not light up?





