Tuesday, July 11th, 2023 AT 6:52 AM
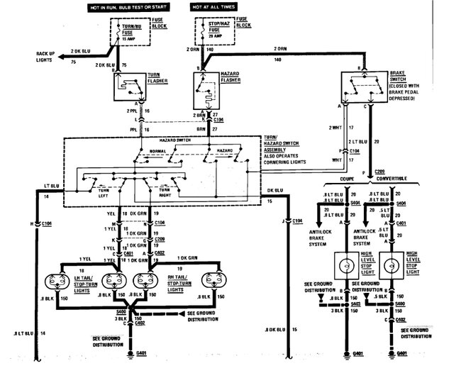
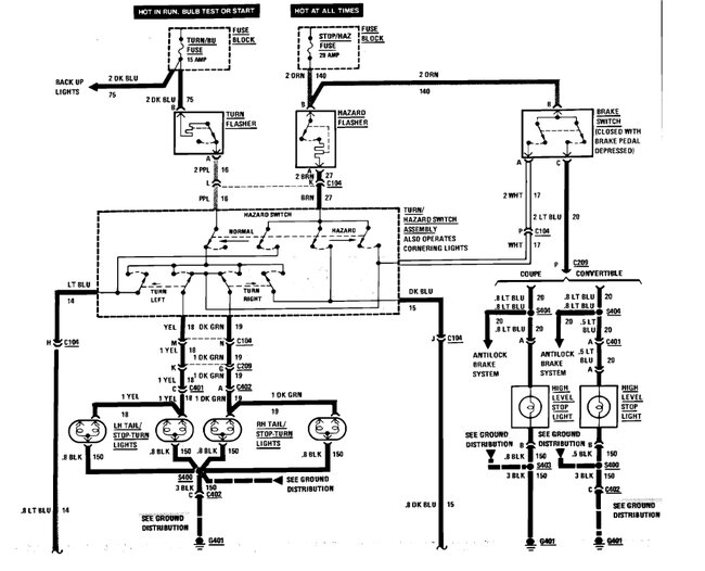
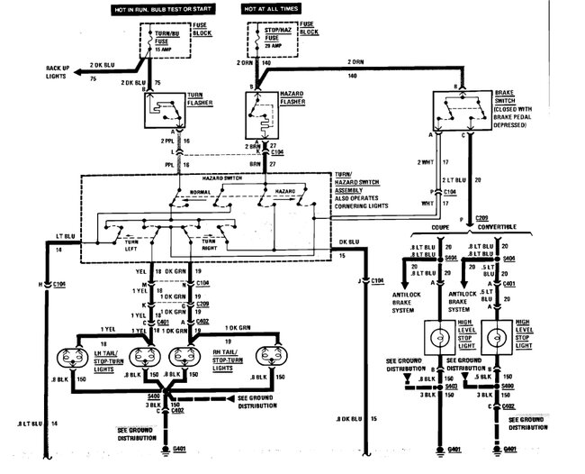
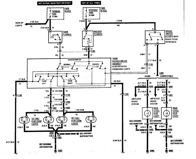
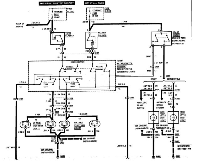
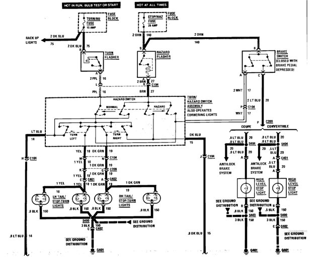
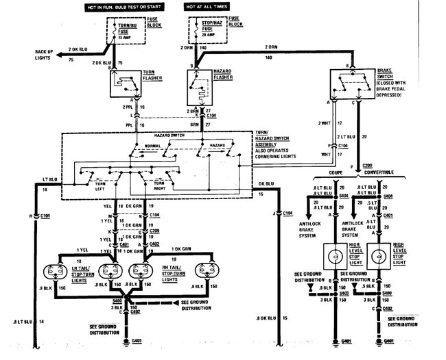
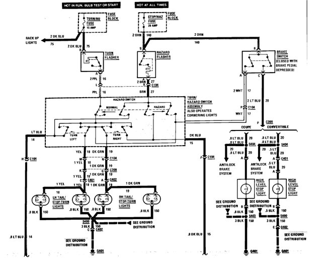
I have the car listed above that’s having brake light problems. The turn signals work and so do the hazards. But cruise control doesn’t work. I tried changing the brake lights and the brake light switch along with all the fuses and still nothing. I’m not quite sure what could be causing the issue.


