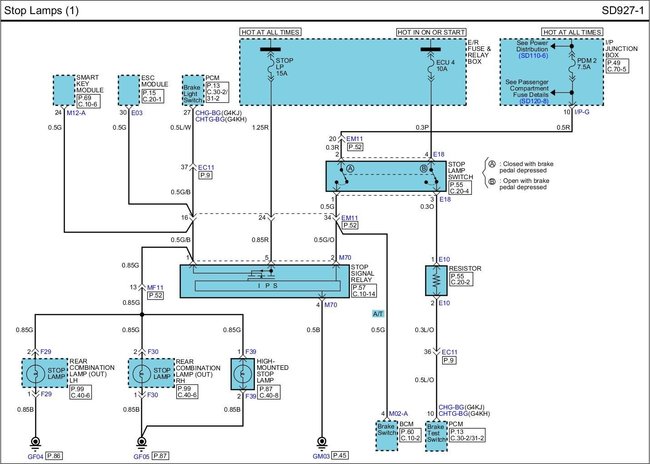
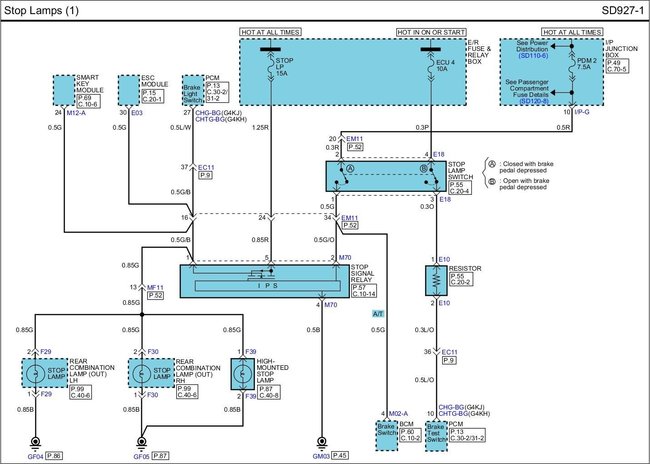
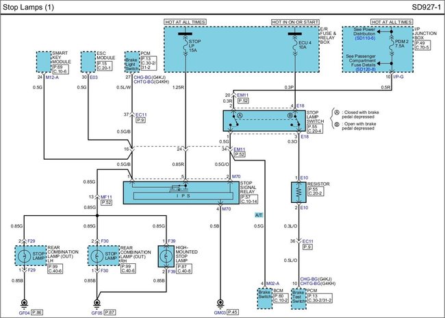
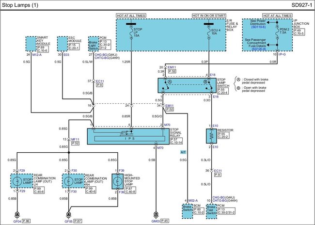
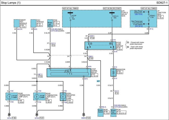
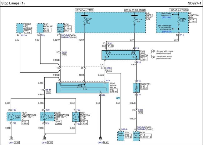
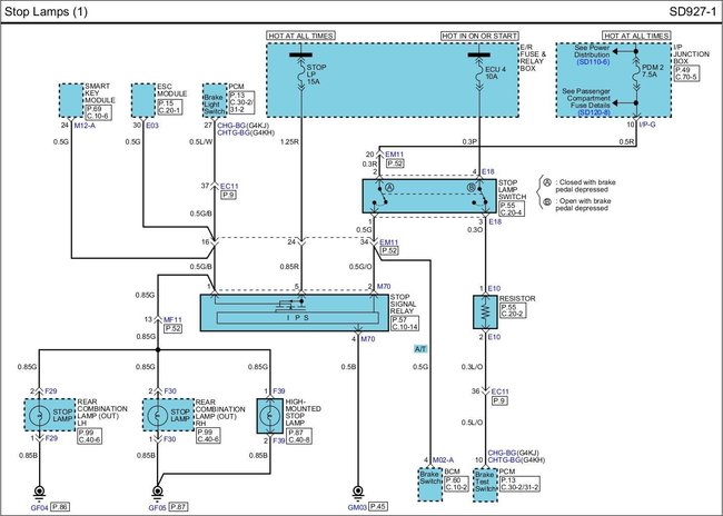
Friday, November 17th, 2017 AT 4:35 AM
I replaced the brake light switch due to the car dealership telling me it had to be replaced. The brake lights still do not turn on when pressing the pedal. Also, my ESC light stays on and cruise control does not work. The fuses seem good as well. What is the next thing to check?


