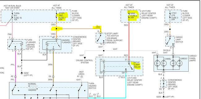
No brake lights. Also hazard lights do not work. Relevant fuse was blown. Replaced fuse and problem still present in both brakes lights and hazard lights. Fuse did not blow again.
Checked bulbs by swapping positions between brake light bulbs and turn signal bulbs - they tested good. Tested for power at wiring connection at tail light assembly. Running lights (from headlight switch) and turn signal lights have power but brakes no power.
Turn signals work, except when flashers are turned on turn signal stops flashing (does not light). Taillights work. Replaced brake switch - old switch probably good as I could hear the relay click when key was turned on - determined that it is probably the relay for getting transmission out of park. When key is off I do not hear a relay click. Replaced brake relay at fuse box.
Still no brake lights.
Checked bulbs, replaced blown "stop/haz" 30 amp fuse, replaced brake switch, and replaced brake relay inside fuse panel.
Ideas? Thanks, Jerry
Saturday, September 19th, 2020 AT 5:53 PM



