Brake lights do not turn off

Tiny
ZEID KABARITI
  • MEMBER
  • 2005 DODGE RAM
  • 5.7L
  • V8
  • 4WD
  • AUTOMATIC
  • 160,000 MILES
My brake lights are constantly on, I've went through three brake light switches already, after figuring out it's something else had a mechanic take a look and said that there was a short in my dashboard cluster causing the issue, which he replaced but I don't think that is the issue, as I never had any issues with it or have it act up. He also said that that my PCM is fried so he rewired them to take a different path and said that the PCM can't be replaced with one of my parts truck because that had an immobilizer on it which he wanted to replace with a new one. However, I'm skeptical about his diagnosis as I'm not convinced that the wiring would go through the cluster to turn the brake lights on, can someone please provide a wiring diagram (the simpler the better) for the brake lights and what I should replace or test in order? Also, my third brake light works as it should it's just the rear taillights that stay on at all times even when the truck is off, whenever a new brake light switch is installed it works fine for a few hours then the problem starts again.
Wednesday, February 9th, 2022 AT 6:40 PM

2 Replies

Tiny
STEVE W.
  • MECHANIC
  • 15,697 POSTS
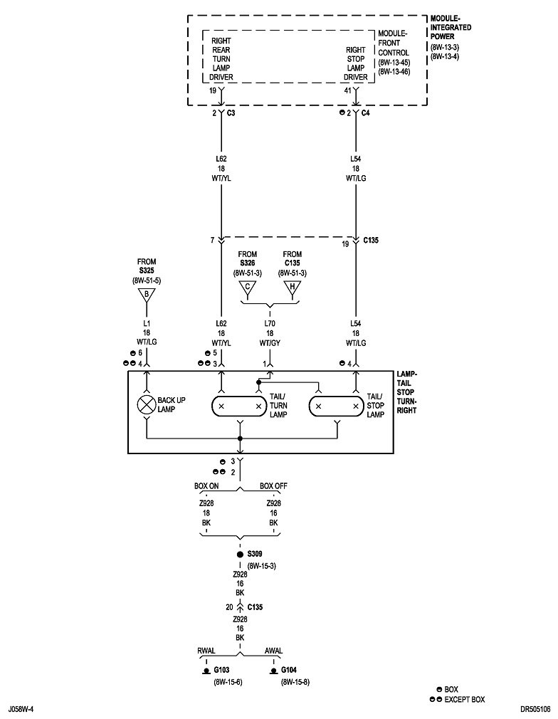
From the description I would say the issue is a bad TIPM, that is the smart fuse box your truck has in it. Either it has failed or the signal feed into it from the brake light switch is stuck on. As for the cluster and lights, yes, the turn signals do run through the cluster and there is a signal feed for the brake lights as well, that is related to the cruise control system.
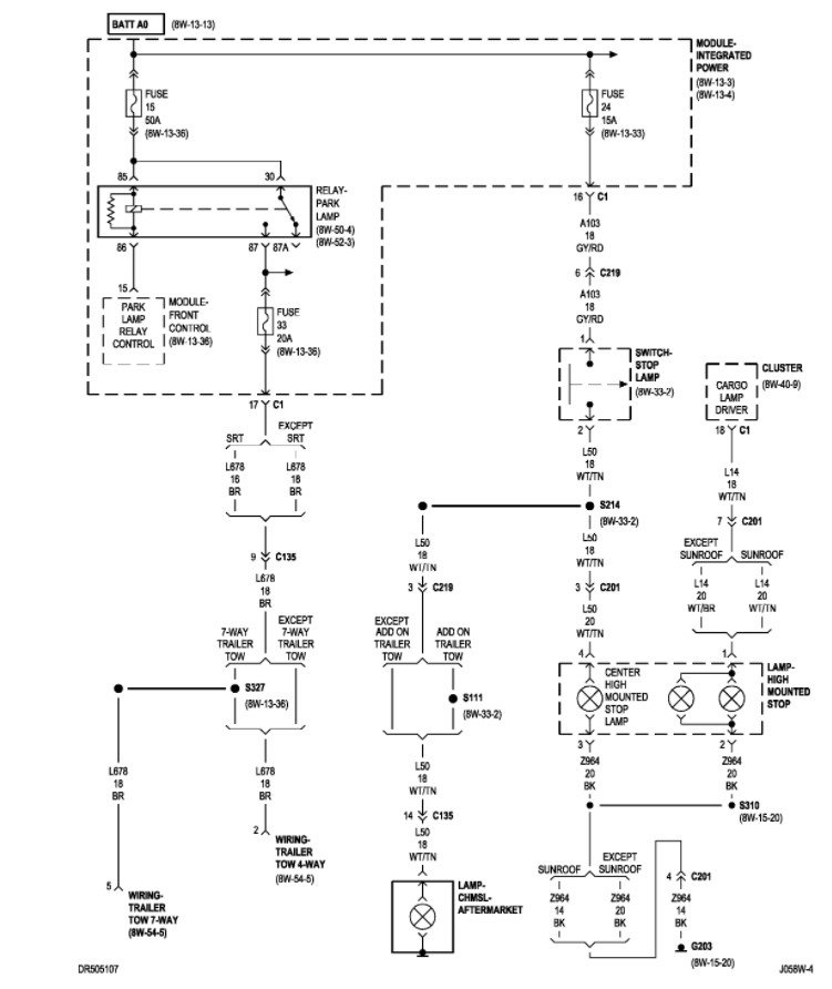
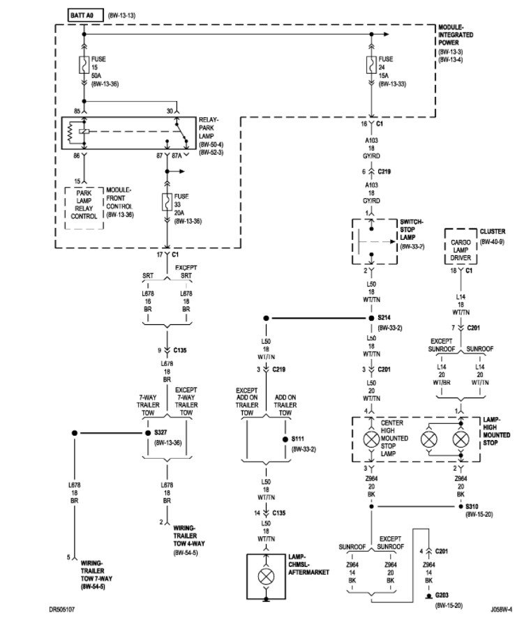
The way your lights work - The brake light switch simply turns the high mounted light on and off. The TIPM monitors that power line internally and when it detects that there is current flowing to turn the CHMSL on, it activates the two stop lamp driver transistors in the Forward Control Module to turn on the brake lights. It also sends a signal to the PCM through the dash to tell it to turn off the cruise if it's on. It also sends a signal to the brake controller if it has the tow package. Now because there are two driver transistors for the brake lights, I'm inclined to think it is internal to the FCM or the wire going to the brake switch has a shorted spot on it. To test the system there are two things to try first. Go to the brake light switch and unplug it, what do the lights do? Next go to the fuse box and remove fuse 24, this is the power feed to the brake switch. Do the brake lights go off? Plug the fuse back in, are the lights working with the switch or are they stuck on?
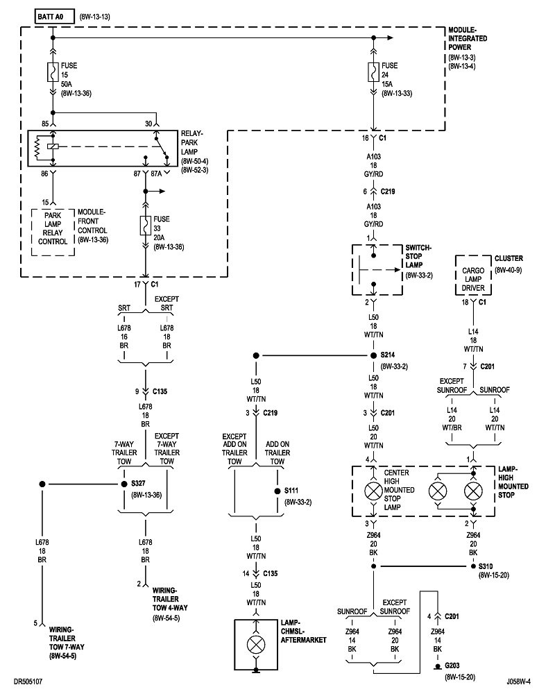
If the lights, go out when you unplug the switch you will need to do another test using a simple test light. It gets connected to the ground and then touched to pin one inside the brake switch connector. That pin goes to the gray wire with red stripe and is the sensed power feed from the TIPM. The test light eliminates the rest of the circuit but will apply a slight load that should trick the system to turn the brake lights on and off. It may take a larger bulb though as some used LED and others a conventional bulb. There is a way to bypass the TIPM and FCM and use a pair of relays to control the lights directly from the switch, but it also can mess up the use of the cruise control. Attached are the OE diagrams of the switch and each rear light. It omits some of the extra items but shows the main pieces in the puzzle.
Was this
answer
helpful?
Yes
No
Thursday, February 10th, 2022 AT 7:35 AM
Tiny
CARADIODOC
  • MECHANIC
  • 34,489 POSTS
Hi Steve. I put a reply together at home last night that includes a comment about the taillights. Rather than try to pick out pieces and hope they make sense, please allow me to post the entire reply for your consideration, then I'll let you continue the conversation.

There's two things to start with that will prove the brake light switch is not related to the problem. The first is your dandy observation the center high-mount light is switching off properly. If the brake light switch was stuck on or misadjusted, the center light would be on any time the two rear brake lights were staying on. Second, to verify this, simply unplug the brake light switch. The two rear lights won't change. They'll still be on when they shouldn't be.

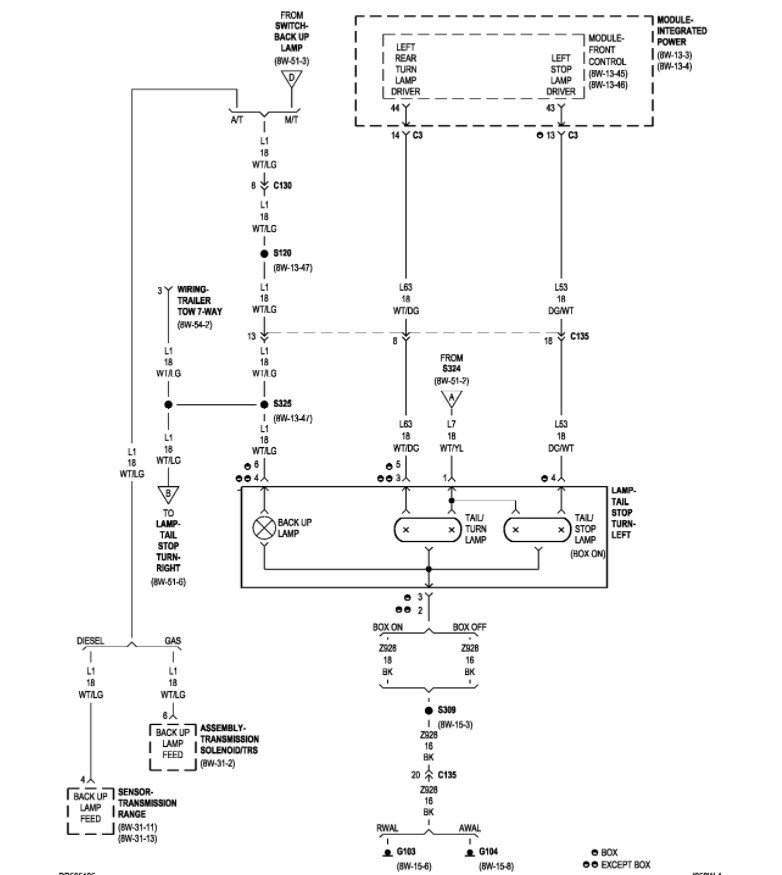
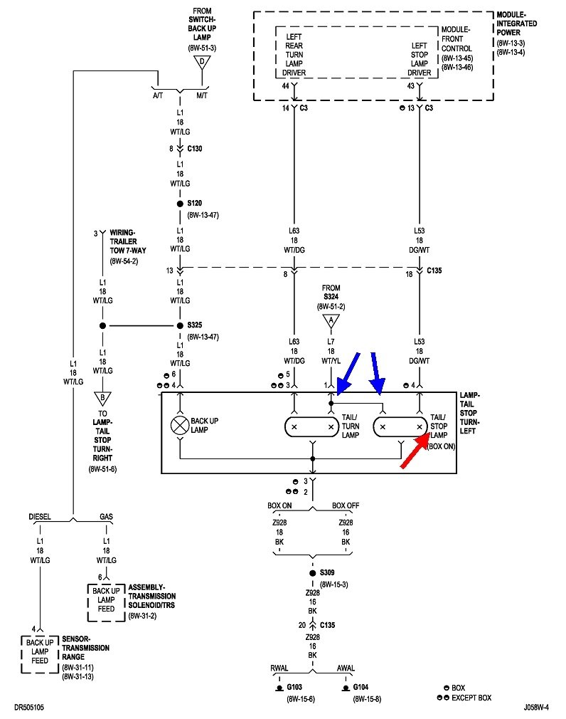
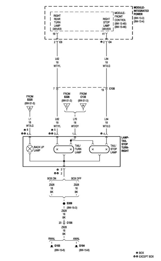
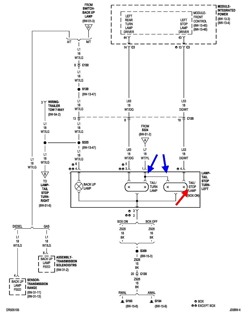
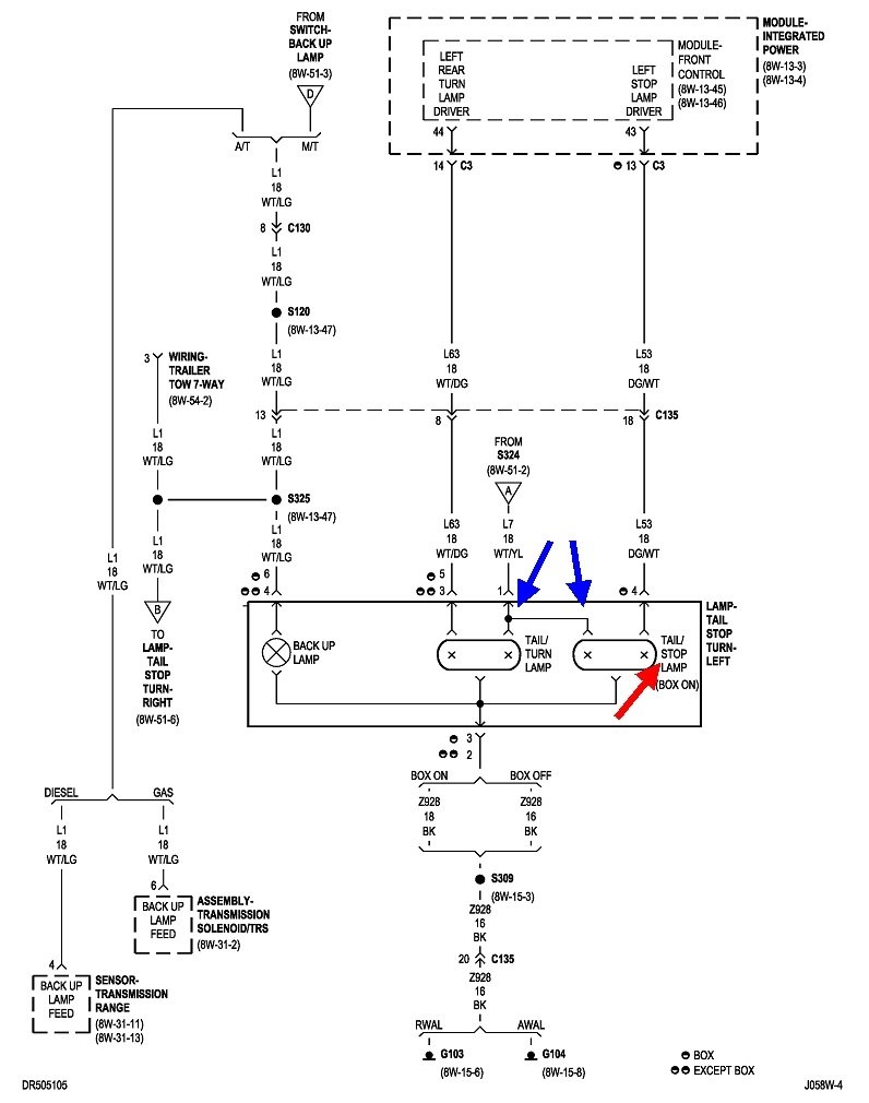
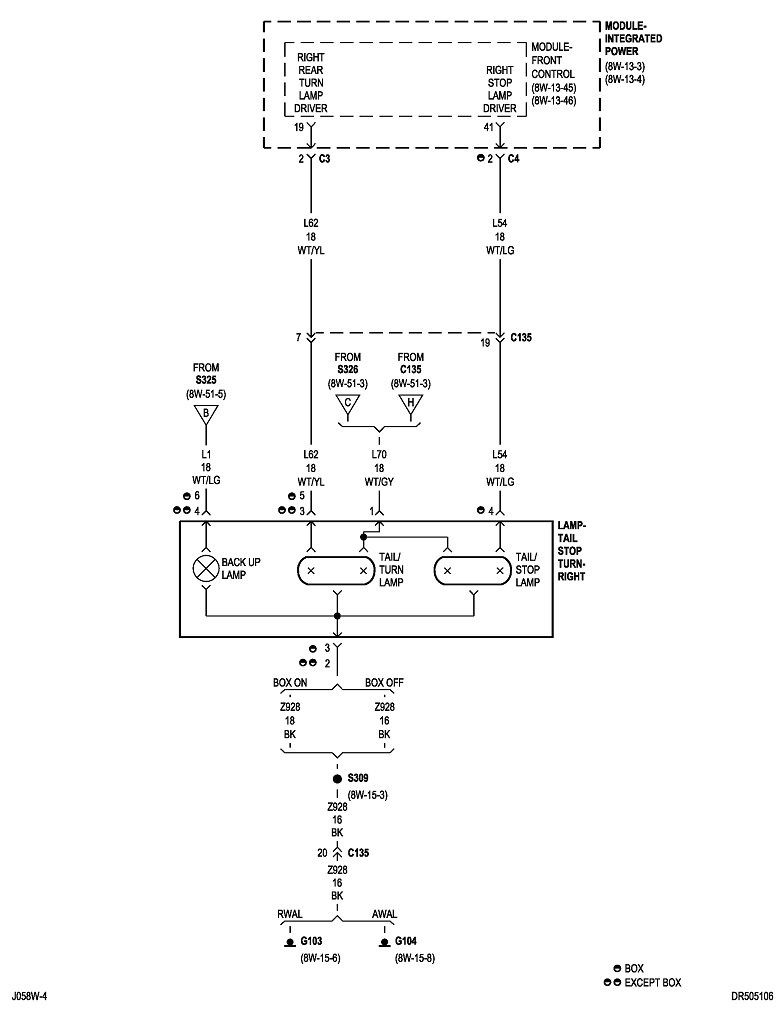
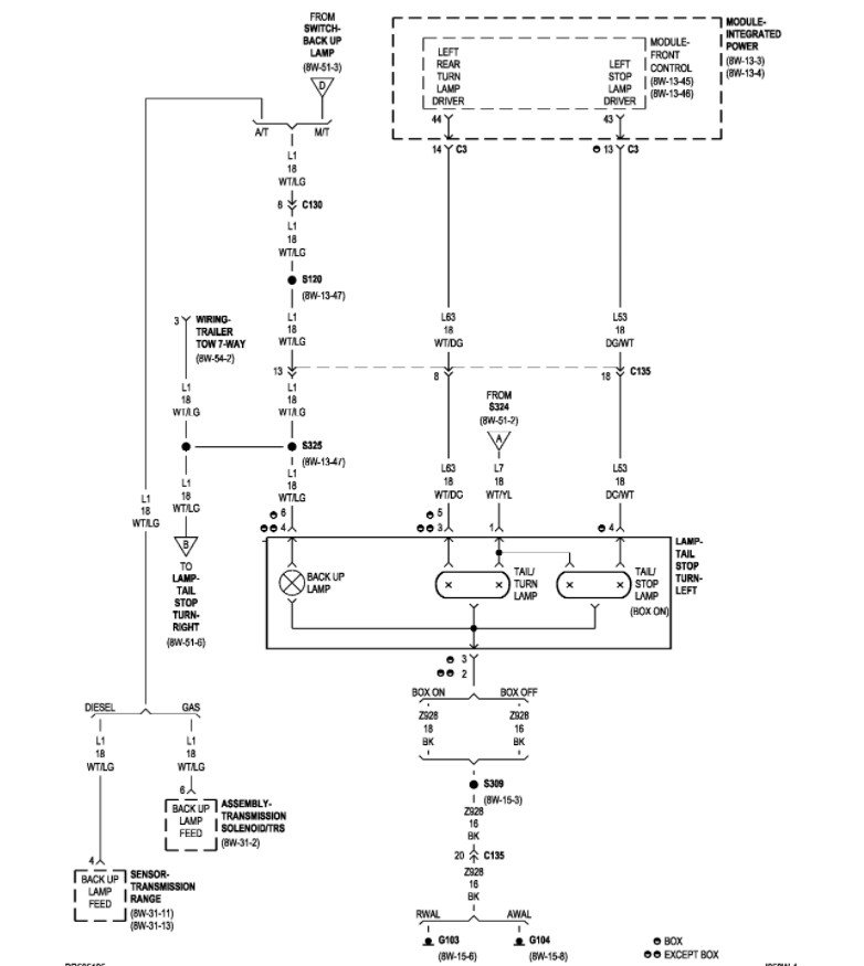
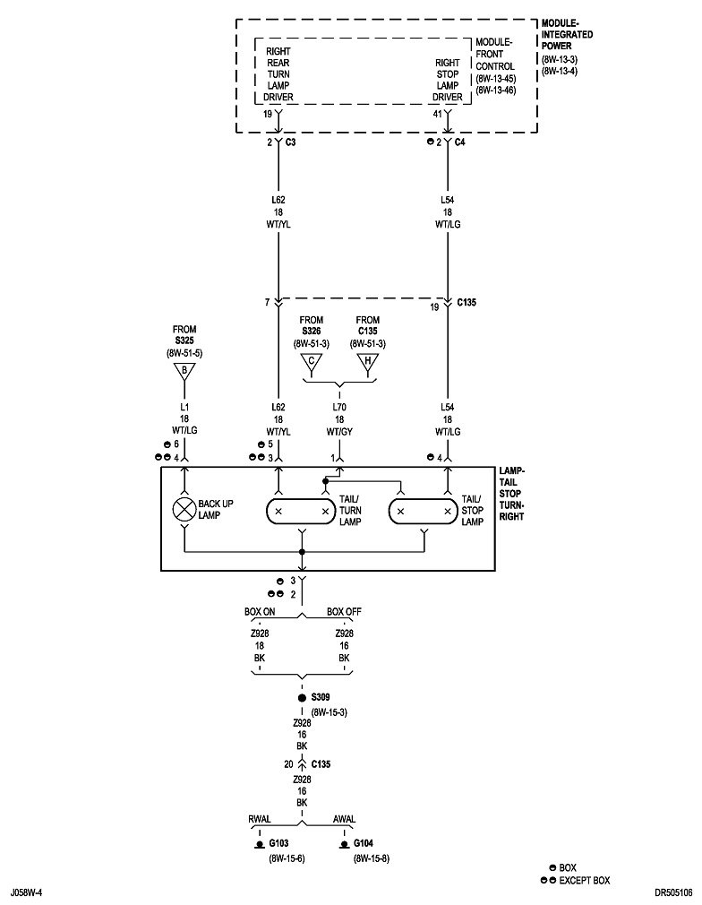
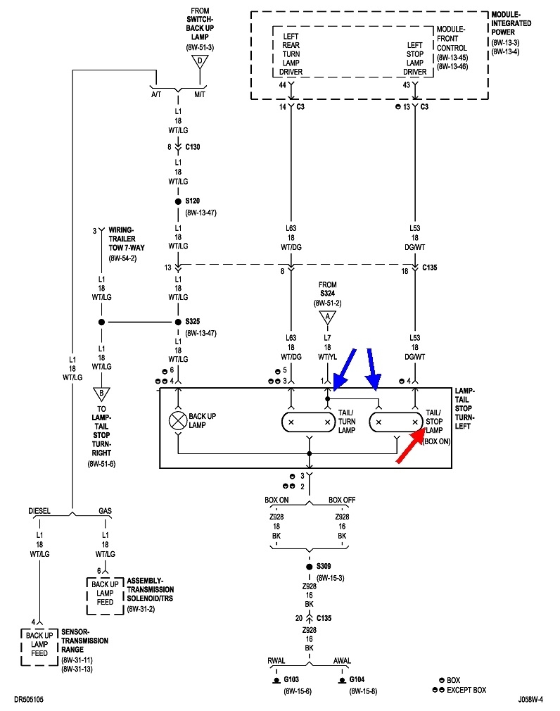
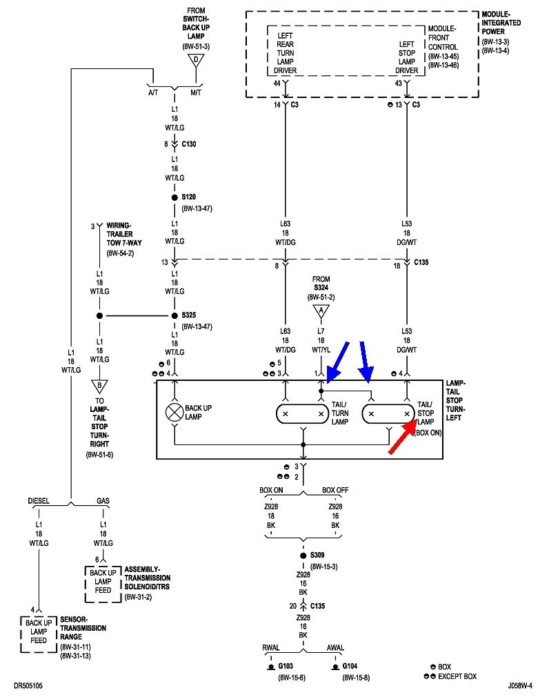
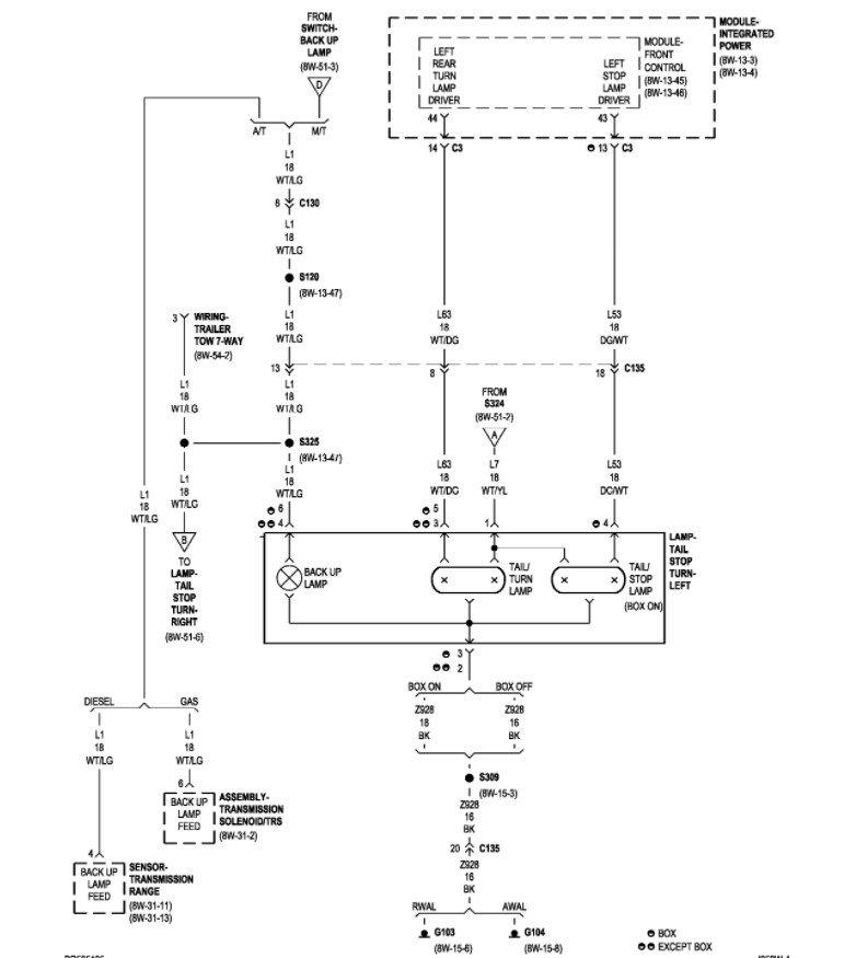
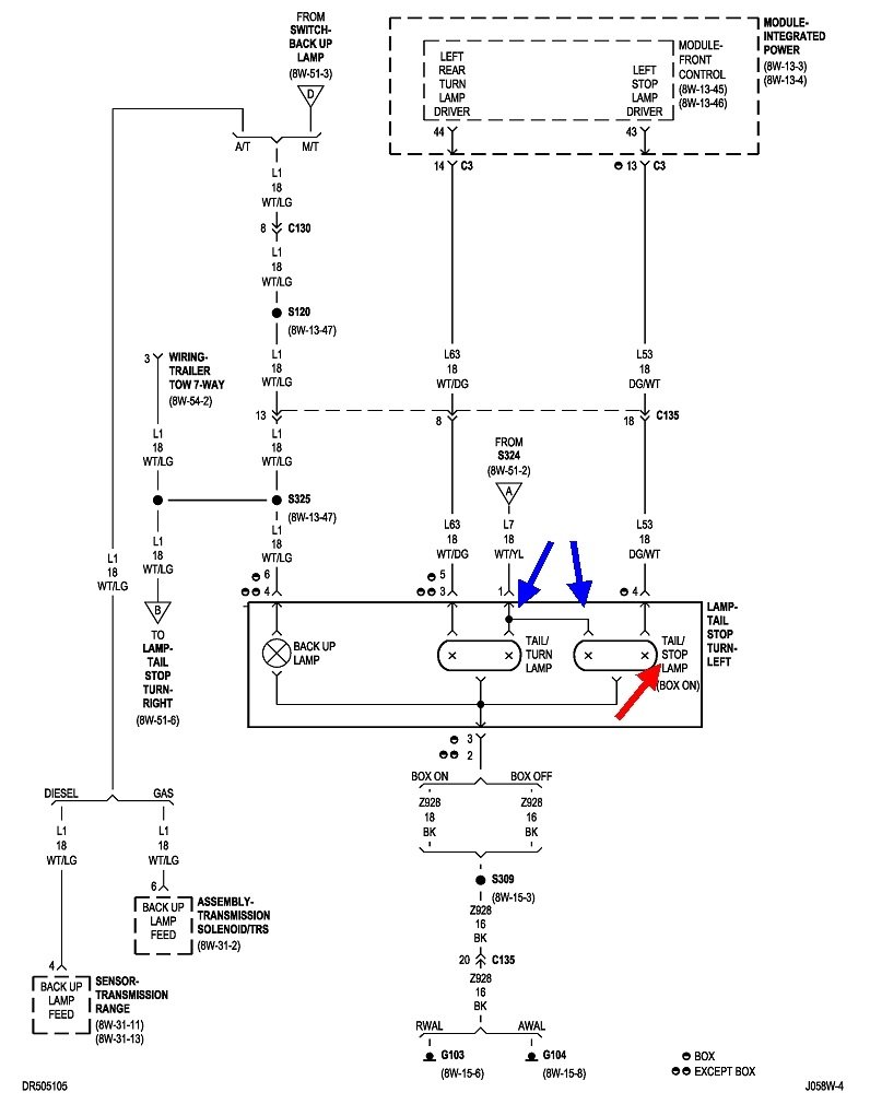
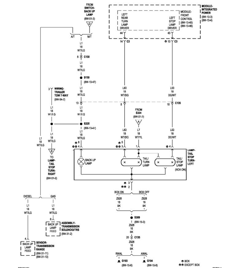
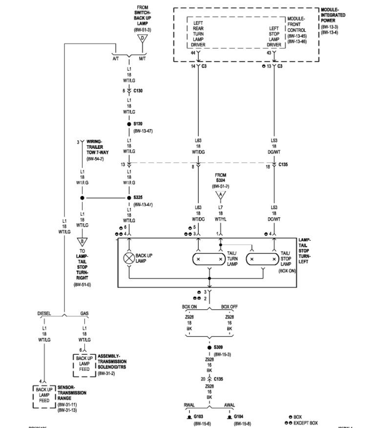
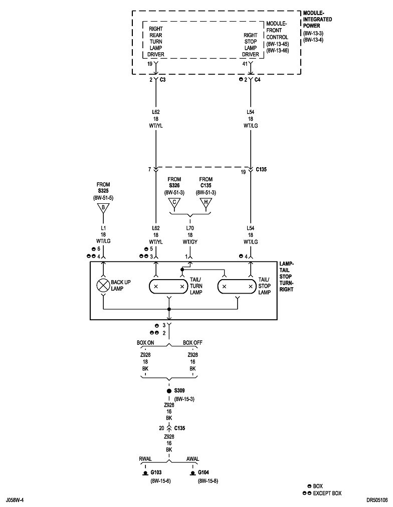
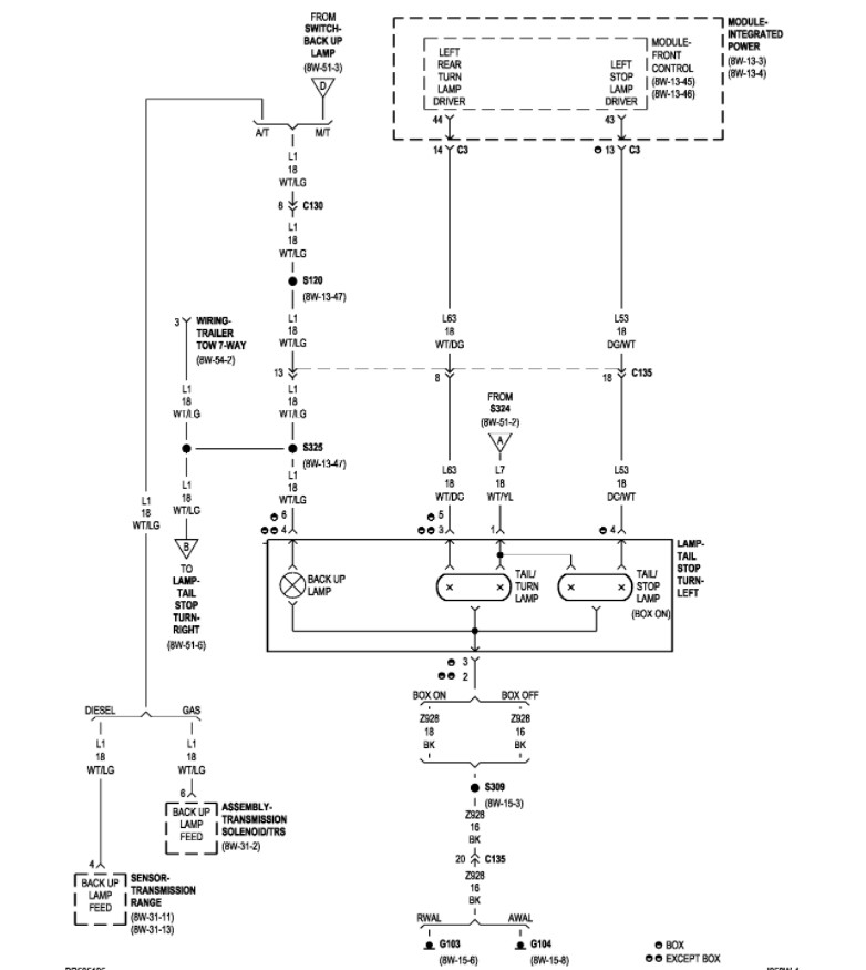
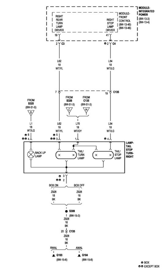
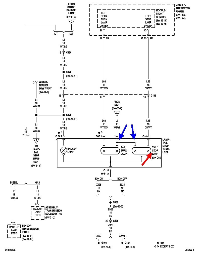
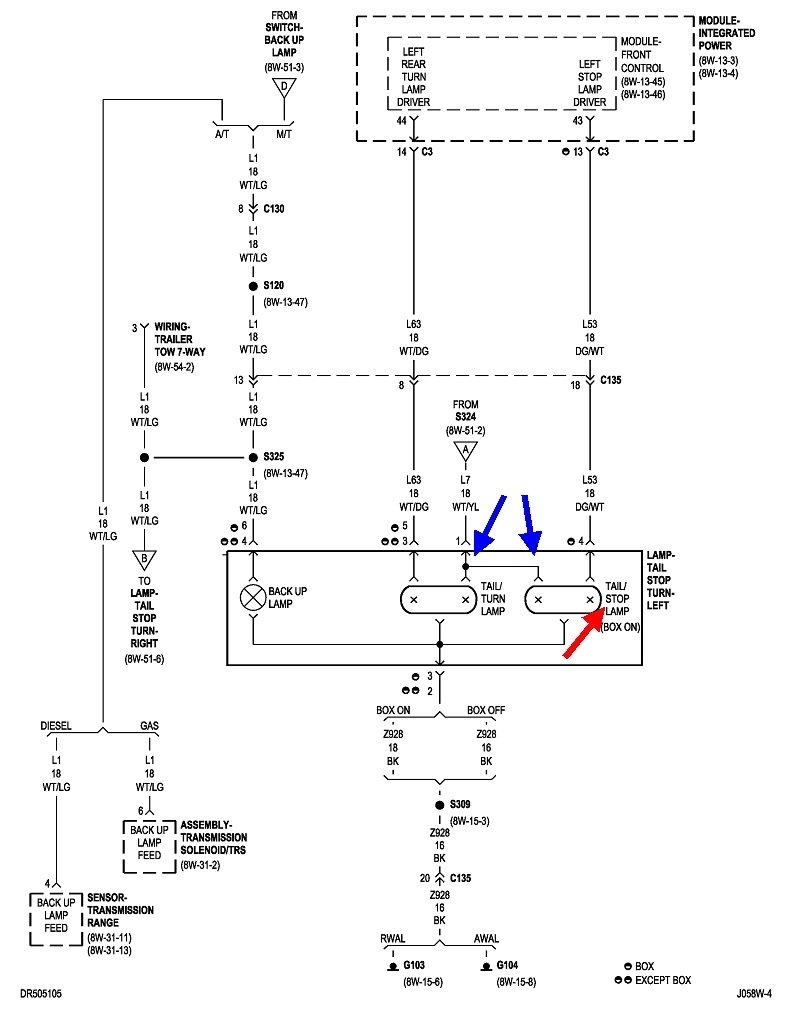
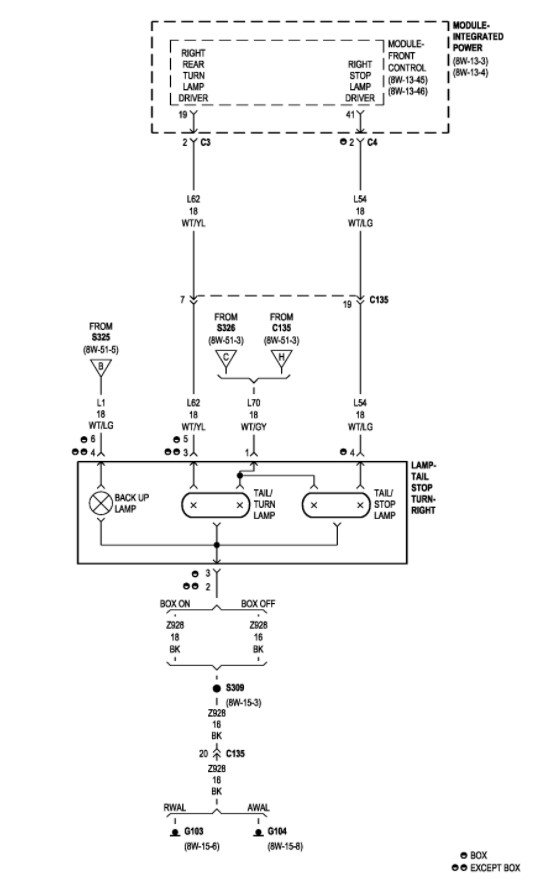
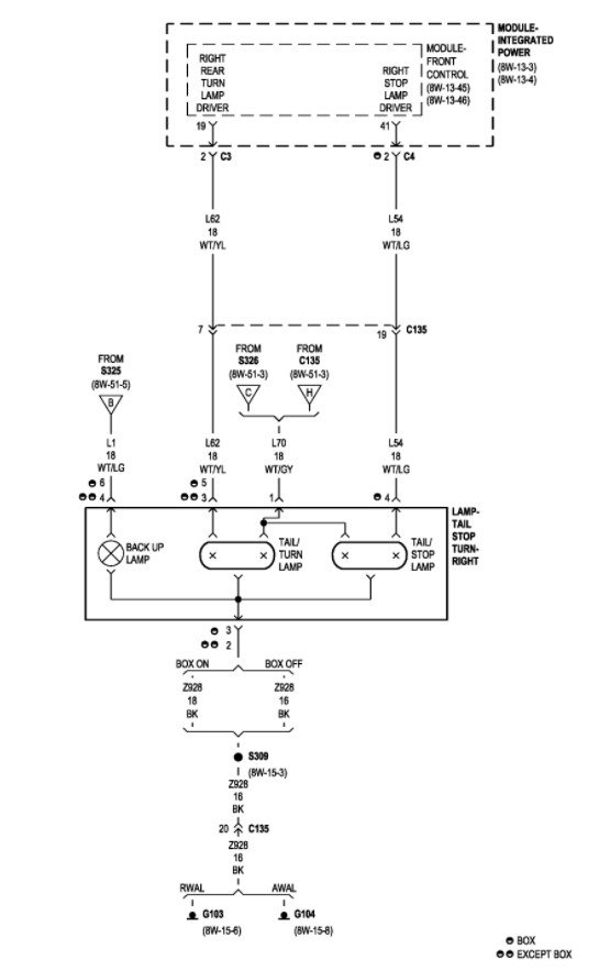
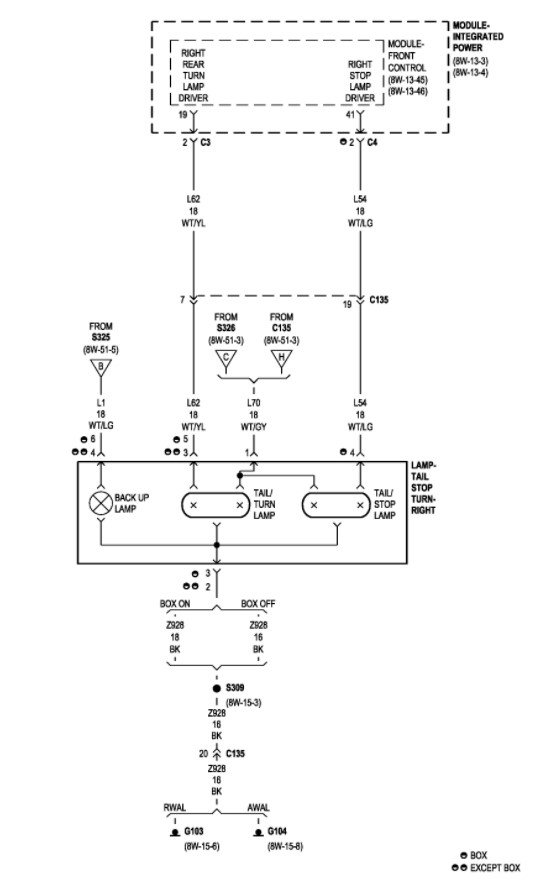
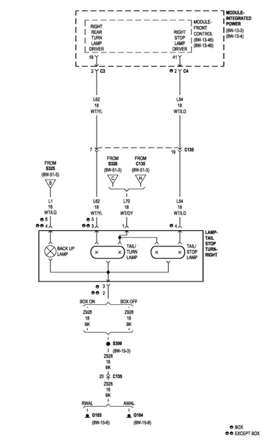
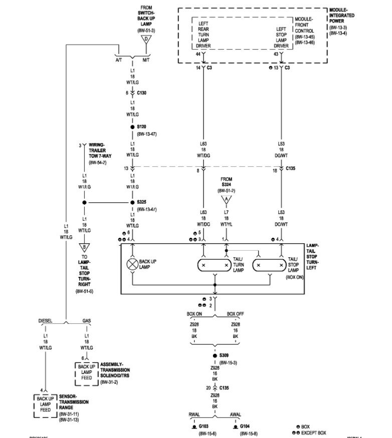
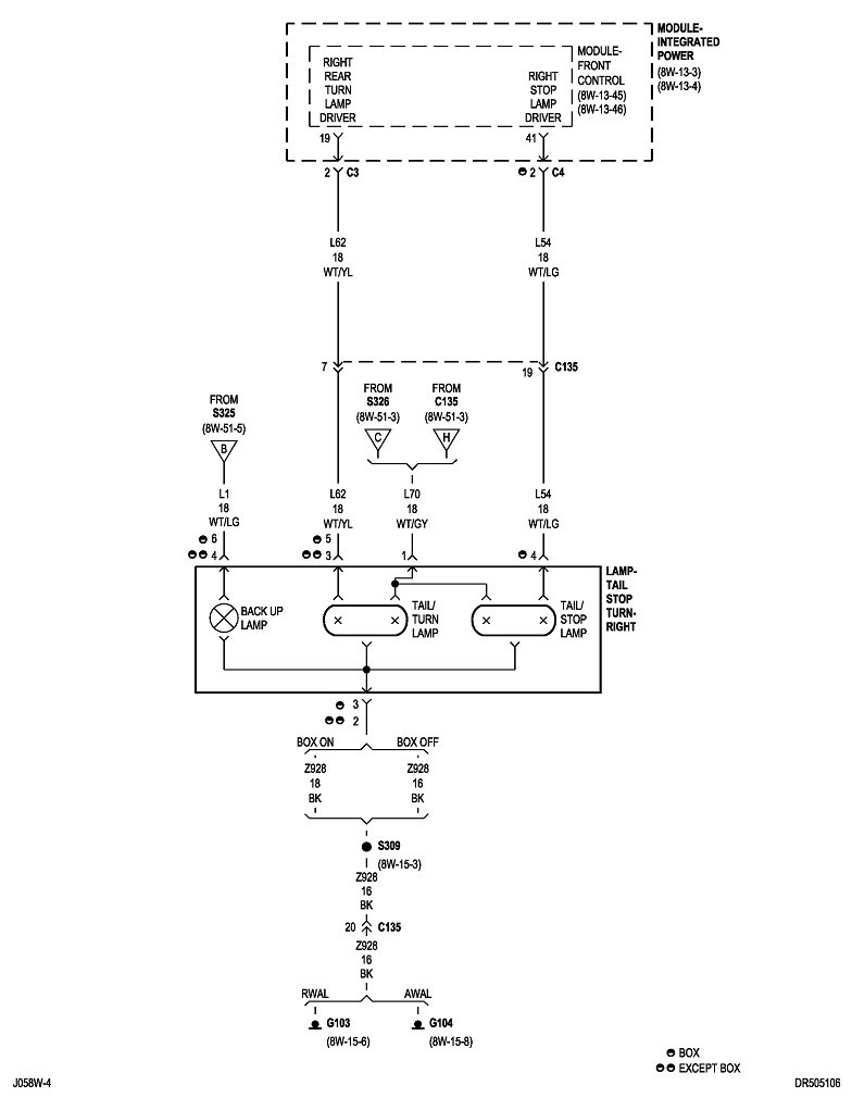
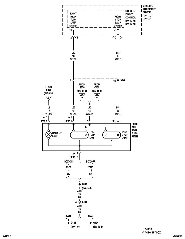
The next thing is to be sure it's brake lights you're seeing. The first diagram is for the left rear lamp assembly. Note that there's two bulbs in it, each with two filaments. The smaller filaments are tied together and turn on at the same time. Those are for the tail lights, (blue arrows).

The brighter filaments turn on separately. The left one in this diagram is for the turn signal. The right one is for the brake light, (red arrow). Look closely at each rear assembly. If you see two bulbs lit up in each one, four in total, those are the tail lamps. The additional clue is one bulb on each side of the truck will get a lot brighter when the brakes are applied.

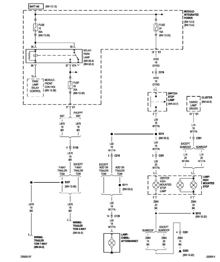
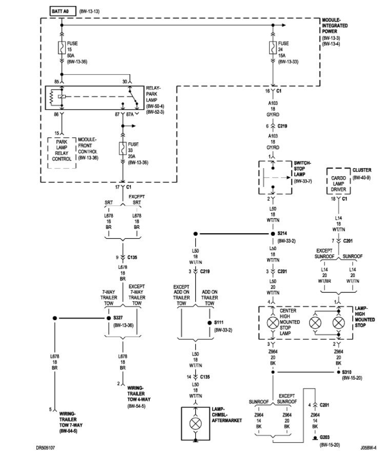
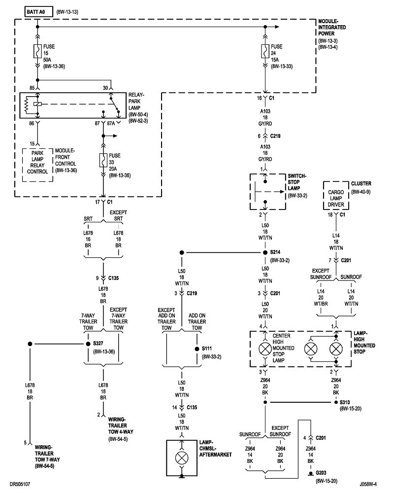
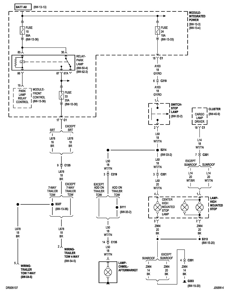
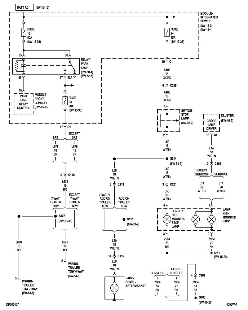
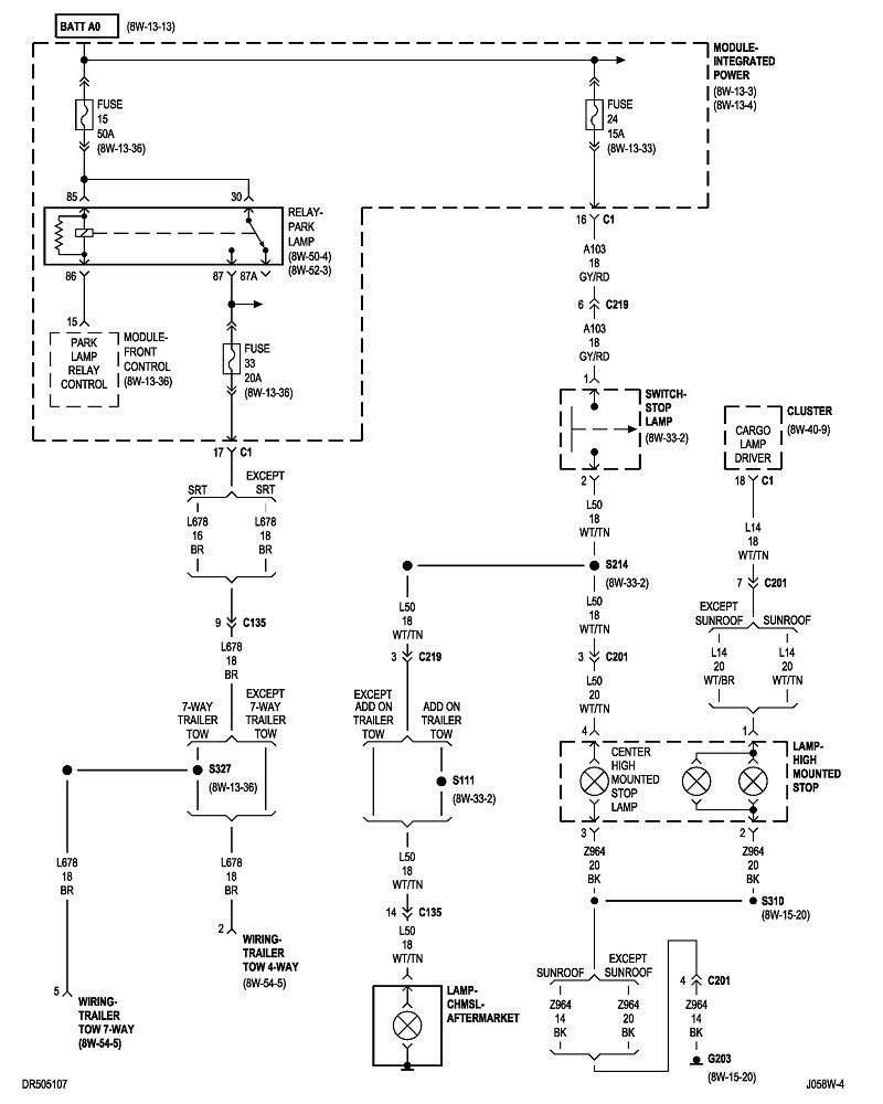
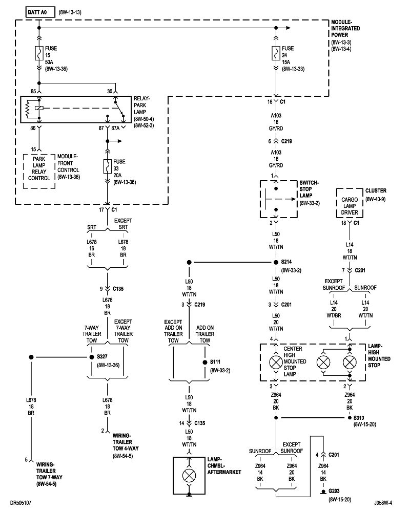
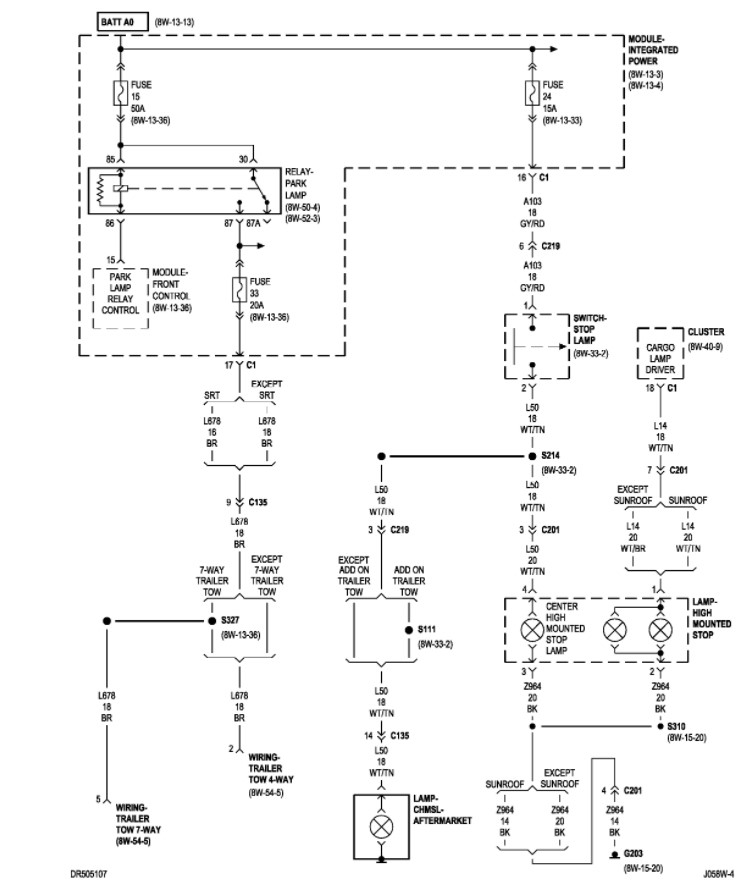
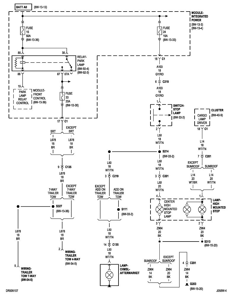
If you do indeed see just one bright light on each side, those two likely won't change when the brakes are applied. The center light should still turn on at that time. The third diagram shows the brake light switch on the right side of the page, and it feeds the center brake light directly. What isn't shown here is from splice S214, another circuit goes to the Integrated Power Module. That's the under-hood fuse box near the battery, but it includes a computer module. As such, it's a real good suspect when searching for unusual electrical problems. This module is what turns each rear brake light on and off. While there's two circuits going to the two brake lights, internal to that module only one circuit is involved that runs both lights. That means there only has to be one shorted electronic switching circuit to cause this problem.

On older vehicles, the tail / running lights in all four corners were on a single circuit, so if the rear tail lights were stuck on, they'd be stuck on in all four corners. On your vehicle, the front and rear running lights are on two separate circuits. That means the rear tail lights can be stuck on while the front running lights work properly. By "stuck on", I mean the electronic switching transistor inside the TIPM is shorted; not that the brake light switch is stuck on.
Was this
answer
helpful?
Yes
No
Thursday, February 10th, 2022 AT 1:49 PM

Please login or register to post a reply.