Brake lights and turn signals not working?

Tiny
RYAN274
  • MEMBER
  • 1999 CHEVROLET TAHOE
  • 5.7L
  • V8
  • 2WD
  • AUTOMATIC
  • 187,000 MILES
My brake lights nor turn signals work on either side. I replaced the brake light switch and wiring harness to the brake light switch which fixed the third brake light. I replaced the boards in the housing and the bulbs are good along with the fuses. The front turn signals work but hyper flash the driver side was working when I fixed the brake light switch and then recently stopped working completely.
Thursday, February 1st, 2024 AT 3:40 PM

1 Reply

Tiny
JACOBANDNICKOLAS
  • MECHANIC
  • 110,194 POSTS
Hi,

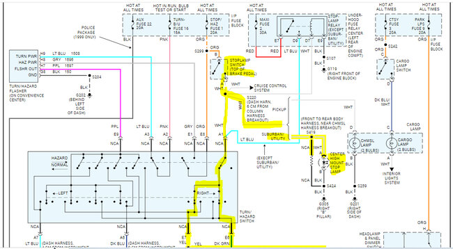
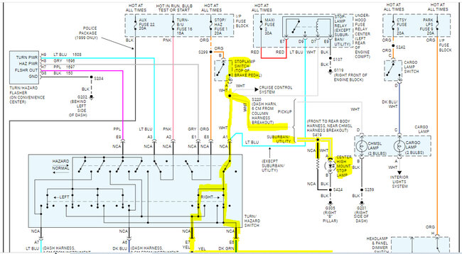
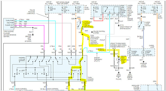
First, I attached the wiring schematic below for the exterior lighting circuits so that you have a reference.

The idea that the third brake light (CHMSL) works but the rear left and right don't indicate the fuse is good and the switch is working. The CHMSL is powered direct from the brake light switch. The rear left and right brake and signal lamps receive power from the turn signal/hazard switch.

I am going to start at the rear lights. First, with the brake pressed, confirm there is or isn't power to the yellow wire (left side) and dark green wire (right side) at the bulb connectors.

If there is power, the problem is in the light assembly. If there is no power, we need to check for power out to the same wires at the signal/hazard switch. If there is no power out from the switch, check the white wire between the brake light switch and the signal/hazard switch. If there is power in, replace the hazard/signal switch. If there is no power, the problem is between the brake light switch and the signal/hazard switch. There is an open in the white wire.

I believe you mentioned the harness was already replaced from the brake light switch. If that is the case, confirm the connectors are not damaged or corroded.

Here is a link you may find helpful:

https://www.2carpros.com/articles/how-to-check-wiring

Let me know what you find.

Joe

See pics below. Note: I highlighted relevant wiring. Also, I had to cut the pic in half to make it readable for you. I did overlap the two so you can follow from one to the next.
Was this
answer
helpful?
Yes
No
+1
Thursday, February 1st, 2024 AT 7:45 PM

Please login or register to post a reply.