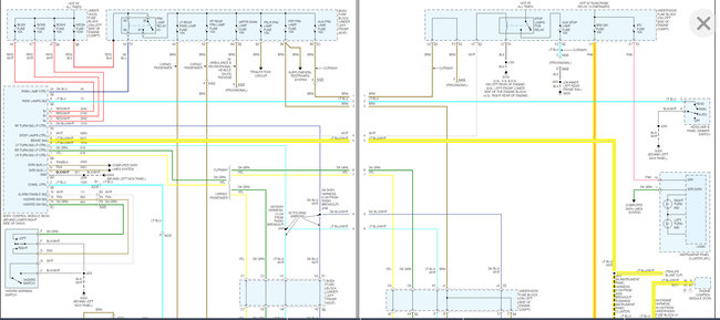
Thursday, November 5th, 2020 AT 4:31 AM
I was putting in trailer lights, and the brake light wire touch the ground wire. Now the brake lights do not work, and the alternator is not working. Does anyone know where the fuses for this might be?





