Brake lights stay on all the time

Tiny
JRAY1979
  • MEMBER
  • 2005 CHEVROLET SILVERADO
  • 300,000 MILES
Also, the cruise control stopped working. I replaced the brake switch and it didn't help.
Sunday, February 13th, 2022 AT 11:28 AM

3 Replies

Tiny
WENDY W
  • MECHANIC
  • 86 POSTS
Hello!

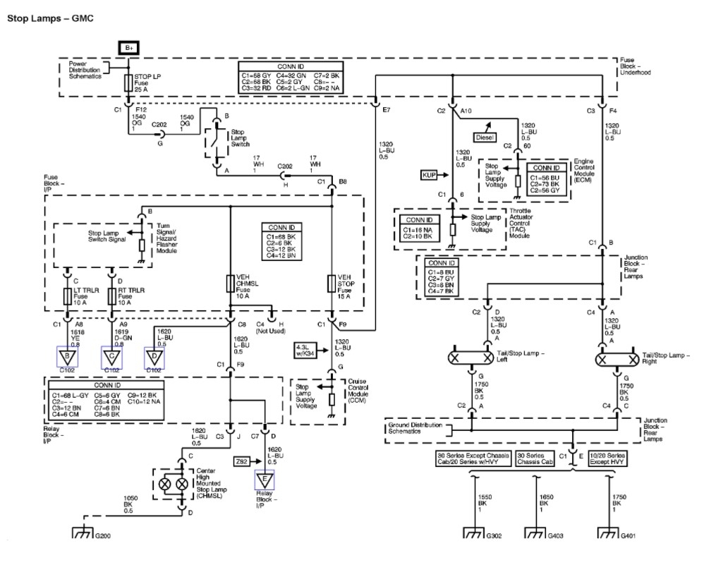
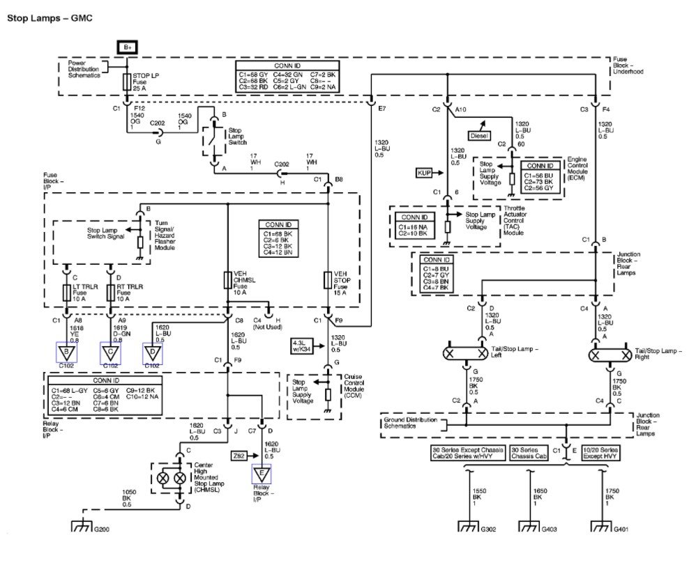
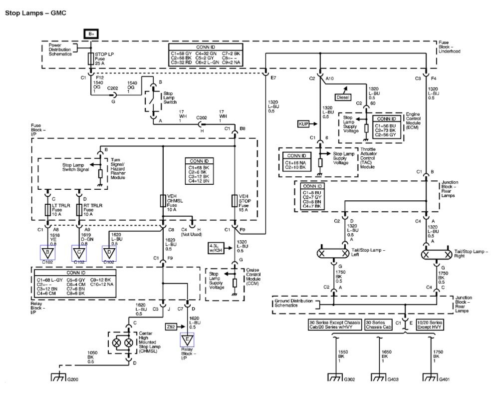
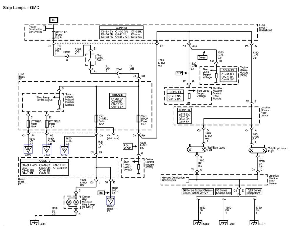
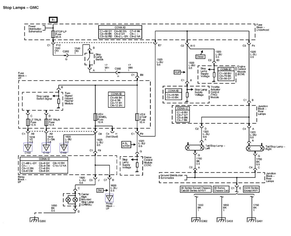
It sounds like there could be a fault in the turn signal multifunction switch which could be passing voltage through from the brake light switch to the stop lamps, even without the brake pedal being pressed. This could also interfere with cruise control operations. I've attached the stop lamp schematic for your reference.

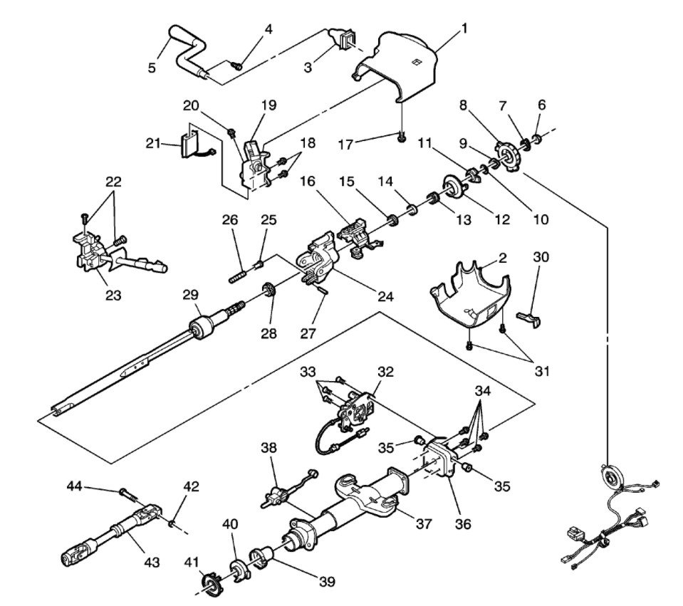
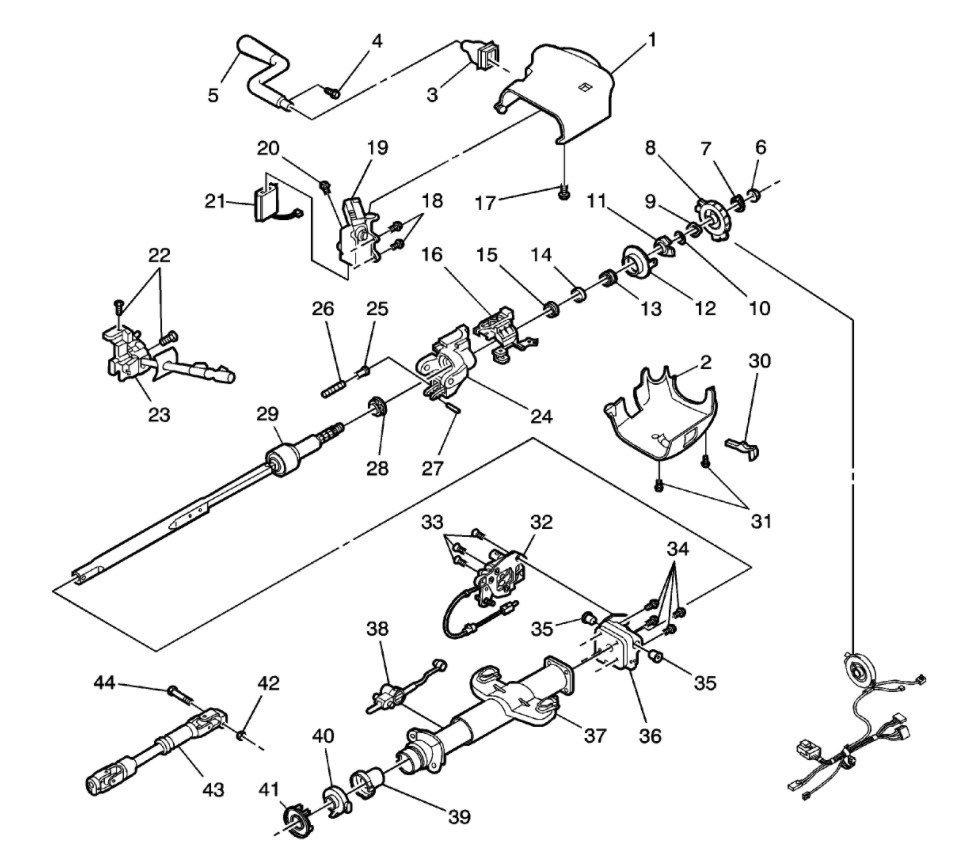
This multifunction switch is located in the steering column and is labeled #23 in the component diagram. Please check out the diagrams (below).

Please note, the SIR system (supplemental inflatable restraint) holds a reserved energy supply for several minutes after disconnecting power to the vehicle. Please use caution when testing or servicing components near any part of the airbag system.

You may find the following repair guides and video helpful:

https://www.2carpros.com/articles/how-to-use-a-voltmeter

https://www.2carpros.com/articles/how-to-use-a-test-light-circuit-tester

https://youtu.be/Hlna_kUt7As

Please let us know what you find.

Thanks, Wendy W
Was this
answer
helpful?
Yes
No
+1
Monday, February 14th, 2022 AT 6:14 AM
Tiny
JRAY1979
  • MEMBER
  • 2 POSTS
Thank you for your reply. It wasn't that, but I was finally able to track it to a faulty trailer brake box. Thank you for your reply and your help.
Was this
answer
helpful?
Yes
No
Tuesday, February 15th, 2022 AT 4:50 PM
Tiny
WENDY W
  • MECHANIC
  • 86 POSTS
Thank you for the update! I'm glad you were able to track down the issue.

Please don't hesitate to let us know if there's anything else we can assist you with in the future.

Thanks! Wendy W
Was this
answer
helpful?
Yes
No
Wednesday, February 16th, 2022 AT 5:42 AM

Please login or register to post a reply.