Left and right bake lights not working

Tiny
NATEP
  • MEMBER
  • 2014 KIA OPTIMA
  • 2.4L
  • 4 CYL
  • 2WD
  • AUTOMATIC
  • 70,000 MILES
Center brake light works.
Saturday, April 20th, 2019 AT 12:06 PM

1 Reply

Tiny
KASEKENNY
  • MECHANIC
  • 18,907 POSTS
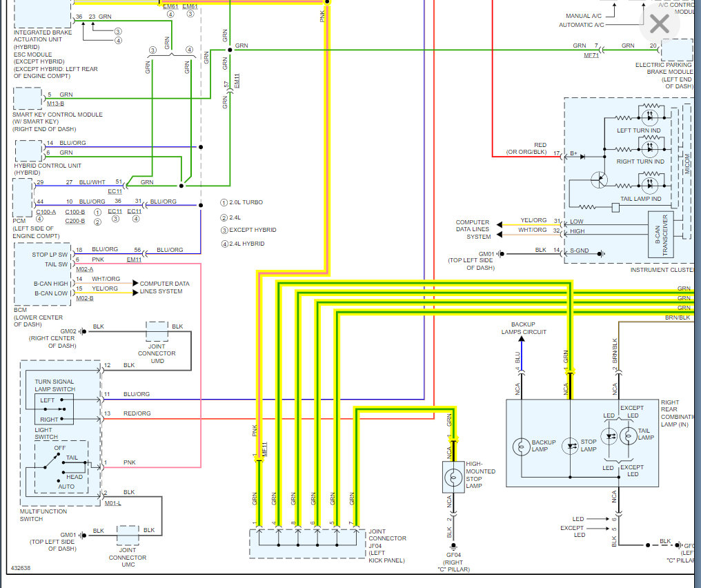
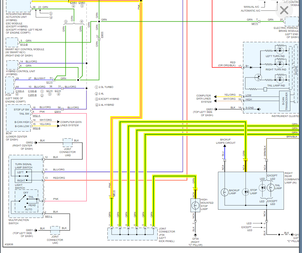
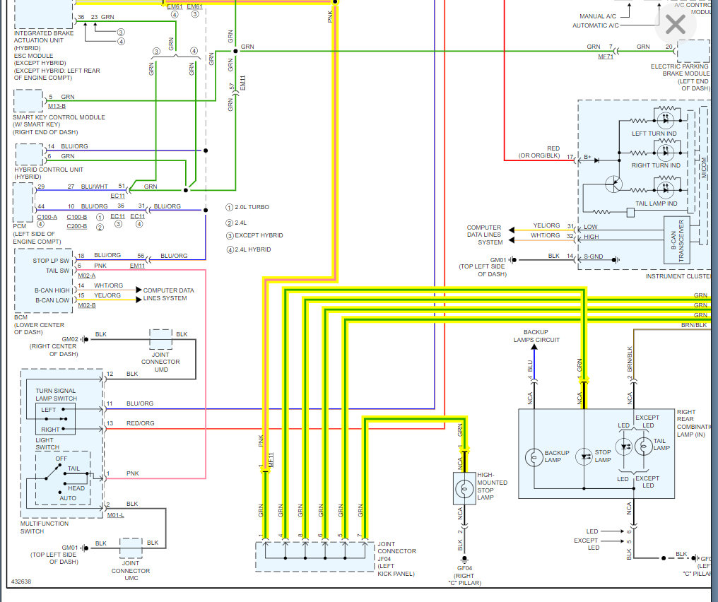
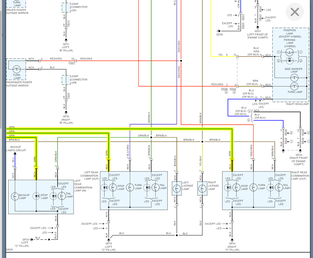
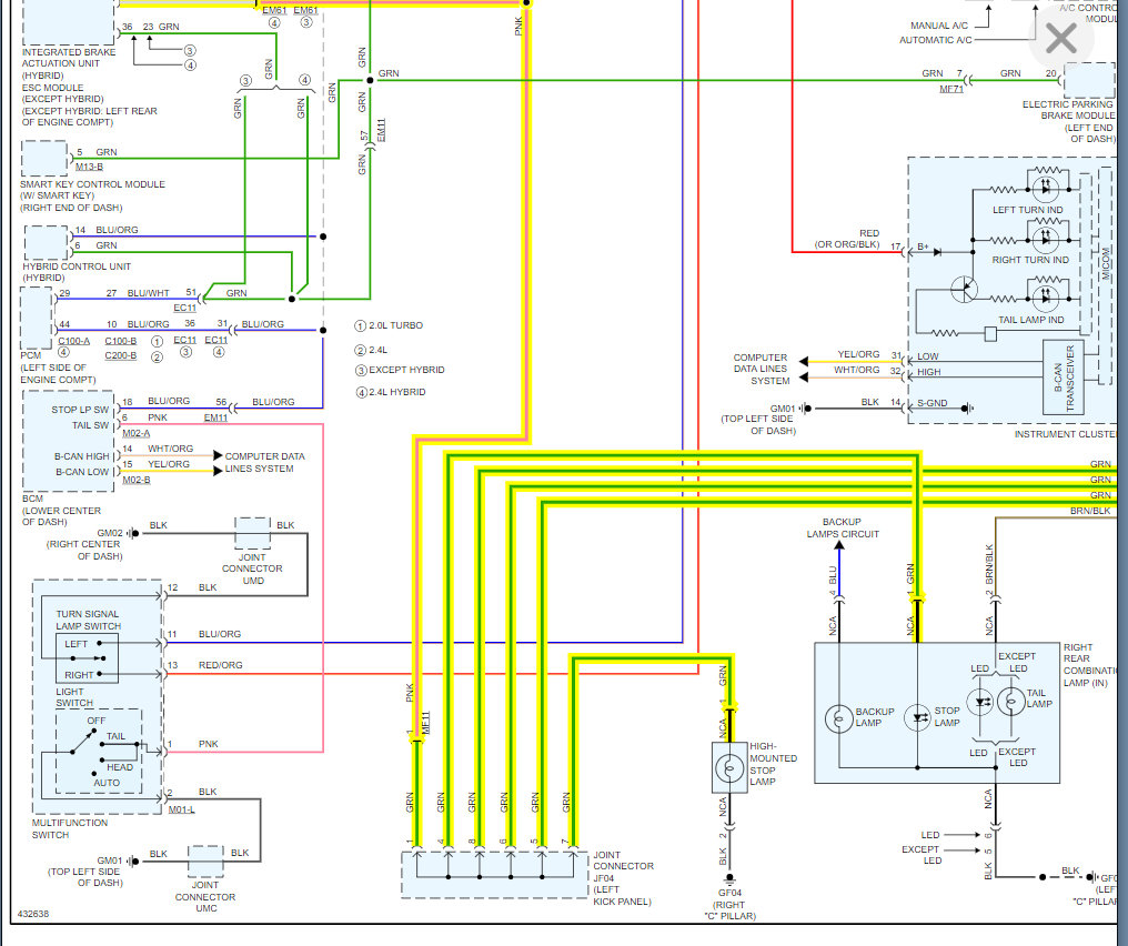
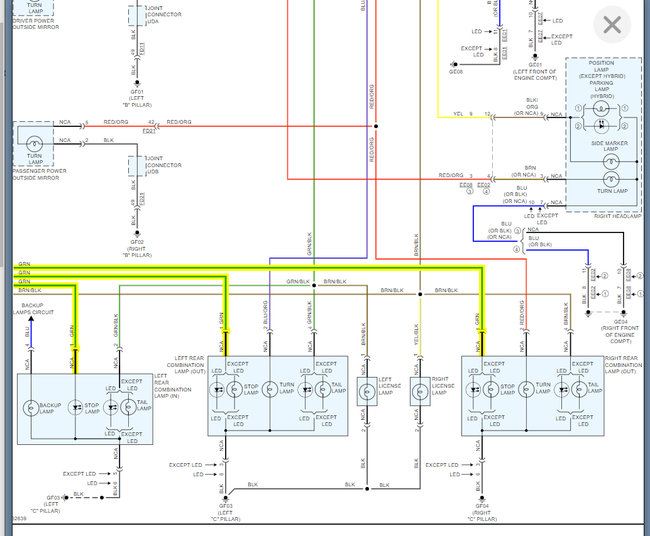
More than likely we have a wiring issue or socket issues. The issue with this is that the center high mount light is on the same circuit as the lower lights.

This means we need to start with checking voltage at the bulbs to confirm it is not there. If it is then we have a bulb issue.

https://www.2carpros.com/articles/how-to-check-wiring

Any chance you just changed any bulbs to LEDs? If so that can cause issues with these lights.

Below is the wiring diagrams that will help with this. When we are checking for voltage, we need inspect the sockets for any damage.

If the sockets need to be replaced, here is a video that will show how to do this:

https://www.youtube.com/watch?v=PxA5wczsCVo

Please run through all this info and let me know if you have questions.

Thanks
Was this
answer
helpful?
Yes
No
Wednesday, August 11th, 2021 AT 8:02 PM

Please login or register to post a reply.