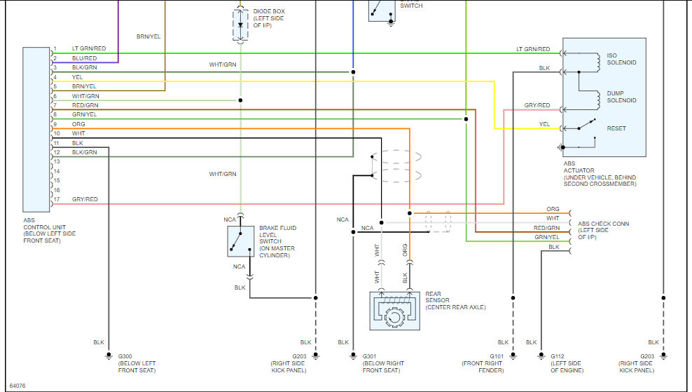
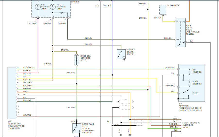
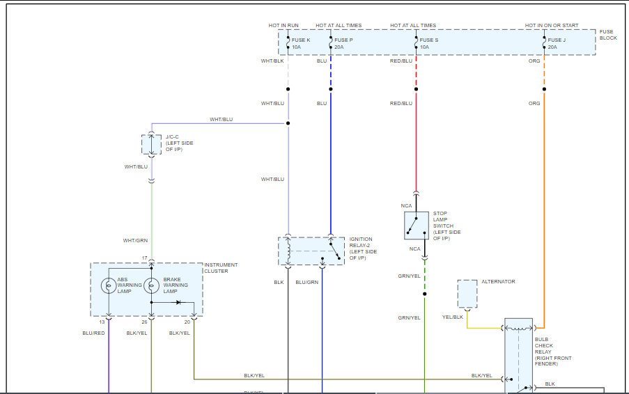
Tuesday, July 31st, 2018 AT 12:49 PM
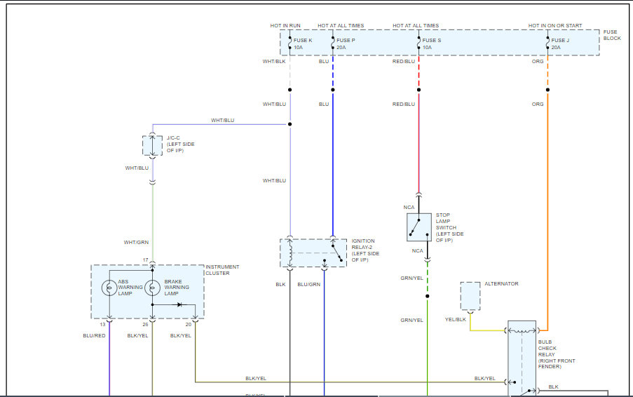
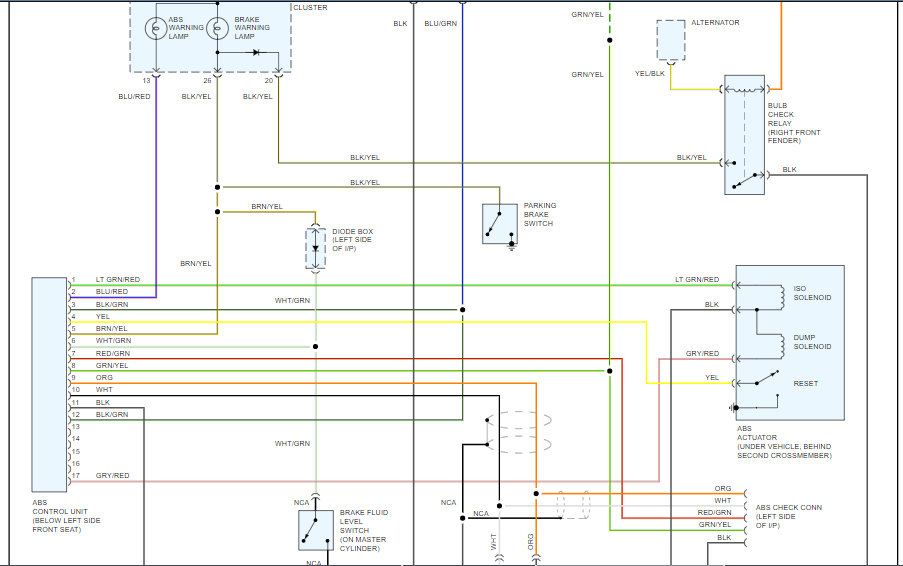
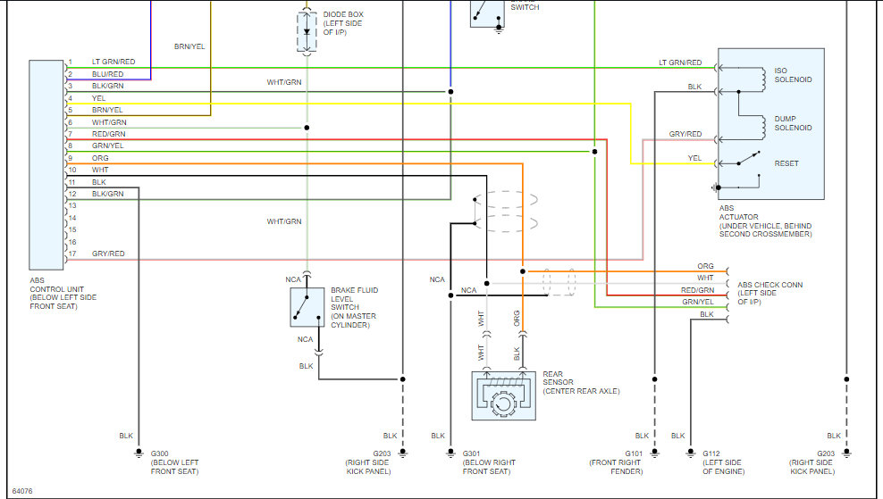
My brake lights do not work, the other lights work fine. I have replaced the switch, I can use the power probe and make them work from the pedal switch (the wires from there back are fine). It seems like the pedal switch itself is not getting any power.




