Brake lights not working properly

Tiny
CHARLIE COPELAND
  • MEMBER
  • 2000 JEEP GRAND CHEROKEE
  • 4.0L
  • 4 CYL
  • 4WD
  • 150,000 MILES
Only left brake light works when headlights are on, only right brake light works when headlights are off.
Monday, November 9th, 2020 AT 5:38 PM

3 Replies

Tiny
KASEKENNY
  • MECHANIC
  • 18,907 POSTS
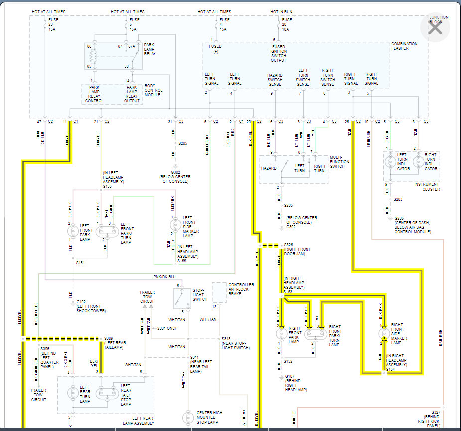
Okay. Take a look at this wiring diagram. More then likely this is the switch but your vehicle is equipped with a combination flasher. So I would just go ahead and replace the flasher as they are cheap and easy.

Here is the info on this. Let us know what happens. Thanks
Was this
answer
helpful?
Yes
No
+1
Monday, November 9th, 2020 AT 6:11 PM
Tiny
CHARLIE COPELAND
  • MEMBER
  • 1 POST
Changed brake light switch. Took care of half the problem. Have brake and running lights on both sides but one side is dimmer than the other. When brake pedal is pressed, dimmer side goes completely out.
Was this
answer
helpful?
Yes
No
Wednesday, November 11th, 2020 AT 8:07 AM
Tiny
KASEKENNY
  • MECHANIC
  • 18,907 POSTS
Okay. We are going to have to test the wiring at this point. I suspect you have a loose connection or high resistance in the wiring for the side that is dim. So looking at the wiring diagram, we need to measure resistance on each of the wires going to these bulbs and then the switch. The way to measure resistance, is you need to unhook the connectors at both ends of the circuit and measure the ohms of the wire. It should be less then a half ohm on a wire. I suspect you will find a wire that has more then that which will be the issue.

Dim lights means the bulb is not getting the full voltage which means something else is draining the voltage. In this case it is most likely a loose ground or corroded wire.

Let me know if you have questions and we can go from there. Thanks
Was this
answer
helpful?
Yes
No
+1
Wednesday, November 11th, 2020 AT 10:19 AM

Please login or register to post a reply.