Sunday, January 10th, 2021 AT 11:50 AM
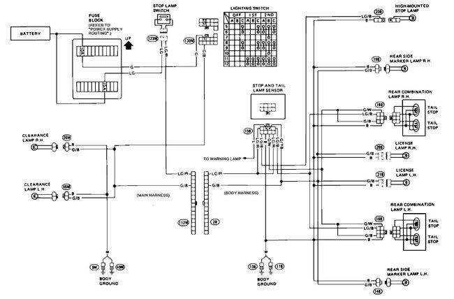
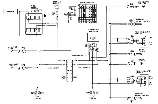
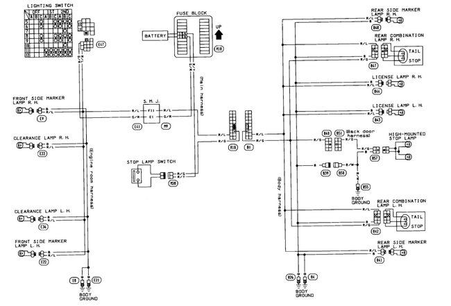
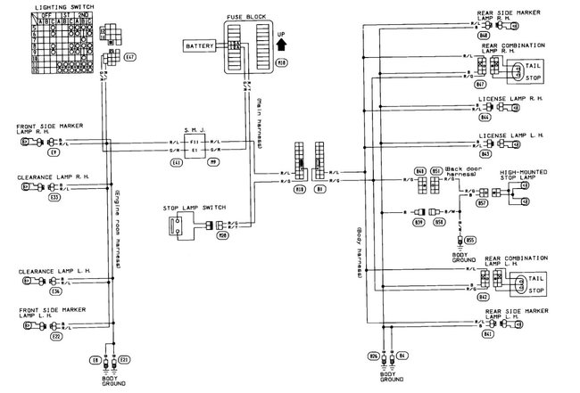
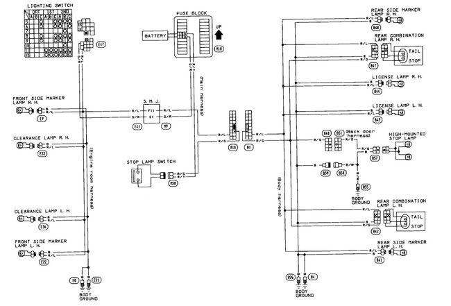
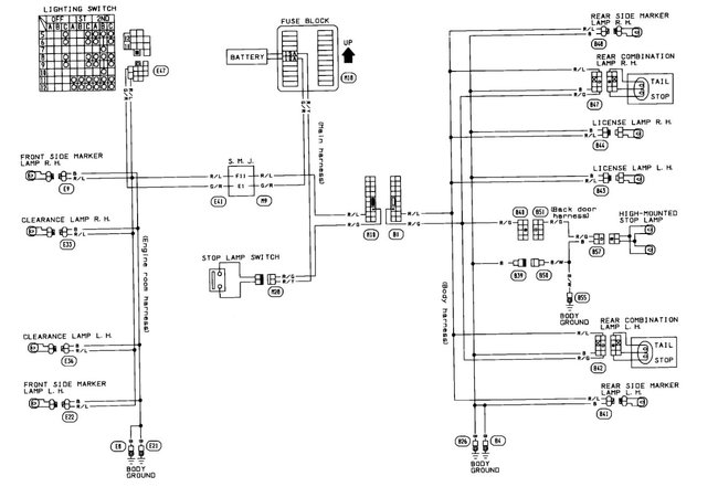
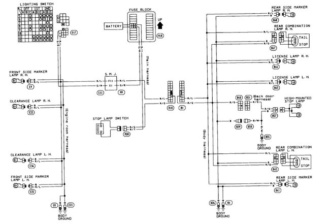
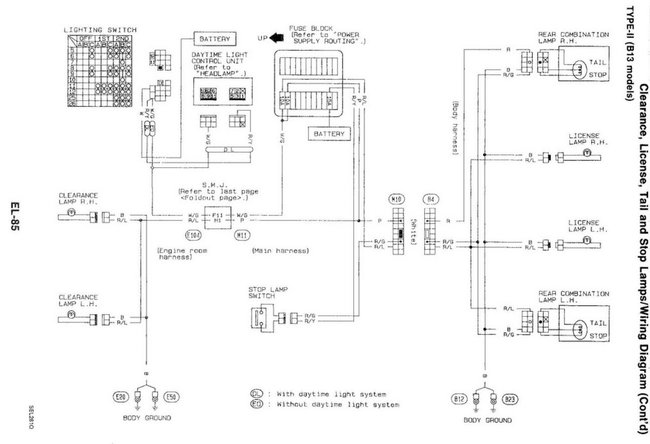
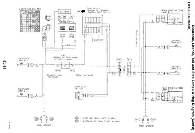
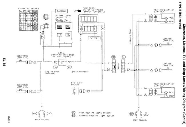
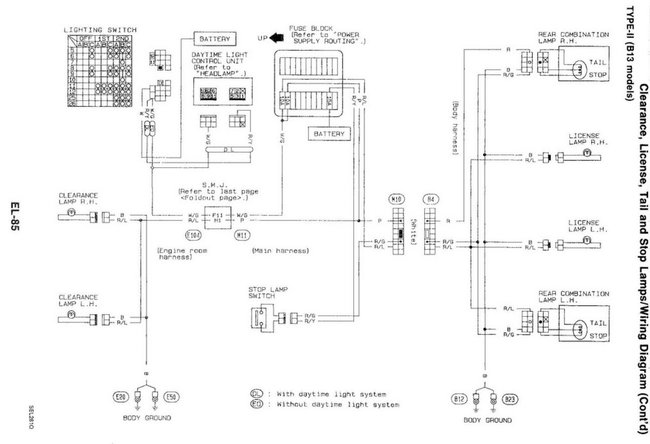
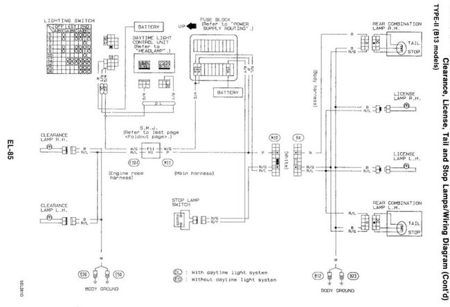
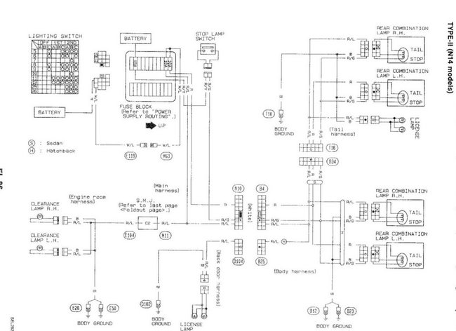
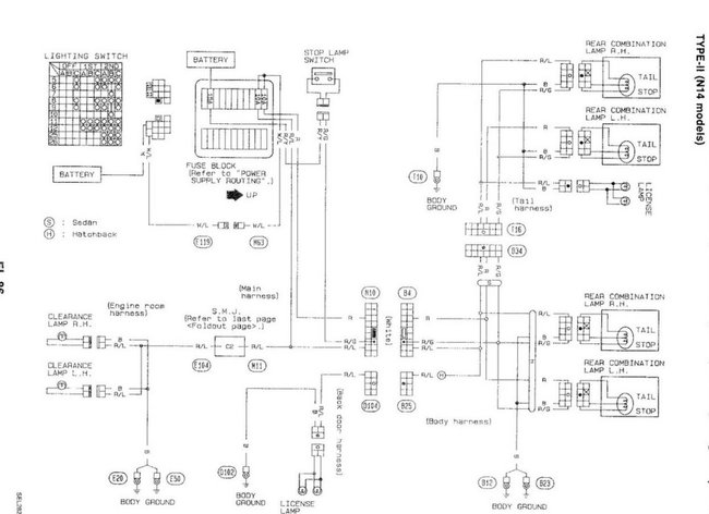
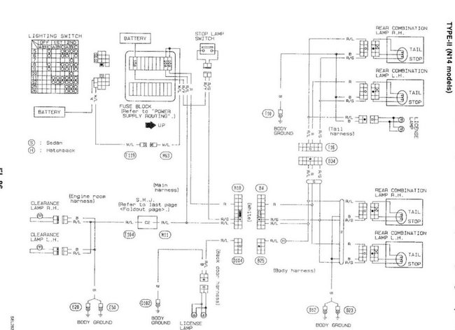
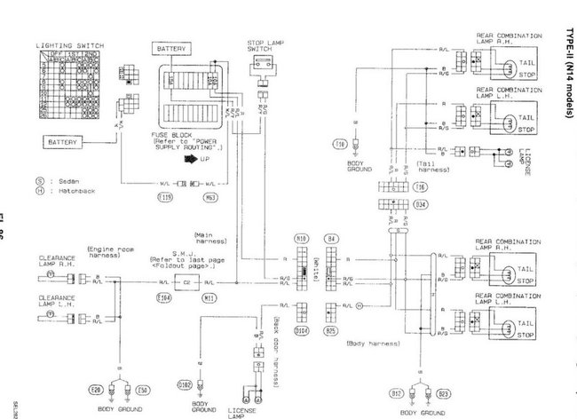
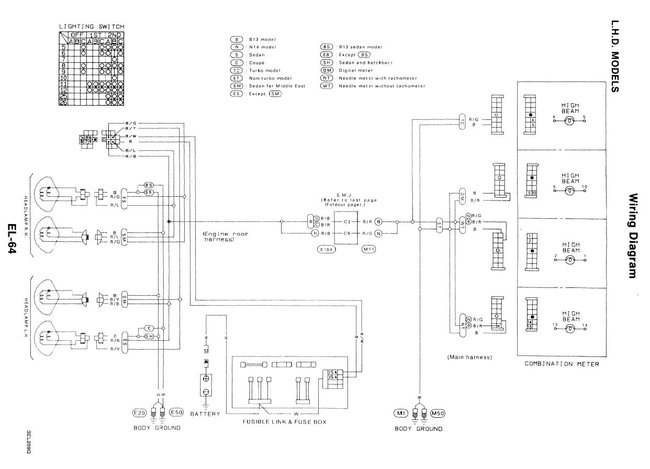
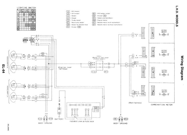
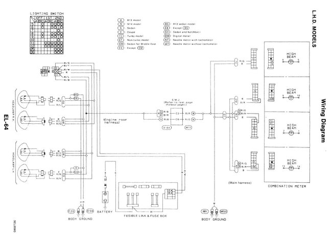
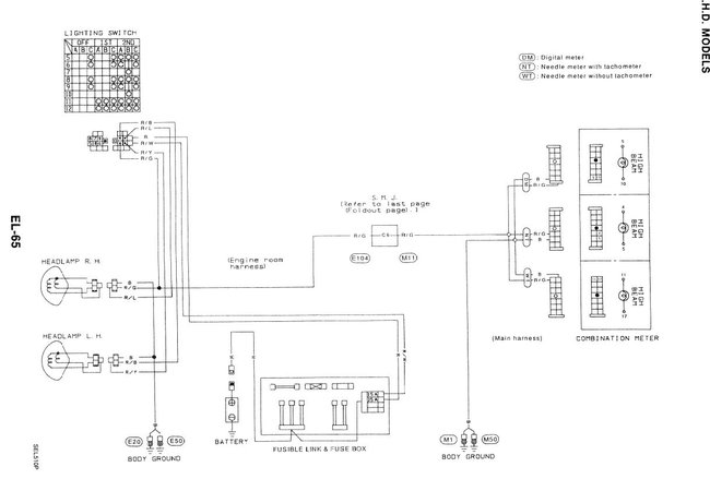
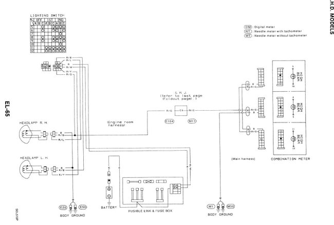
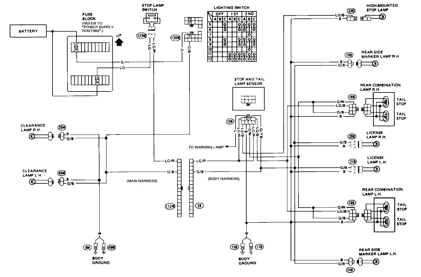
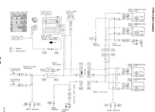
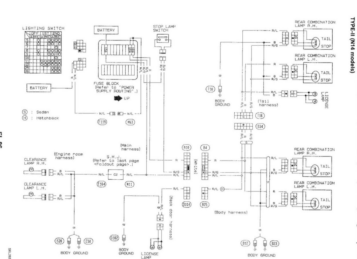
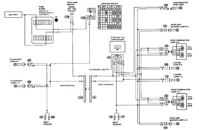
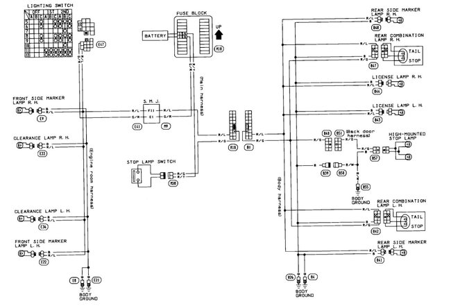
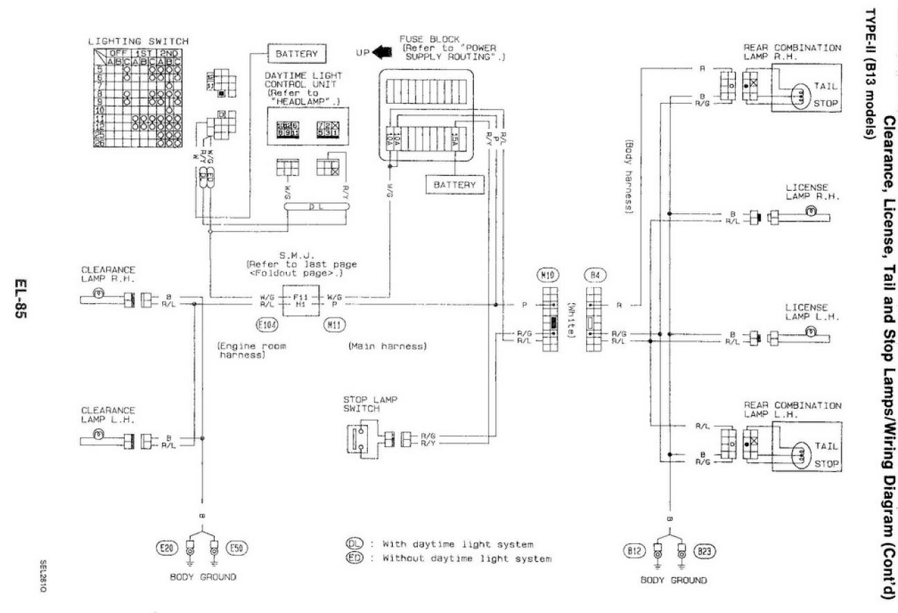
Hi, the vehicle's brake was lighting when the brake pedal was not depressed, I thought the issue was the brake switch, I removed the tail light fuse from the fuse bus, the light went off. After some days I went back later to the vehicle, I replaced the fuses that I removed but this time the light didn't come up. I pressed the brake pedal it still didn't come up. I removed the connector from the brake switch and there was voltage at the connector when tested. I jumped the wires together, yet the light didn't come on. I tested the fuses, there was no voltage at all at both sides but there's power at the switch. What could be the fault? I would appreciate if I could have the circuit diagram.











