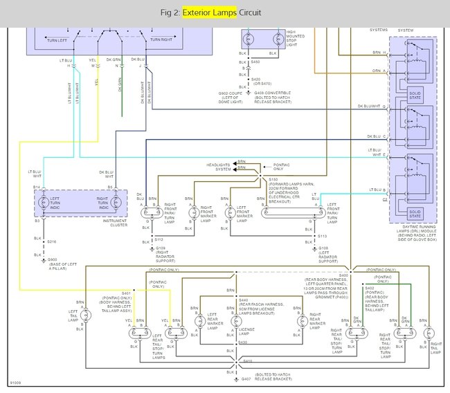
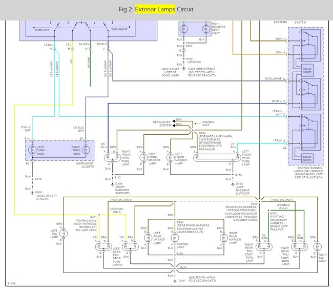
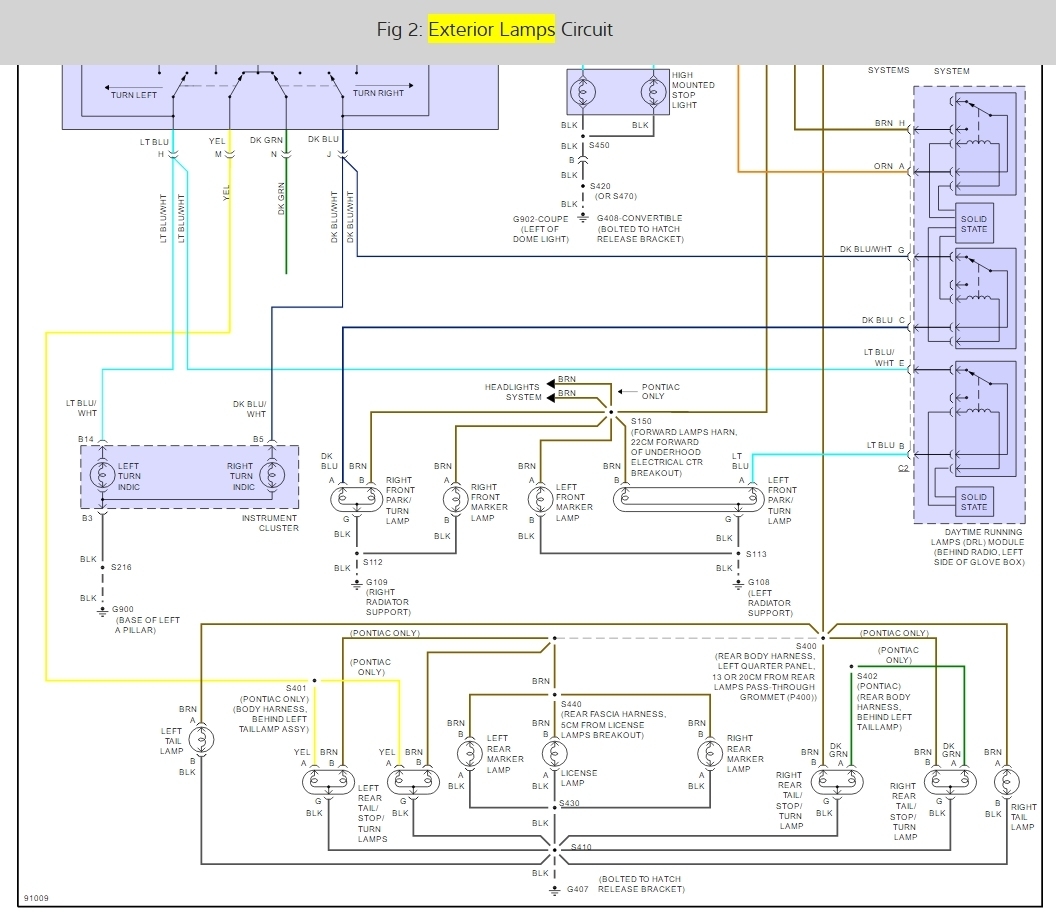
Tuesday, December 20th, 2016 AT 8:32 AM
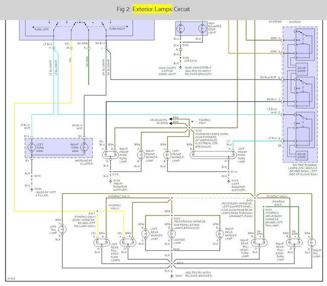
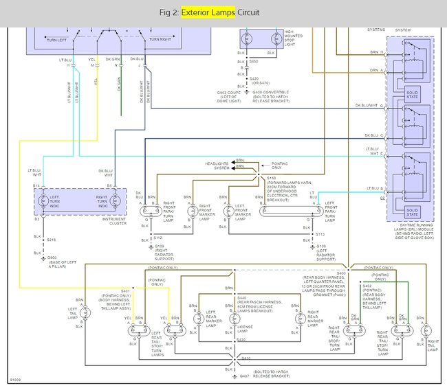
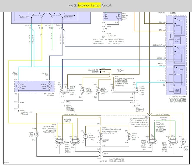
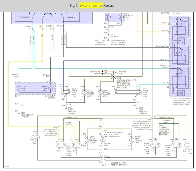
The brake lights do not work, the tail lights work fine and the third brake light in the center of the truck lid works. I change the brake light switch and checked the bulbs and the bulb sockets. Any help would be appreciated.



