Brake light and turn signal light fuse keep blowing

Tiny
KOOSIE
  • MEMBER
  • 1996 GMC SIERRA
  • 5.7L
  • V8
  • 4WD
  • AUTOMATIC
  • 387,000 MILES
The 30 amp max fuse in the fuse block under the hood and the 20 amp fuse in the fuse block in the instrument panel keep blowing when I apply the brakes. But only when I have the headlights on. Where should I start looking for the problem?
Monday, January 20th, 2020 AT 6:26 PM

11 Replies

Tiny
CARADIODOC
  • MECHANIC
  • 34,468 POSTS
Do both fuses always blow at the same time? Given the unusual combination of symptoms, start by checking for a trailer wiring harness that is chewed up and has bare wires that are touching.

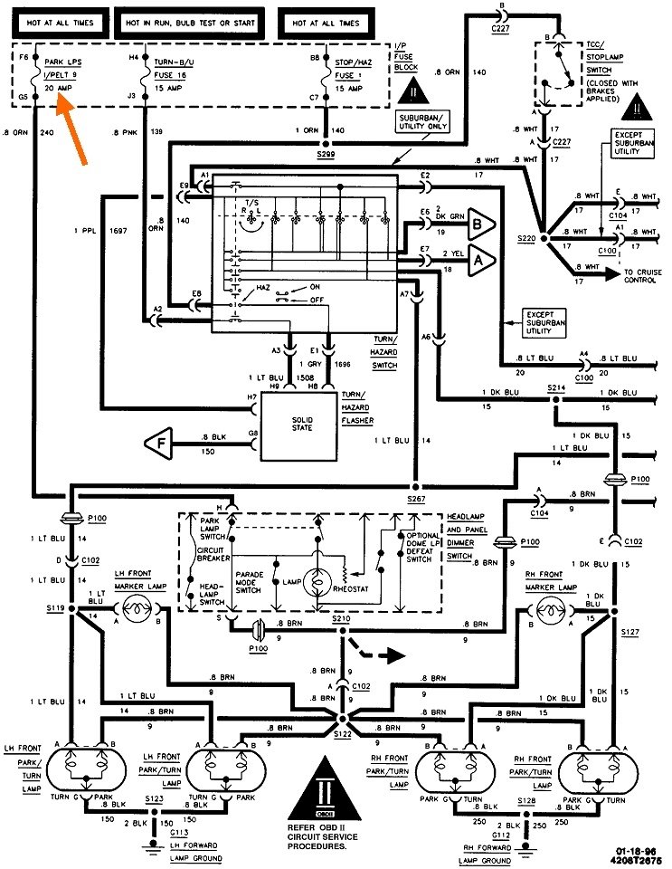
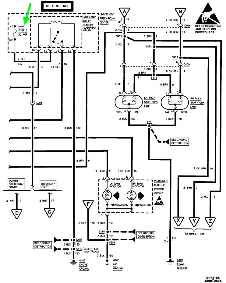
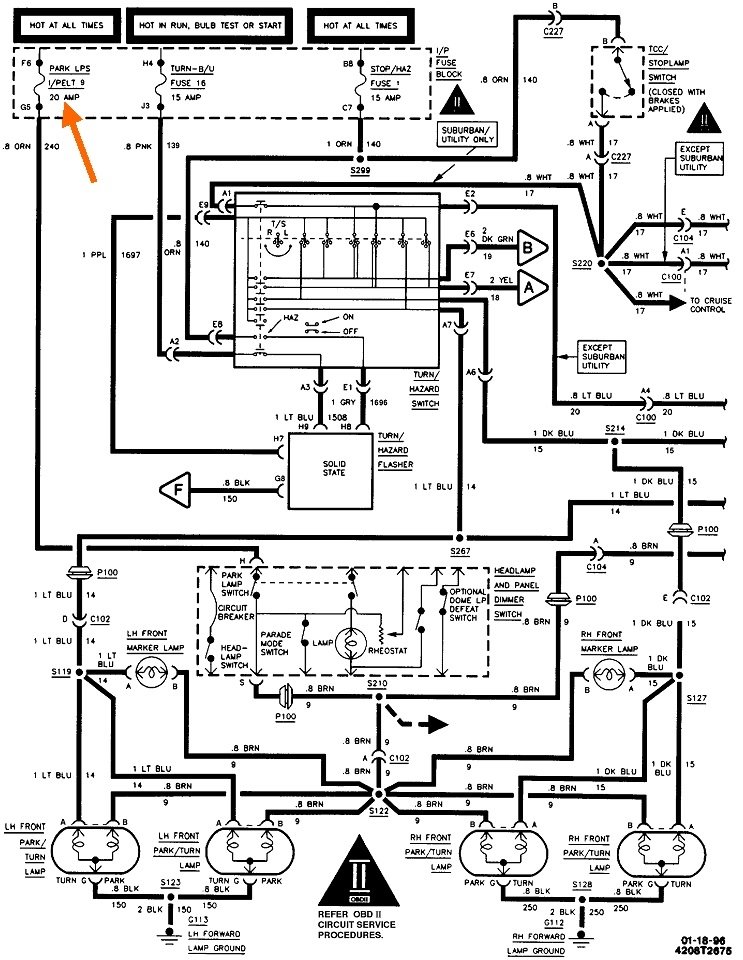
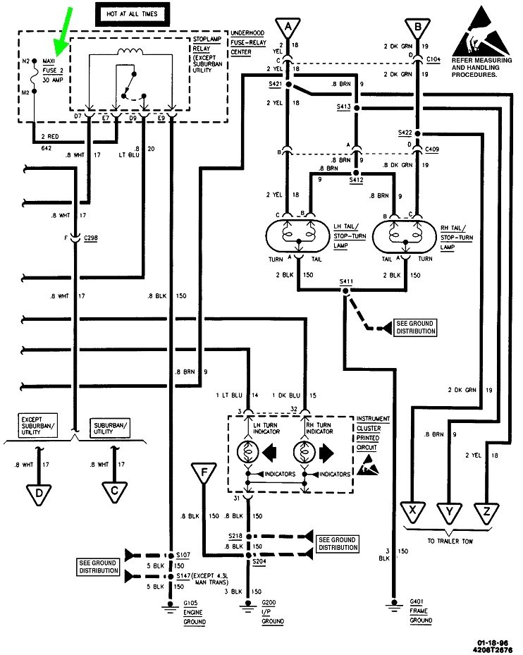
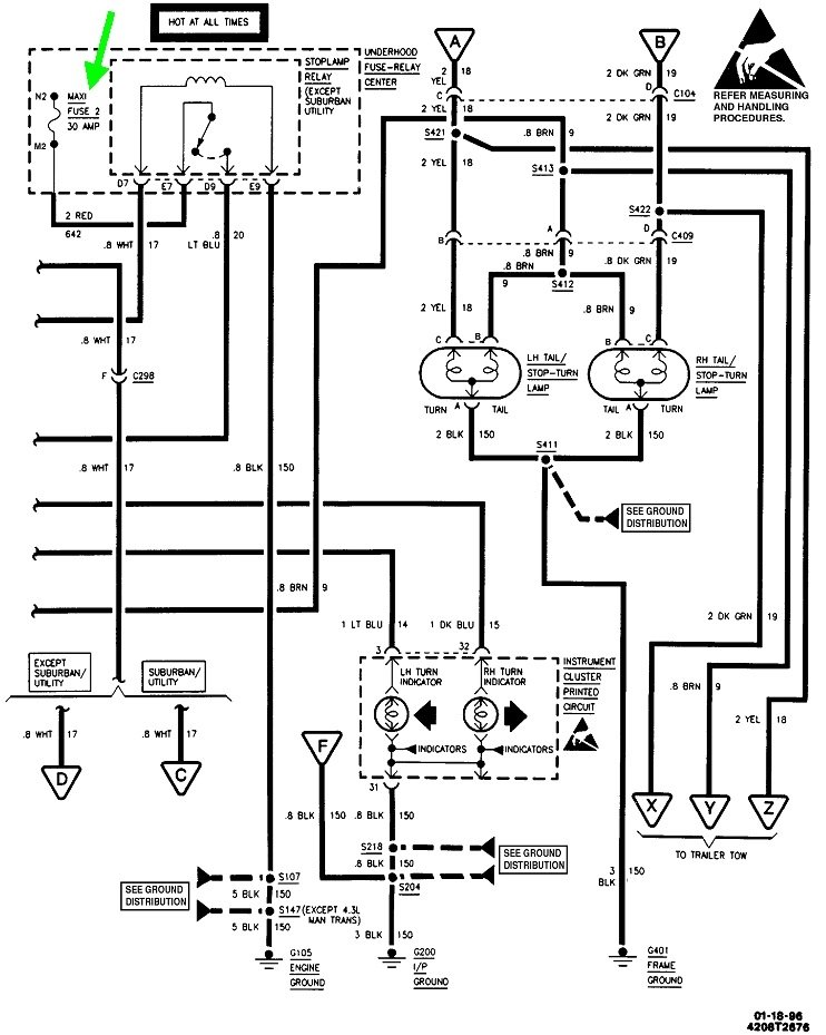
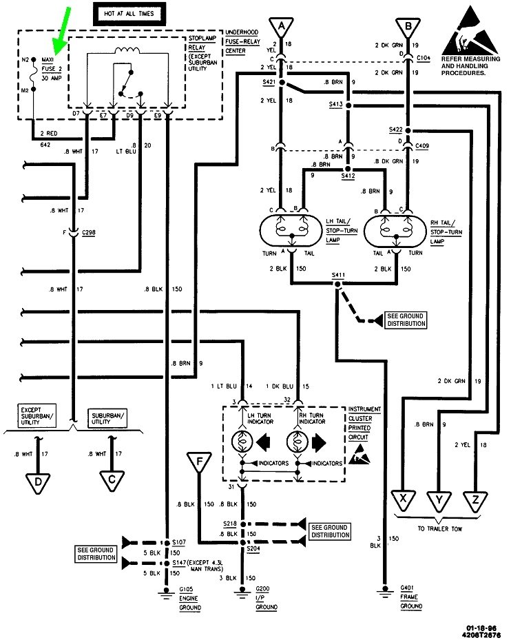
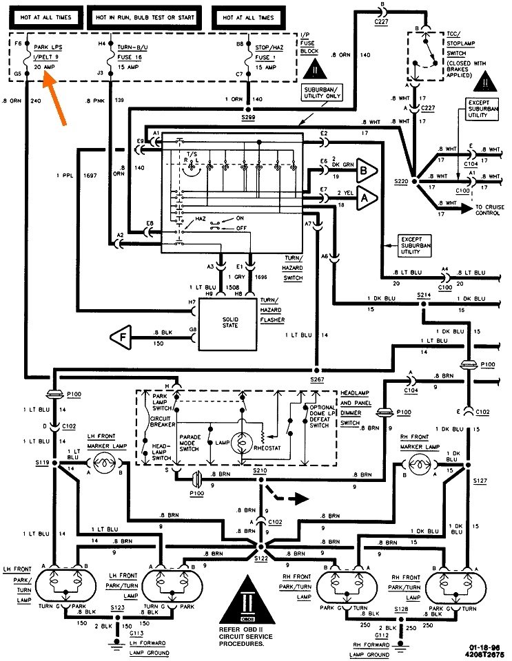
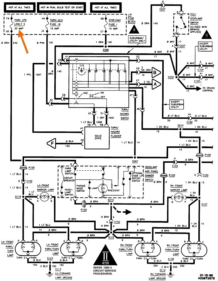
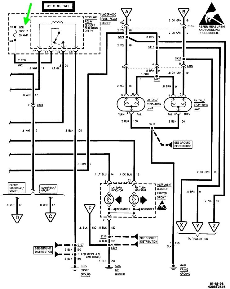
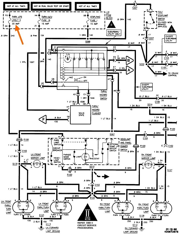
Check the green and orange arrows on these fuse box drawings to be sure we're looking at the same fuses.
Was this
answer
helpful?
Yes
No
Monday, January 20th, 2020 AT 6:58 PM
Tiny
KOOSIE
  • MEMBER
  • 7 POSTS
Yes they are the fuses. I just redid the trailer wiring harness about 2 months ago, but I can look at it tomorrow and make sure everything is right.
Was this
answer
helpful?
Yes
No
+1
Monday, January 20th, 2020 AT 11:07 PM
Tiny
CARADIODOC
  • MECHANIC
  • 34,468 POSTS
Let me know what you find. The way the engineers drew the turn signal switch makes the diagram rather difficult to follow, so we'll have to pick one circuit to diagnoses and temporarily ignore the rest. To avoid wasting a lot of fuses, I'll provide you with a trick that can really make finding shorts a lot faster and easier. You'll need a pair of small jumper wires, two universal spade-type terminals, and a 12-volt light bulb.

A pack of ten clip leads is shown in the first photo. You can find these at Harbor Freight Tools, along with the terminals shown in the second photo. The arrows are pointing to two spade terminals. To make connecting the jumper wires easier, you might have to twist the red and blue caps off of them. A common 3057 bulb, as shown in the third photo, is a good choice because it's easy to connect the clip leads to its terminals.
Was this
answer
helpful?
Yes
No
Tuesday, January 21st, 2020 AT 2:46 PM
Tiny
KOOSIE
  • MEMBER
  • 7 POSTS
Okay just an update. I haven’t had time to look at trailer wiring yet, but today I was driving without head lights on and the 30 amp max fuse under the hood blew and then about 10 miles down the road I went to make a left hand turn and the #16 turn signal fuse blew. When I put the turn signal on I could tell every time the light flashed my engine would drop down on rpm’s like there was a load on the circuit. I don’t know if this helps or not, just thought I’d let you know.
Was this
answer
helpful?
Yes
No
Wednesday, January 22nd, 2020 AT 10:59 AM
Tiny
CARADIODOC
  • MECHANIC
  • 34,468 POSTS
Those are dandy clues. Given the combination of symptoms and observations, I have a suspicion there's something shorted in one of the two circuits going to the rear brake / signal lights. Lets start with the large green 30-amp maxi-fuse under the hood. Pull that out, then insert two spade-type terminals into the two terminals in the socket. The two I pointed out in the photo previously should fit tight enough. Use a pair of clip leads to connect the terminals to the light bulb.

Notice there's four arrows pointing to the terminals on the bulb. You can see the terminals for the red and yellow arrows. The other two terminals are on the other side of the bulb. The easiest ones to connect to are the red arrow, and the green arrow on the back side. At this point the bulb should be off.

Use a stick between the driver's seat cushion and the brake pedal to hold the pedal down an inch or two. When you do, I suspect you're going to see the test bulb become full brightness. It's going to naturally get hot, so be careful what it's laying on or against. If the bulb is less than full brightness, the short is not currently in the circuit, and if you look very closely, you might see the rear brake lights glowing dimly. Now move things around to see what make the test bulb become brighter. When it does, the short is present. The test bulb will limit current to a safe one amp.

While the test bulb is bright, wiggle the trailer harness to see if the bulb dims. Look behind the brake light housings for pinched wires. Also look for splices that were wrapped with electrical tape. That tape should never be used on cars and trucks as it will unravel into a gooey mess on a hot day. That can leave wires exposed and able to short to each other.

There's one more potential clue to look for. The ignition switch must be off for this to be a valid test. When the short is present and the test bulb is full brightness, move the turn signal switch to the left, then to the right. That disconnects the brake light fuse from one rear brake light circuit and switches that circuit to the signal fuse. If the test light goes dim when you switch to the right-turn position, for example, that tells us the short is on the right rear circuit, so we can ignore the left side.
Was this
answer
helpful?
Yes
No
Wednesday, January 22nd, 2020 AT 5:22 PM
Tiny
KOOSIE
  • MEMBER
  • 7 POSTS
Okay, I did the bulb with the jumper wires to the 30 amp max fuse spot in the fuse block. I didn’t find anything on the trailer wiring harness. I actually took the junction tee and the harness off the truck. I checked all the wires and connectors from the taillights to the firewall and put new wire conduit on all the wires. The only thing I am questioning are the circuit boards on the taillights. How do you know if they go bad? I also wonder about headlight switch on the instrument panel cause I have had some issues with it last summer we’re the headlights would just shut off while driving down the road and I would pull over and wait about a minute or so and they would come back on. But I haven’t had an issue since.
Was this
answer
helpful?
Yes
No
Thursday, January 23rd, 2020 AT 11:27 PM
Tiny
CARADIODOC
  • MECHANIC
  • 34,468 POSTS
With the test bulb in place, was it full brightness? If it was, what happened when you moved the signal switch?

The head light switch shouldn't be involved with the brake lights, but it is with the tail lights. Head light switches, dimmer switches, ignition switches, and heater fan speed switches are all in high-current circuits, and as such, it is common to find overheated connector terminals with the connector bodies melted in those areas. In addition, head light switches have internal thermal circuit breakers that cause more trouble than they prevent.

With all of these switches, a little resistance can develop between a pair of mating terminals, or between a pair of contacts inside that switch. That resistance results in heat being generated when current flows through them, and that heat causes more resistance to build up. That progresses until the terminals or the contacts overheat. That heat migrates from the contacts or the terminals to the other one, so there's always two parts to the repair. The switch must be replaced, and the burned terminals must be cut out of the connector body to be replaced individually, along with four inches of their wires that will be hardened from being overheated, and solder won't adhere to them.

The thermal circuit breaker in the head light switch develops the same arced contacts that cause heat to be generated, and that heat causes the circuit breaker to trip, then automatically reset about a minute later. That defect is usually limited to the switch itself and doesn't involve the connector terminals.

Regardless, it would be a good idea to inspect the switch terminals and those in the connector, for signs of being overheated. Also look for any wires that have their insulation melted in that area.
Was this
answer
helpful?
Yes
No
+1
Friday, January 24th, 2020 AT 4:26 PM
Tiny
KOOSIE
  • MEMBER
  • 7 POSTS
Sorry I haven’t got back to you for so long. When I have the test leads hooked up with the bulb at full brightness and put the turn signal to the right the bulb dims. It stays bright when I turn it to the left.
Was this
answer
helpful?
Yes
No
Sunday, March 8th, 2020 AT 12:22 PM
Tiny
CARADIODOC
  • MECHANIC
  • 34,468 POSTS
Dandy. Am I correct in assuming you're pressing the brake pedal when the bulb is bright?
Now we have to know which fuse you have the bulb in place of. Earlier you were in the 30-amp maxi-fuse for the brake lights. The rear signals and the rear brake lights are the same bulb and filament. When the turn signals are released, current from the brake light switch passes through the signal switch on its way to the rear brake lights. One side has a short, so the fuse blows, or, in this case, the test bulb is full brightness when you press the brake pedal.

When you turn the signal switch to the left, that brake light circuit is disconnected from the brake light switch, then it gets connected to the flasher circuit with its different fuse. The right brake light circuit is untouched and stays connected to the brake light switch circuit. This is when the test bulb stays bright. That tells us the short is on the right side.

When you move the signal switch to the right, the right brake light circuit is disconnected from the brake light switch circuit. That disconnects the circuit with the short, so the test bulbs dims, but it connects the shorted circuit to the signal flasher circuit. To verify my diagnosis, you should find the signal fuse blows if the ignition switch is on when you move the signal switch to the right. If you move the test bulb to the signals fuse socket, you should find it is off when the signal switch is released. It will be less than full brightness when you move it to the left, (and you'll see the left rear brake light is glowing dimmer than normal. When you move the signal switch to the right, the test bulb will be full brightness, and the right brake light will not be glowing at all.

At this point this just tells us the right wire is shorted to ground somewhere between the signal switch and the right rear bulb. Two common causes are chewed-up trailer wiring harnesses, and a shorted trailer plug when you have the four-pin plugs from U-Haul that had three red LEDs on them to help identify the circuits. I ran into about a half dozen of those at the dealership in the '90s.

You can also place a stick between the seat and brake pedal to keep the brake switch on, and hang the bulb where you can see it, then crawl underneath and move the wiring harnesses around. The test bulb will dim when you do something that momentarily removes the short.
Was this
answer
helpful?
Yes
No
Monday, March 9th, 2020 AT 4:31 PM
Tiny
KOOSIE
  • MEMBER
  • 7 POSTS
Yes, I had the test bulb in the 30 amp fuse under the hood and had a stick holding the brake pedal down with the ignition switch off. When I turned the Turn signal switch to the left nothing changed the bulb brightness. But when I turned the turn signal switch to the right the test bulb turn off. Okay, you are right about turning the ignition switch on and turning the turn signal to the right and the turn signal fuse blows.
Was this
answer
helpful?
Yes
No
Tuesday, March 10th, 2020 AT 12:02 AM
Tiny
CARADIODOC
  • MECHANIC
  • 34,468 POSTS
The short is on the right side circuit. Look at the trailer harness. Follow the wire harness along the frame rail. I've even found a harness that had melted after a custom dual exhaust was installed, and that harness was resting on top of the pipe over the axle.
Was this
answer
helpful?
Yes
No
Tuesday, March 10th, 2020 AT 4:18 PM

Please login or register to post a reply.