Tuesday, January 31st, 2023 AT 11:32 AM
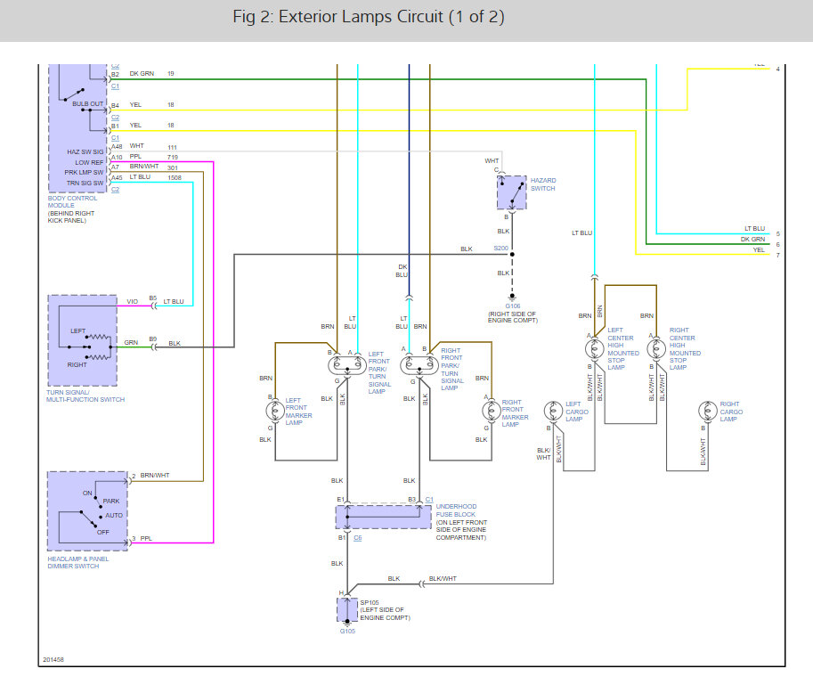
Just a random fault. No reason for it that I know. But the brake lamps stopped working a couple of months ago. Tail lamps operational. Turn signals work. Parking lights work. All others work. But no brake lights. But this only happens when the headlights and all other nighttime driving lights are on and operational. When in daytime driving mode with all lighting off, brake lights work. Why?








