Wednesday, February 27th, 2019 AT 4:49 PM
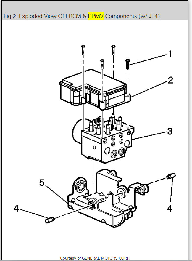
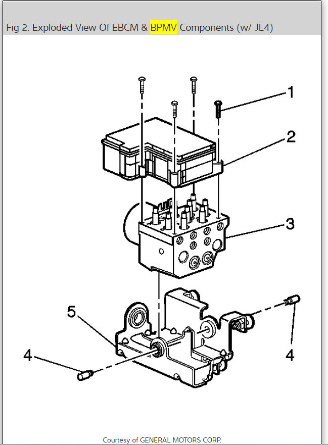
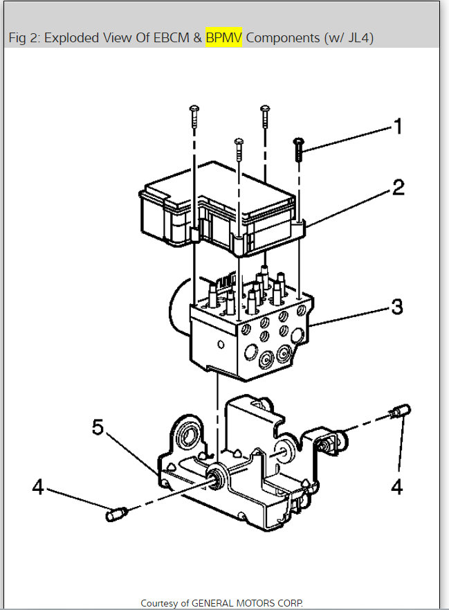
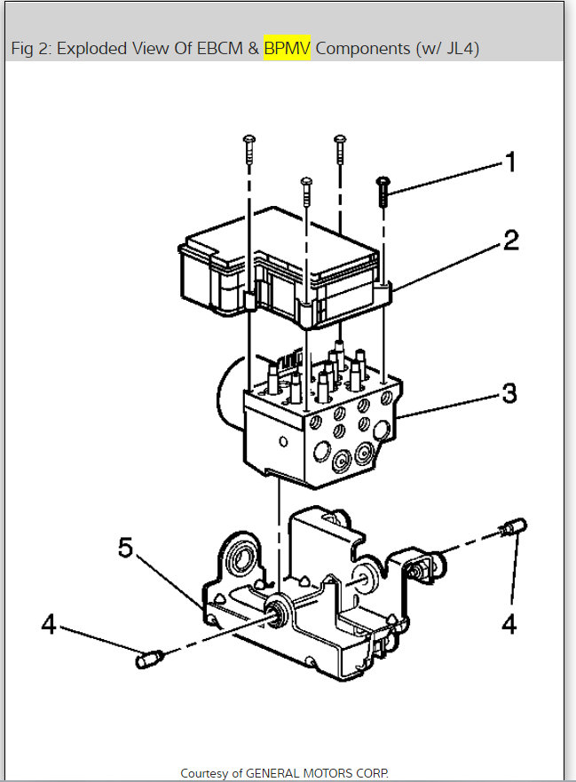
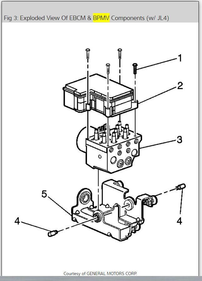
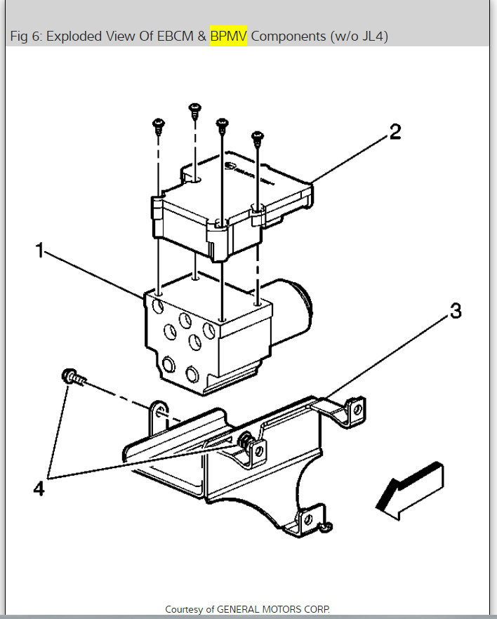
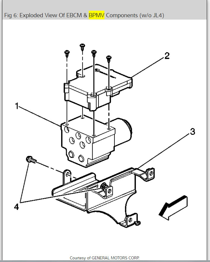
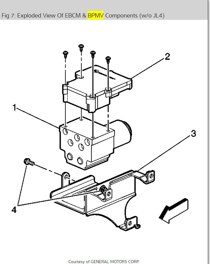
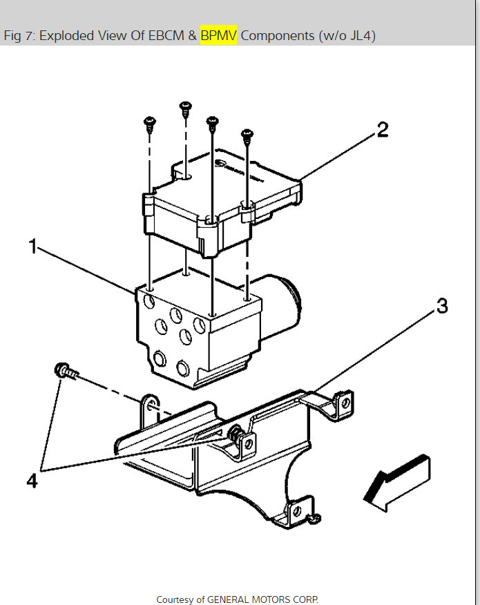
Fluid is leaking from ABS computer module under drivers side. Will changing the module fix leak? I watched YouTube video on how to change it. But it only shows top of module being replaced. Can entire fixture be replaced or do I need to keep looking for leak from elsewhere else?


























