Both high beams lights not working?

Tiny
JJV_119
  • MEMBER
  • 2006 CHEVROLET TRAILBLAZER
  • 6 CYL
  • 4WD
  • AUTOMATIC
  • 126,000 MILES
Hi, my vehicle listed above EXT model, both high beam lights are not working. I checked the bulbs, fuse and relay and are appeared to be working.

What do you suggest I try next?

Thanks,
John
Thursday, November 16th, 2023 AT 4:03 AM

3 Replies

Tiny
KEN L
  • MASTER CERTIFIED MECHANIC
  • 55,522 POSTS
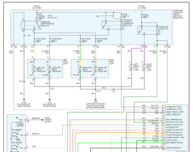
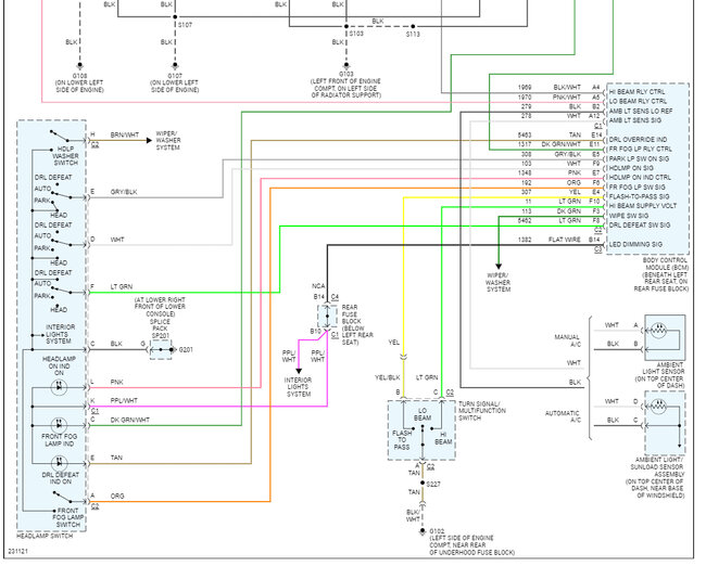
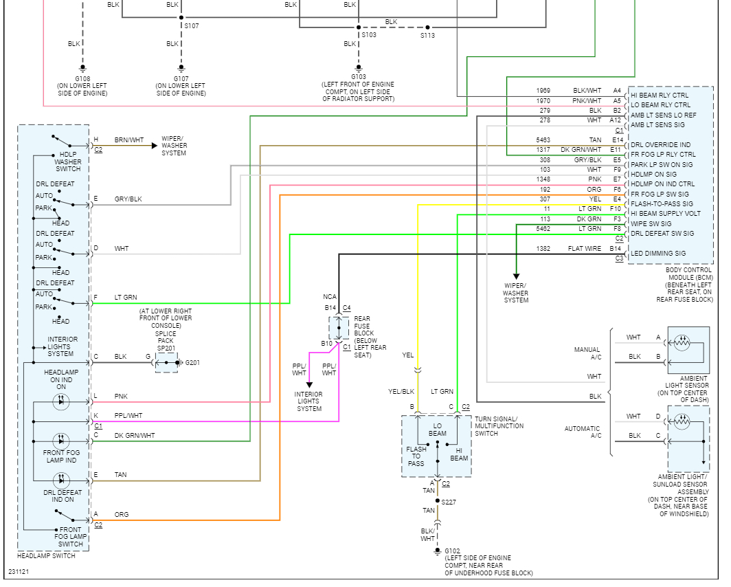
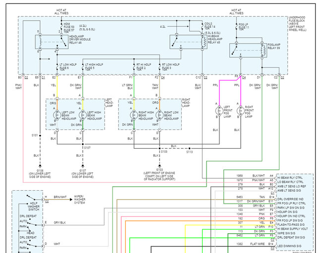
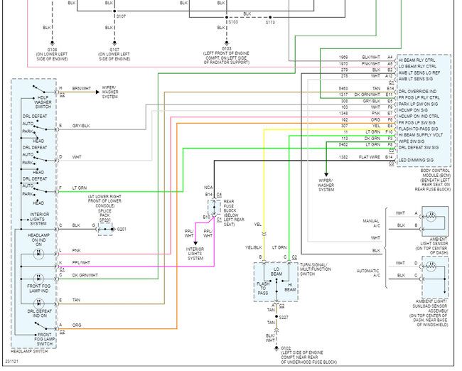
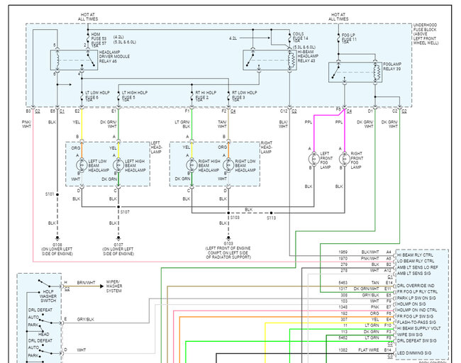
There is a headlamp relay #43 we need to look at because it sounds like it is not working. Here is the location of the relay and I have included the headlight high beam and low beam wiring diagrams so you can see how the system works as well. Check out the images (below). Let us know how it goes.
Was this
answer
helpful?
Yes
No
+1
Thursday, November 16th, 2023 AT 11:03 AM
Tiny
JJV_119
  • MEMBER
  • 2 POSTS
Thanks for the help the relay was the problem.
Was this
answer
helpful?
Yes
No
Friday, November 17th, 2023 AT 2:08 PM
Tiny
KEN L
  • MASTER CERTIFIED MECHANIC
  • 55,522 POSTS
Thanks for letting us know, we are here to help, please use 2CarPros anytime.
Was this
answer
helpful?
Yes
No
Friday, November 17th, 2023 AT 5:08 PM

Please login or register to post a reply.