Saturday, May 11th, 2019 AT 6:02 PM
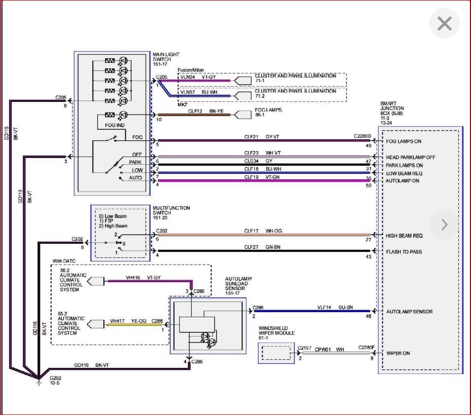
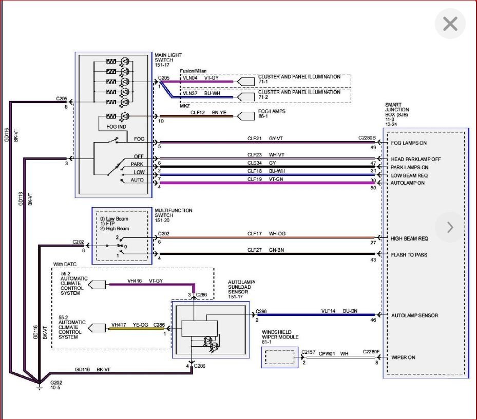
I have a 2010 Ford Fusion SE 4-cyl. Both headlight low beam bulbs began to dim about 2 months ago. High beams are fine. I had a free electrical system & battery check performed by Advance Auto Parts store. Everything passed their tests fine. Ford dealer nonchalantly said it's the wiring harness without performing any visual or hands-on tests. Is there one wiring harness that connects / controls both bulbs? Could a bad ground affect both bulbs? Could there be a fault in the Smart Junction Box that would allow both bulbs to dim without shutting them down completely? Any suggestions of what / how to diagnose are appreciated. Thank you.
















