Aftermarket stereo installation

Tiny
TJ 81
  • MEMBER
  • 2011 CHEVROLET SILVERADO
  • V8
  • 4WD
  • 160,000 MILES
There are 4 connections to the radio.
(2) go to wiring harness, (1) antenna, (1) micro USB? I want to install an aftermarket radio but I don't know what the micro-USB is for? Also when I took out the Bose, the backup park assist stopped working.
Saturday, May 15th, 2021 AT 11:30 AM

1 Reply

Tiny
JACOBANDNICKOLAS
  • MECHANIC
  • 110,192 POSTS
Hi,

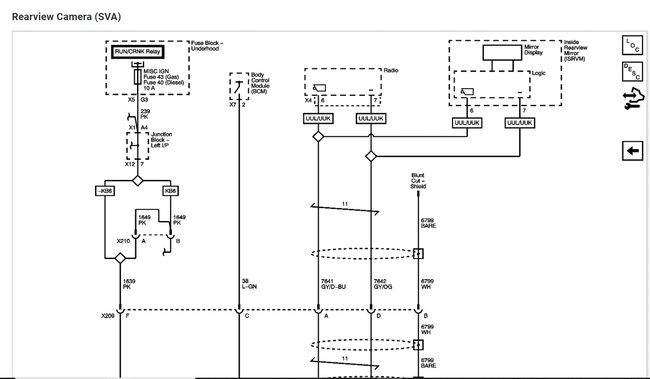
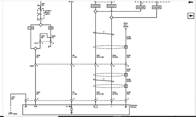
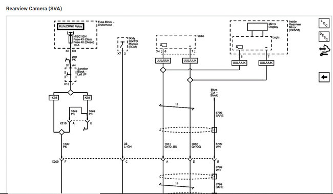
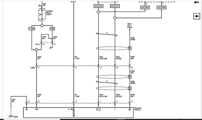
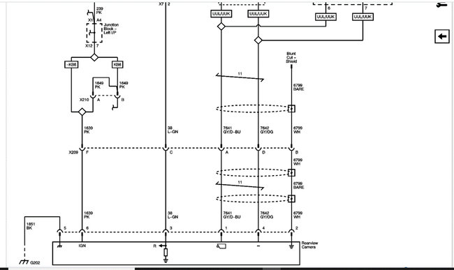
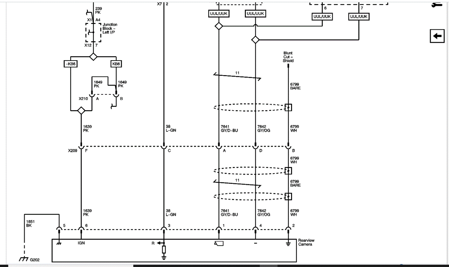
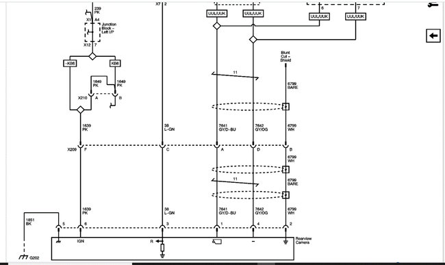
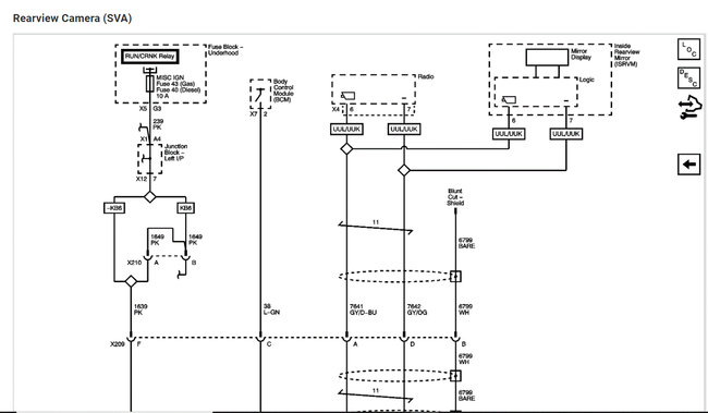
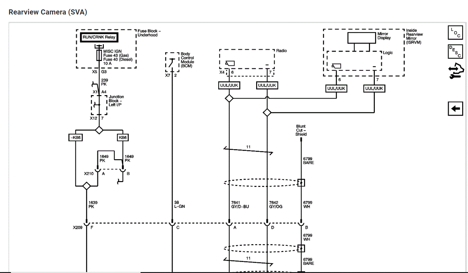
When you removed the radio, you opened the park assist system was opened. The beeping is powered via the radio. If you look at pic 1, I highlighted where it is indicated in the operation of the unit. Also, pics 2 and 3 are the schematic. You can see where the radio is tied in.

When you say it has a micro USB, that is usually just another input connection for the radio. I can tell you that USBs are starting to be used for other purposes. Some manufacturers are using them to connect the different systems. Since you only have two wires, the antenna, and the USB, I suspect the following. The two wires are likely a power supply and a ground. The antenna wire is just that. The USB connection is for the speakers. If that is the case, you will likely need to get an adapter to wire into your truck.

I'm not sure what you are seeing as far as wiring on the new radio. If you look at pic 4 below, I listed the radios that were options in your vehicle. If you tell me which one is yours, I will be able to provide the wiring schematic.

Let me know.

Take care,

Joe

See pics below.
Was this
answer
helpful?
Yes
No
Sunday, May 16th, 2021 AT 8:52 PM

Please login or register to post a reply.