Boot/trunk latch activator

Tiny
MICHAEL LYNCH2
  • MEMBER
  • 2009 FORD FALCON
  • 4.0L
  • 6 CYL
  • 2WD
  • AUTOMATIC
  • 100 MILES
I have a problem where there is no power to the boot/trunk latch activator. I believe the wiring goes to the BEM. I have to take out the front seats and the center consul to get to the BEM. I have checked the actuator by connecting directly to a twelve volt supply and it works okay. There are three wires that go to it. A ground and a positive and also a switch wire. I imagine that the actuator should be powered up all the time and the switch wire breaks the circuit to allow the solenoid to open the latch when the remote button is pushed. There is no loose connections in the trunk/boot. There is no voltage at the positive and ground connection. The wiring disappears in behind the rear seat parcel shelf so I cant trace it further than that although I imagine it flows under the carpet and up to the BEM. Is there further tests I can do before I pull out half the interior and dash tho get to the BEM? Am I missing anything? I have checked all the fuses under the dash and under the hood and all are testing OK.

I have already done an OBDII scan and there are no fault codes. I am sure that the majority of trunk latches that are triggered from the BEM will operate the same way. There must be someone with experience on similar that can me some advice on what I am looking for. If it ran off a relay as some do then I would swap out the relay. However swapping out the BEM obviously brings with it coding issues. All other BEM controlled functions work central locking electric windows security system. Even the trunk remote triggers the flashing indicators just no power at the latch itself.
Saturday, April 1st, 2017 AT 12:43 AM

3 Replies

Tiny
HMAC300
  • MECHANIC
  • 48,601 POSTS
We do not have falcons in USA but if you used an auto parts scanner and not a pro style scanner they will not read any codes other than engine/transmission codes. You need a professional style to read body module codes and you may have another besides a body module for your trunk latch. Or it may be a can/bus problem where one module is not talking to another like it should so it will not work. Have you checked the switch to make sure it works as well? Like I said we have no info on these so no diagrams to give you any further info.
Was this
answer
helpful?
Yes
No
Saturday, April 1st, 2017 AT 9:35 AM
Tiny
MICHAEL LYNCH2
  • MEMBER
  • 23 POSTS
Thanks I am aware that you do not have Falcons in the US. Yes I have checked the switch wire and when the trunk remote is pressed I get a half volt drop on that wire so I guess that is an indicator that the BEM has received the signal switched.
Was this
answer
helpful?
Yes
No
Saturday, April 1st, 2017 AT 6:47 PM
Tiny
KEN L
  • MASTER CERTIFIED MECHANIC
  • 55,512 POSTS
Hello,

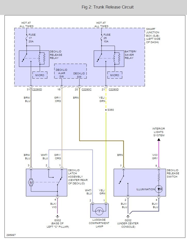
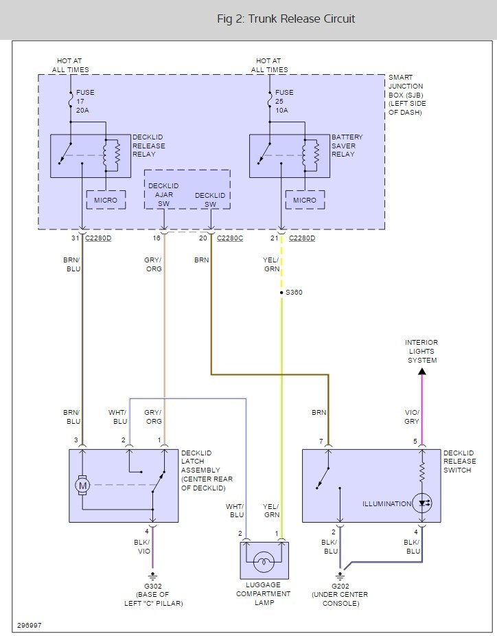
I found this wiring diagram for you, it looks like there are a couple of relays that run the system that could have failed here is a guide to help you do some testing.

https://www.2carpros.com/articles/how-to-check-an-electrical-relay-and-wiring-control-circuit

Please run some tests and get back to us so we can continue helping you.

Best, Ken

Was this
answer
helpful?
Yes
No
Tuesday, April 4th, 2017 AT 2:23 PM

Please login or register to post a reply.