Tuesday, September 4th, 2007 AT 7:04 PM
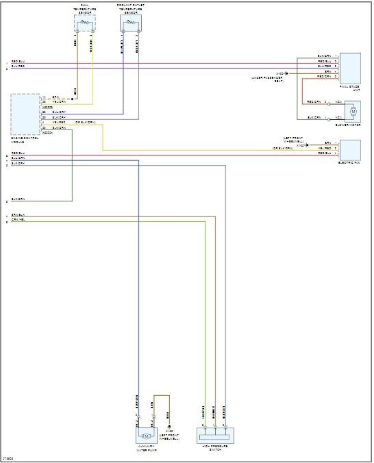
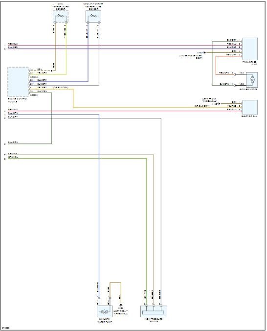
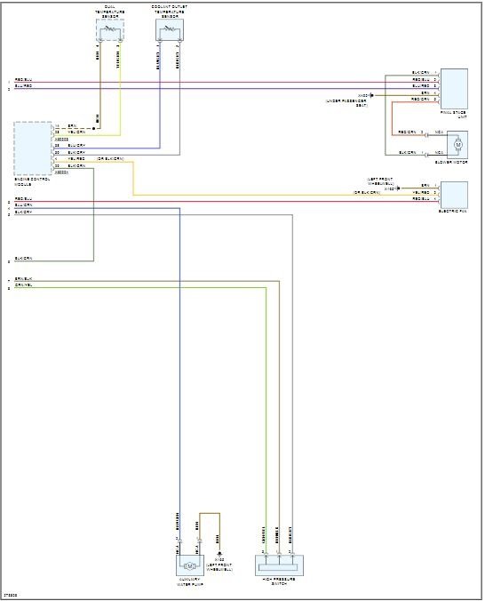
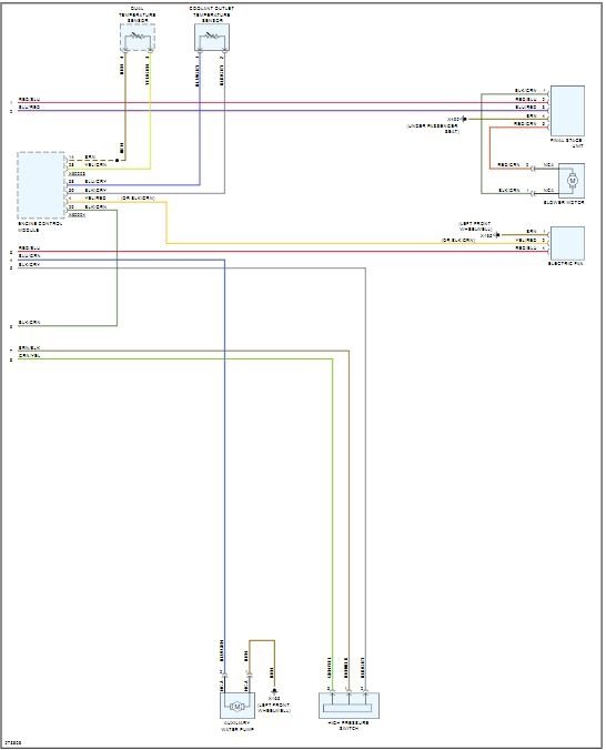
I have BMW x5 3.0I 2002 81,400 miles no prior maintenance. The blower continues to run with the engine off. Pulling a 50 amp fuse labeled blower is the only way to stop the blower and prevent the battery from running down. Would be very thankful for any help. H Tanner





