Blown fuse

Tiny
BLAZER4X6
  • MEMBER
  • 2002 FORD F-350
  • 7.3L
  • V8
  • TURBO
  • 4WD
  • AUTOMATIC
  • 98,000 MILES
Gauges are not working and no power at the accelerator, power at fuse box. I run a hot wire to the accelerator and the gauges are working. What can I do to fix that without running a hot wire to the accelerator?
Saturday, January 20th, 2018 AT 4:56 PM

5 Replies

Tiny
CJ MEDEVAC
  • MECHANIC
  • 11,005 POSTS
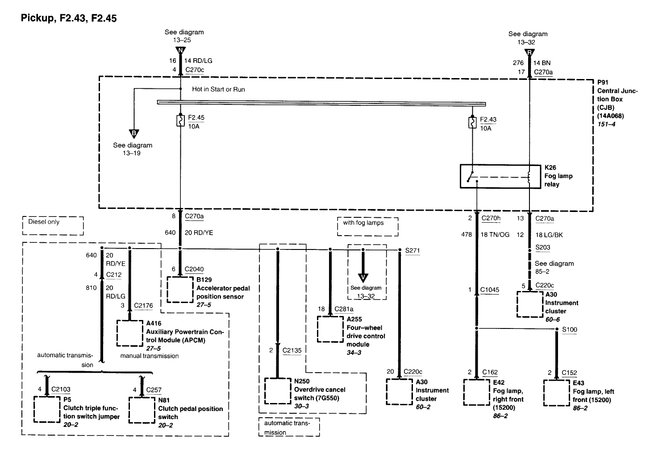
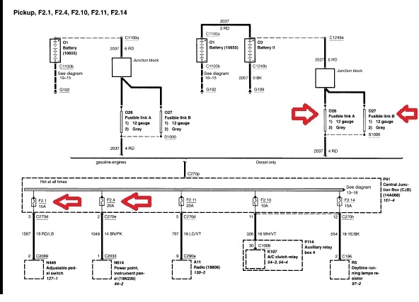
I just looked over some diagrams.

There was a recall on the adjustable accelerator pedal sensor back in 2004.

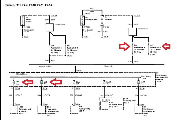
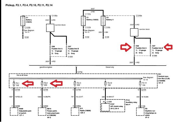
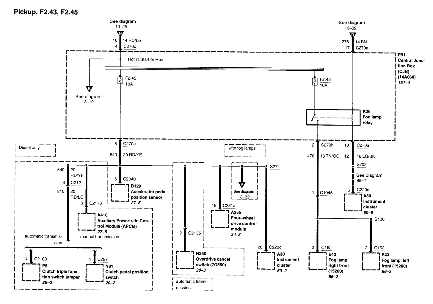
As far as power to the pedal, I found this "pin" diagram (see below).

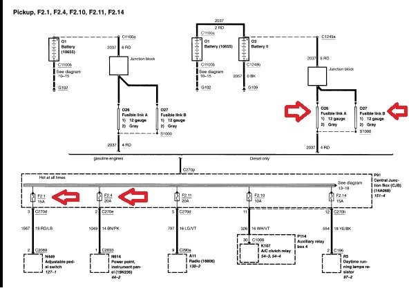
In other diagrams I found fusible links and four fuses related to the gauge pedal. Second picture and I am listing the fuses I came across.

F2.1 15 AMP.
F2.4 20 AMP.
F2.35 10 AMP.
F2.41 10 AMP.

Maybe this will aid you.

The Medic
Was this
answer
helpful?
Yes
No
Saturday, January 20th, 2018 AT 8:49 PM
Tiny
BLAZER4X6
  • MEMBER
  • 3 POSTS
Thanks for your quick response. I checked all the fuses there is power. However, still no power to the pedal with the key in the run position. By running hot wire from the fuse box to number six position on the harness at the pedal the gauges work and the pedal works. Can you give me the location of the fusible link associated with the pedal please?
Was this
answer
helpful?
Yes
No
+1
Sunday, January 21st, 2018 AT 10:08 AM
Tiny
CJ MEDEVAC
  • MECHANIC
  • 11,005 POSTS
I am still looking for a location.

Along the way, I found another fuse to check.

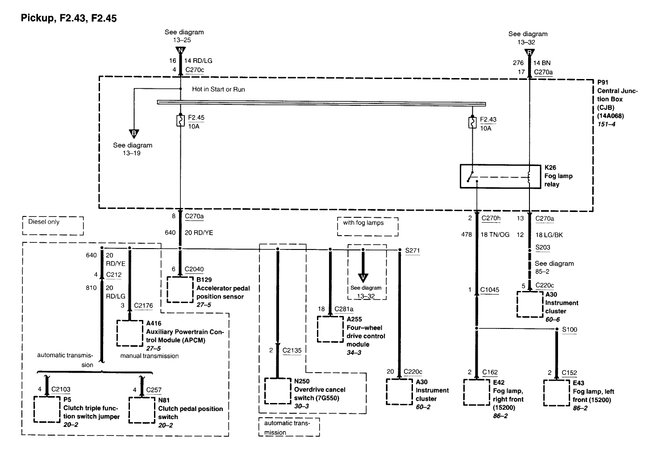
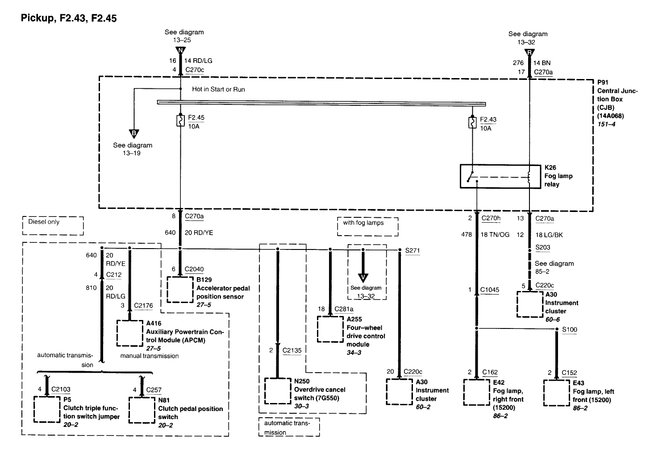
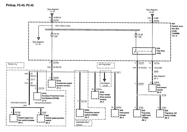
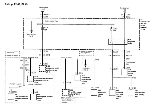
F2.45

I am still at it.

The Medic
Was this
answer
helpful?
Yes
No
Sunday, January 21st, 2018 AT 4:15 PM
Tiny
STEVE W.
  • MECHANIC
  • 15,671 POSTS
Looking at the wiring your jumper wire is feeding back into the circuit that is fed from fuse 45 (10 amp) in the junction panel fuse box under the dash on the drivers side.
It is one of multiple feeds from that fuse. All using a Red/Yellow wire the same as the feed into pin 6 on the TPPS that you are using. The Auxiliary powertrain control module, Overdrive cancel, Instrument cluster and 4X4 control module are the others. (There are a couple others but not used with auto trans)

My bet is that the fuse connectors for fuse 45 in the box are bad. That would give the sign that the fuse is good but the power never leaves the box. My suggestion would be to check the fuse and the clips. Easiest way would be to use a 10 amp inline fuse and jumper the fuse terminals. If power returns at pin 6 on the TPPS the output side fuse clip is bad. If it doesn't the failure is deeper in the fuse box on the splice buss. The repair for that would be a fused jumper to bypass the fuse connection in the box or replace the fuse box.
Was this
answer
helpful?
Yes
No
+1
Monday, January 22nd, 2018 AT 3:08 PM
Tiny
BLAZER4X6
  • MEMBER
  • 3 POSTS
Thanks for your response I appreciate it I'll check that out.
Was this
answer
helpful?
Yes
No
Monday, January 22nd, 2018 AT 3:28 PM

Please login or register to post a reply.