Blown brake fuse

Tiny
MARKSCRAMBLER
  • MEMBER
  • 1983 JEEP SCRAMBLER/CJ8
  • 5.7L
  • V8
  • 4WD
  • AUTOMATIC
  • 57,800 MILES
Blowing brake fuse every time I activate the brake. Running lights work fine, but also do
not have turn signals. I have installed a new brake switch and turn signal actuator.
Wednesday, October 31st, 2018 AT 3:56 PM

9 Replies

Tiny
CJ MEDEVAC
  • MECHANIC
  • 11,004 POSTS
So,

Looks like a short somewhere.

Three places to start out.

Unplug your tail light fixture assembly on both sides.

Do you have a trailer pigtail? Either disconnect it or really really look it over from one end to the other for chaffs on the insulation where it might contact metal.

Going with the disconnected light fixtures.

Have some new fuses handy!

Touch the brake pedal.

Lose another fuse? If so, your problem is between the lights and the switch.

If the fuse remains intact, plug in one of the light fixtures and touch the brake again. Blow or no blow? Repeat with the other fixture. If the problem is in a fixture, one of them will blow it.

Let's also try unplugging the turn signal switch on the column. Did the blowing cease?

Make sense?

Send results.

The Medic
Was this
answer
helpful?
Yes
No
Wednesday, October 31st, 2018 AT 6:09 PM
Tiny
MARKSCRAMBLER
  • MEMBER
  • 4 POSTS
Okay,
I have disconnected the rear taillights (at the main connector under dash) touched brake and blew the fuse.

I next disconnected the steering column connector and reconnected the rear lights. Touched the brake and no brake light, but the fuse remained good.

When I reconnect the steering column and touch the brake, the fuse blows.

I even replaced the turn signal actuator with attached wires and it still blows the fuse. Frustrating.

The Jeep has no trailer pigtail.

The connector attached to the brake switch at the peddle there are two wires, one dark red with a black line shows 12 volts, the other wire, a lighter red has nothing when the column connector is disconnected. When I reconnect the column wires the same lighter red wire shows that its grounded. Is this supposed to be?

Hopefully I have not confused you too much.

Thank you again in advance!

Mark
Was this
answer
helpful?
Yes
No
Thursday, November 1st, 2018 AT 3:13 PM
Tiny
STEVE W.
  • MECHANIC
  • 15,606 POSTS
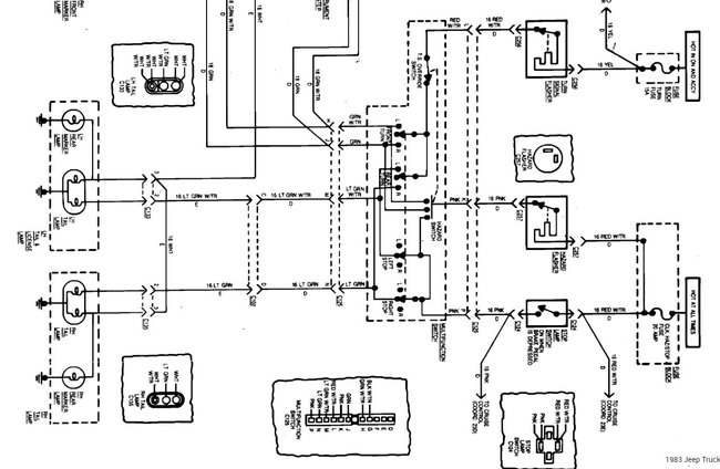
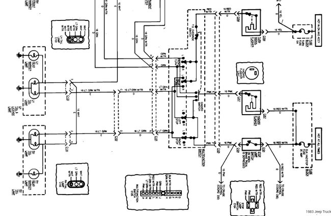
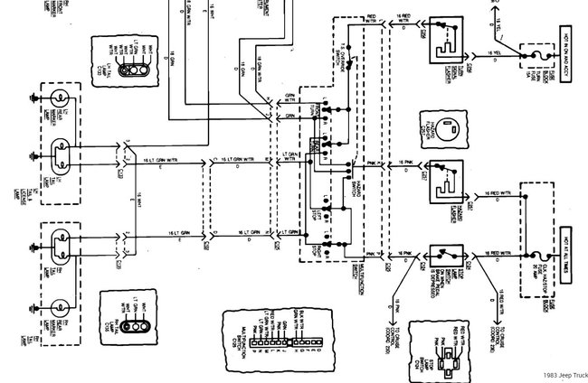
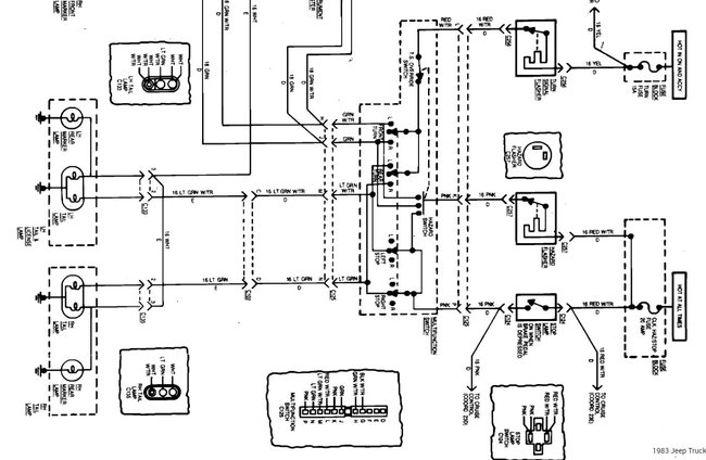
The attached shows the brake lamp circuit. The pink wire should not show a ground. It feeds the multi-function and hazard switches. Remove the brake bulbs then see if the short is gone if not (I suspect it will still be there) turn the signal switch to left and right does the short go away in either or both positions? If it is gone to one side, the other side has the short. If it does not go away it is something in the hazard circuit.
Was this
answer
helpful?
Yes
No
Thursday, November 1st, 2018 AT 4:26 PM
Tiny
CJ MEDEVAC
  • MECHANIC
  • 11,004 POSTS
I hate wasting your fuses!

This elimination process is pretty quick though!

Let's try a few more things.

We are going to save your fuses!

These next six lines are stolen from a post "caradiodoc", answered, he is a super expert at 2carpros, (he posts this from time to time dealing with shorts). It works really well. I am going to add and remove a few words to make it work for you.

Rather than installing a new fuse, use a pair of thin spade terminals in the (fuse holder) socket and a pair of jumper wires to connect a 12 volt light bulb such as a brake light bulb. It should be full brightness (when you touch the brakes-or when a short is present).

Those bulbs get real hot, so watch your skin, seats, carpet (put bulb in a safe spot!)

Understand the test?

Now let's check stuff!

Touch brake, short present, test bulb will be on!

Take out your flasher, results?

Turn on right turn signal, results?

Turn on the left turn signal, results?

Wiggle wires while depressing the brake pedal, light go out or blink?

Maybe you pinched a wire in the column?

Update me!

The Medic
Was this
answer
helpful?
Yes
No
Thursday, November 1st, 2018 AT 4:36 PM
Tiny
MARKSCRAMBLER
  • MEMBER
  • 4 POSTS
Thank you, I will give it a try. I will not be able to remove the bulbs due to they are potted LED units.
Was this
answer
helpful?
Yes
No
Thursday, November 1st, 2018 AT 4:38 PM
Tiny
CJ MEDEVAC
  • MECHANIC
  • 11,004 POSTS
Not big on the LEDs and other modern lighting. Sometimes they require yet another factor in the equation to make them work. Such as one of these.

https://shop.advanceautoparts.com/web/PartSearchCmd?storeId=10151&catalogId=10051&langId=-1&pageId=partTypeList&actionSrc=Form&searchTerm=led+flasher

Maybe they somehow fried the turn signal switch?

Keep testing, I just thought I throw that in.

I have the 1979 AMC diagram that I colored the wires, I will remove the lighting from the overall diagram to make it easier to read if you like.

Thanks for assisting STEVE W.!

The Medic
Was this
answer
helpful?
Yes
No
Thursday, November 1st, 2018 AT 4:51 PM
Tiny
CJ MEDEVAC
  • MECHANIC
  • 11,004 POSTS
Okay, four diagrams-I colored them years back.

White wires are shown "black" (Duh)

Tracer stripe colors were not provided on the diagram.

So I colored the wires (base color which was shown) and I "dotted line" in black or blue for the ones with tracers (it does make it a bit easier to identify them)

(I had no choice as I was not going to tear every tracered wire out of my Jeep to see what color it was!)

Some "tight spots" you really have to look where the wire goes. The wire writing on the wire might confuse you.

This is a 1979 diagram, the lighting portion is probably the same, this year did not have a computer.(Which was a good thing!)

Below are the full diagram (left and right) and the lighting part I tore out of the full diagram (left and right)

The diagrams overlap-I "red arrowed" about where the stop light switch is located.

The Medic
Was this
answer
helpful?
Yes
No
Thursday, November 1st, 2018 AT 5:36 PM
Tiny
MARKSCRAMBLER
  • MEMBER
  • 4 POSTS
Thank you very much! I will be on it tomorrow!
Was this
answer
helpful?
Yes
No
Thursday, November 1st, 2018 AT 5:42 PM
Tiny
CJ MEDEVAC
  • MECHANIC
  • 11,004 POSTS
Dang!

If my baby were down,

He would get 'round the clock attention! LOL!

We will see you tomorrow evening.

The Medic
Was this
answer
helpful?
Yes
No
Thursday, November 1st, 2018 AT 5:53 PM

Please login or register to post a reply.