Monday, October 19th, 2020 AT 2:50 PM
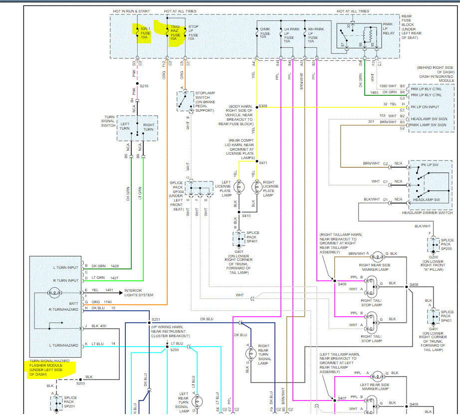
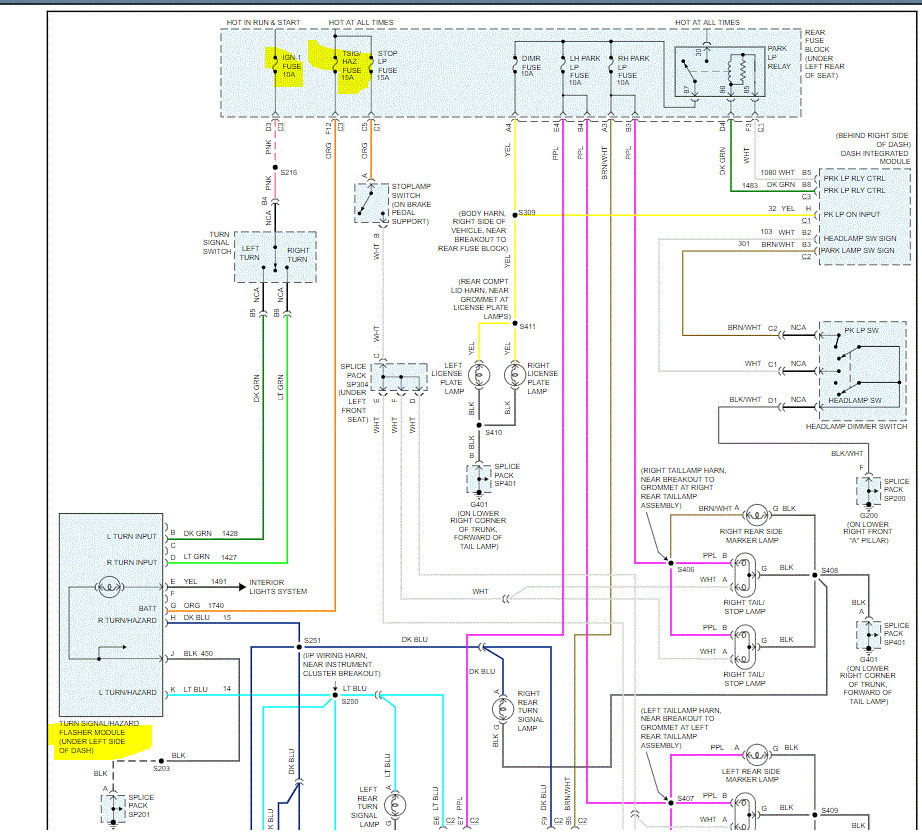
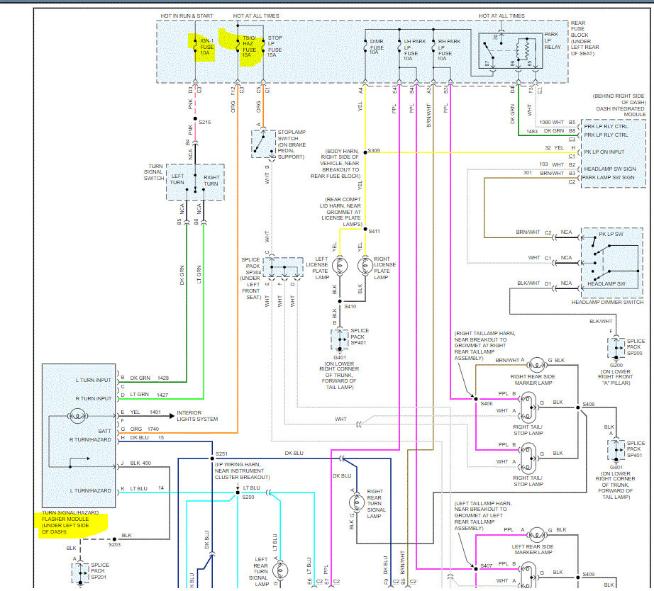
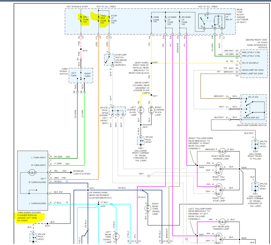
Front A/C blower, left side headlamp, parking lights, rear and turn signal don't work. Back up emergency signal don't stop, door does not lock. Runs real good with no other problems.


