Car shut off while driving found PCM fuse blown

Tiny
KEVINRC
  • MEMBER
  • 2001 FORD TAURUS
  • 3.0L
  • 6 CYL
  • 2WD
  • AUTOMATIC
  • 157,000 MILES
I tried another blew again. Tried relay didn’t work. Disconnected PCM still blows. Most likely short somewhere. Does anyone have schematics for PCM fuse or any other ideas?
Friday, November 29th, 2019 AT 5:22 PM

10 Replies

Tiny
SCGRANTURISMO
  • MECHANIC
  • 4,897 POSTS
Hello,

Your PCM fuse keeps blowing because you have a short to ground somewhere in the electrical circuit that the fuse is protecting. This happens because of Ohm's Law, the laws that govern electricity. Ohm's Law states that if one of the properties of electricity remains constant[Voltage- In a vehicle voltage is constant[battery voltage]] and on of the remaining two go down[Resistance- The resistance goes to zero when there is a direct path back to the battery negative terminal] then the last property[Amperage/Current- Amperage goes to battery amperage] MUST go up proportionally. The amperage exceeds the amperage rating of the fuse, and, "POP", the fuse blows protecting the component[s] in the circuit[s] that is was protecting, just like it's supposed to.In the diagrams down below I have included the wiring diagrams for your vehicle's engine management circuits as well as a guide on how to shorts to ground in an automotive electrical circuit. You will need to use a Digital Multi-meter [DMM] to go through these guides, so here is a link below explaining how to use one, if needed:

https://www.2carpros.com/articles/how-to-use-a-voltmeter

Please go through these guides and get back to us with what you find out.

Thanks,
Alex
2CarPros
Was this
answer
helpful?
Yes
No
+1
Friday, November 29th, 2019 AT 6:19 PM
Tiny
KEVINRC
  • MEMBER
  • 6 POSTS
Thank you so much. Will these schematics show all wiring for the PCM fuse? I will let you know what I find.
Was this
answer
helpful?
Yes
No
Friday, November 29th, 2019 AT 9:24 PM
Tiny
SCGRANTURISMO
  • MECHANIC
  • 4,897 POSTS
Hello,

In the diagrams down below I have included the diagram and callout for the Central Junction Box CJB which is located below and to the left of the steering wheel, by the brake pedal. Please let us know what you find out.

Thanks,
Alex
2CarPros
Was this
answer
helpful?
Yes
No
+1
Friday, November 29th, 2019 AT 11:06 PM
Tiny
KEVINRC
  • MEMBER
  • 6 POSTS
Do any of you have the schematics for the charging system? Not sure if it’s related my orange and light blue wire going to alt connector does not have power and that fuse is good that wire has to be broken somewhere.
Was this
answer
helpful?
Yes
No
Saturday, November 30th, 2019 AT 9:12 AM
Tiny
KEVINRC
  • MEMBER
  • 6 POSTS
Looking at these schematics how do isolate these wires to find the short? I see there’s many splices but no connectors except for the parts injectors and so forth.
Was this
answer
helpful?
Yes
No
Saturday, November 30th, 2019 AT 10:31 AM
Tiny
SCGRANTURISMO
  • MECHANIC
  • 4,897 POSTS
Hello again,

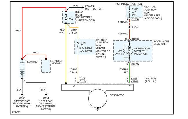
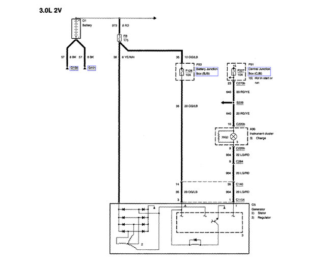
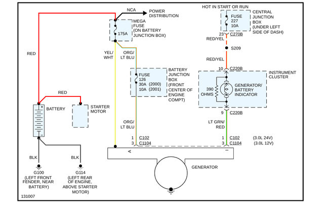
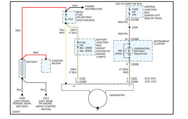
In the diagrams down below I have included the wiring diagram for your vehicle's charging circuit as well as guides for how to find unwanted resistance in an automotive circuit via voltage drop and how to find opens in an automotive circuit. Please go through these guides and get back to us with what you find out.

Thanks,
Alex
2CarPros
Was this
answer
helpful?
Yes
No
+1
Saturday, November 30th, 2019 AT 10:36 AM
Tiny
KEVINRC
  • MEMBER
  • 6 POSTS
Okay, yesterday I disconnected the PCM and I still had a short to ground I plugged it back in. I started checking the wires using the schematics I checked at the MAF sensor, coil pack they all showed short to ground I disconnected the PCM again was going to check wiring there but after I disconnected it I found the short was gone I wrecked at a couple of the sensors I already checked the short was gone. I reconnected everything and the car started. Either I got lucky or it’s a intermittent problem.I ran it for a little while checked battery it’s not charging. The fuse is fine I don’t have power at the alternator at the orange and blue wire I started trying to trace it, it runs towards the PCM. By the schematics it shows it going straight from fuse to alt connector so where can I ck that wire somewhere else to trace that problem. Thanks, Kevin.
Was this
answer
helpful?
Yes
No
Saturday, November 30th, 2019 AT 12:05 PM
Tiny
SCGRANTURISMO
  • MECHANIC
  • 4,897 POSTS
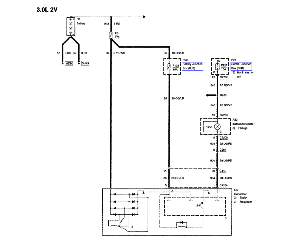
Hello again,

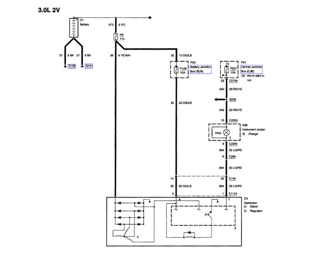
Okay, so in the diagrams down below I have included the Original Equipment Manufacturer [OEM] wiring diagram for the alternator. It basically shows the exact same thing as the other charging system wiring diagram. I have also included a guide for how to induce an intermittent problem to an automotive circuit for you as well. Please report back with what you find out.

Thanks,
Alex
2CarPros
Was this
answer
helpful?
Yes
No
+1
Saturday, November 30th, 2019 AT 4:54 PM
Tiny
KEVINRC
  • MEMBER
  • 6 POSTS
Update on car. The PCM fuse has not blown again. I tried wiggle test on most of wiring I could get to didn’t blow. As far as charging system found wire broken under intake repaired wire and is charging fine thanks for help I really appreciate it. Kevin
Was this
answer
helpful?
Yes
No
Tuesday, December 3rd, 2019 AT 1:11 PM
Tiny
SCGRANTURISMO
  • MECHANIC
  • 4,897 POSTS
Hello again,

Sounds great. We are happy to hear you got everything fixed.

Thanks,
Alex
2CarPros
Was this
answer
helpful?
Yes
No
Tuesday, December 3rd, 2019 AT 5:32 PM

Please login or register to post a reply.