HVAC blow stuck on the high setting

Tiny
KATHY CROPPER
  • MEMBER
  • 1999 CADILLAC ESCALADE
  • 130,000 MILES
The blower is constantly going on high and cannot turn it off or lower it.
Monday, June 27th, 2022 AT 9:58 AM

1 Reply

Tiny
JACOBANDNICKOLAS
  • MECHANIC
  • 110,194 POSTS
Hi,

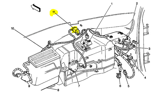
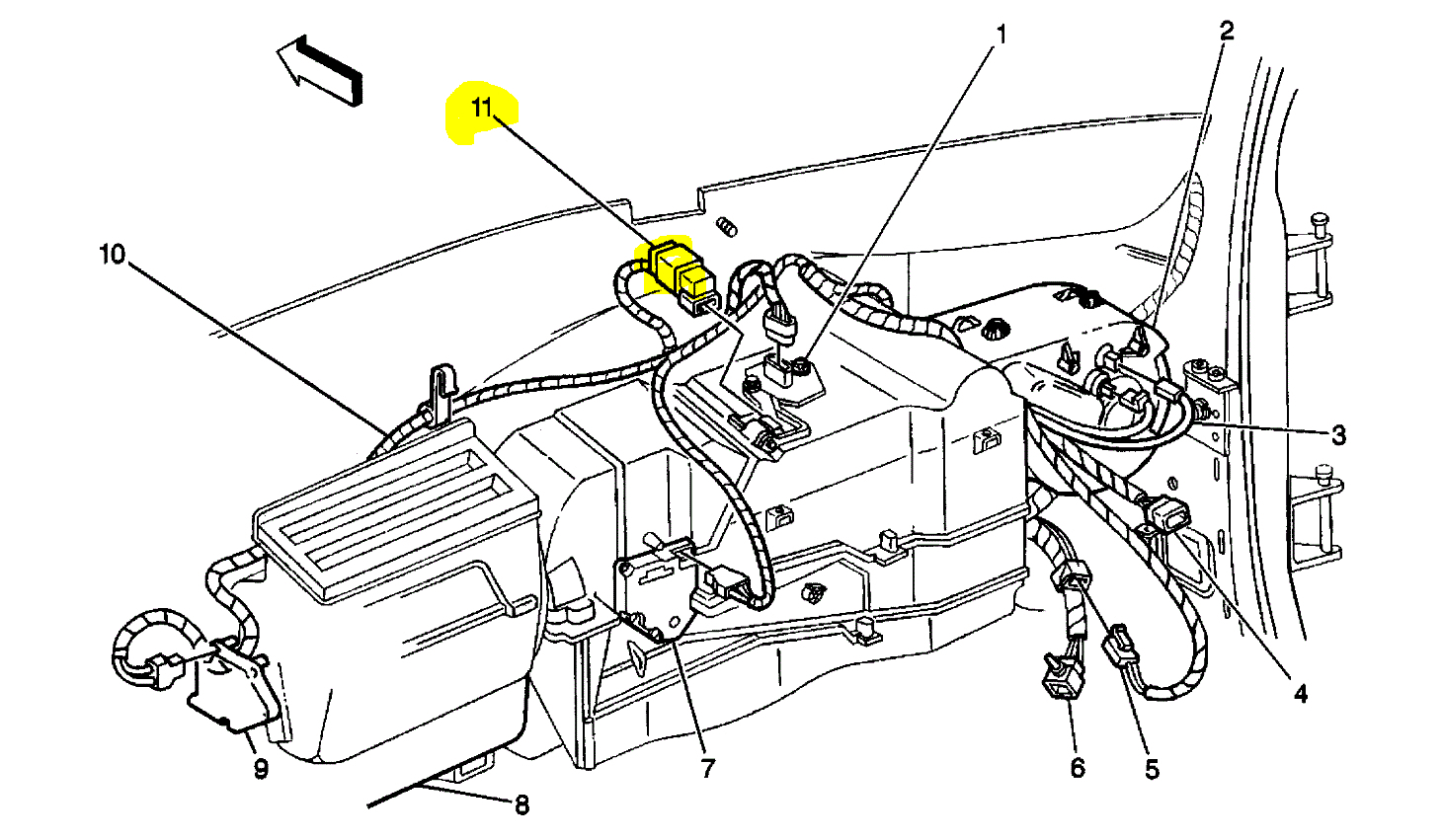
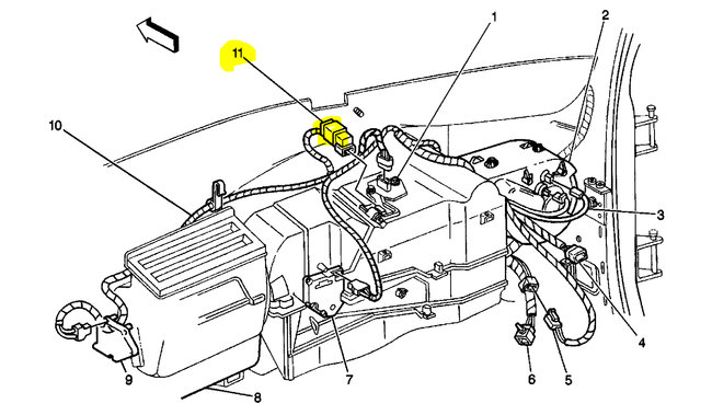
If you are unable to turn it off, my first suspect is the blower motor high relay. It is located behind the instrument panel compartment. See pic 1 below.

The remaining pics are the directions for the removal and installation of the relay. I would start by removing it and testing it. Here is a link that explains how to test a relay:

https://www.2carpros.com/articles/how-to-check-an-electrical-relay-and-wiring-control-circuit

Let me know what you find or if you have other questions.

Take care,

Joe

See pics below.
Was this
answer
helpful?
Yes
No
Monday, June 27th, 2022 AT 9:18 PM

Please login or register to post a reply.