Blower motor works intermittently?

Tiny
MSTEXAS21
  • MEMBER
  • 2008 DODGE TRUCK
  • 6.7L
  • 6 CYL
  • TURBO
  • 2WD
  • AUTOMATIC
  • 200,000 MILES
The blower motor barley blows, and it makes no difference if it's on low or high. We replaced the resistor and no change. Sometimes you can kick the bottom panel or hit a bump and it will start blowing. It has a mind of its own, it works when it wants too. The truck listed above is 2500 6.7 diesel.
Saturday, July 30th, 2022 AT 6:13 AM

1 Reply

Tiny
CARADIODOC
  • MECHANIC
  • 34,491 POSTS
There's a whole bunch of dandy suspect places to find the cause of this problem. By far the most likely cause is worn brushes in the blower motor, especially at the mileage you listed. Your observation of the motor may start to run after hitting a bump in the road fits this problem. The jarring will turn the motor's armature just enough for the worn brush to make contact, then, once the motor starts to run, the big clue is it will always continue to run until you turn it off. Next time it may not start again. More on this in a minute.

The best way to diagnose this is with a series of voltage tests. You can use a digital voltmeter, but an inexpensive test light will work just as well. Here's links to some related articles, if you need them:

https://www.2carpros.com/articles/how-to-use-a-test-light-circuit-tester

https://www.2carpros.com/articles/how-to-use-a-voltmeter

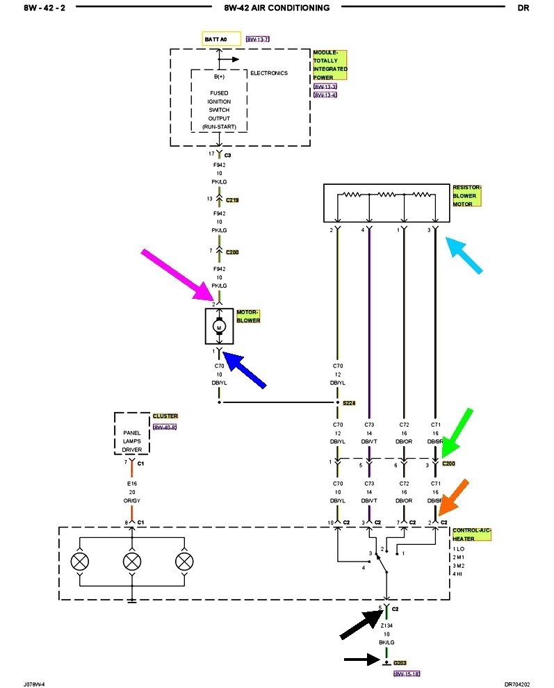
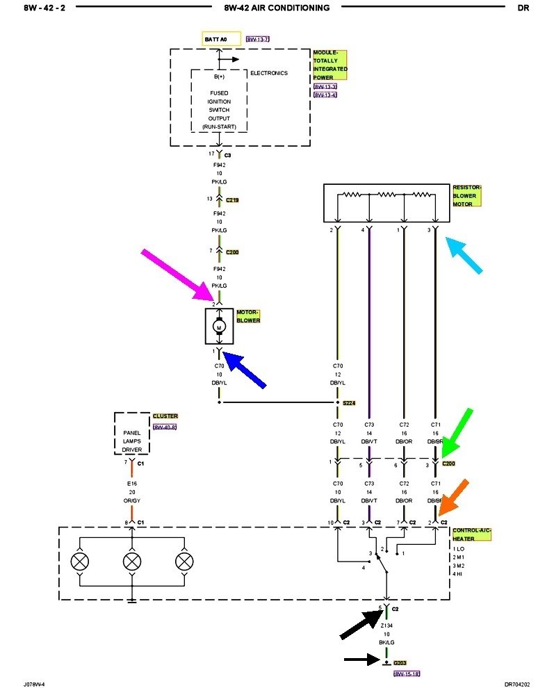
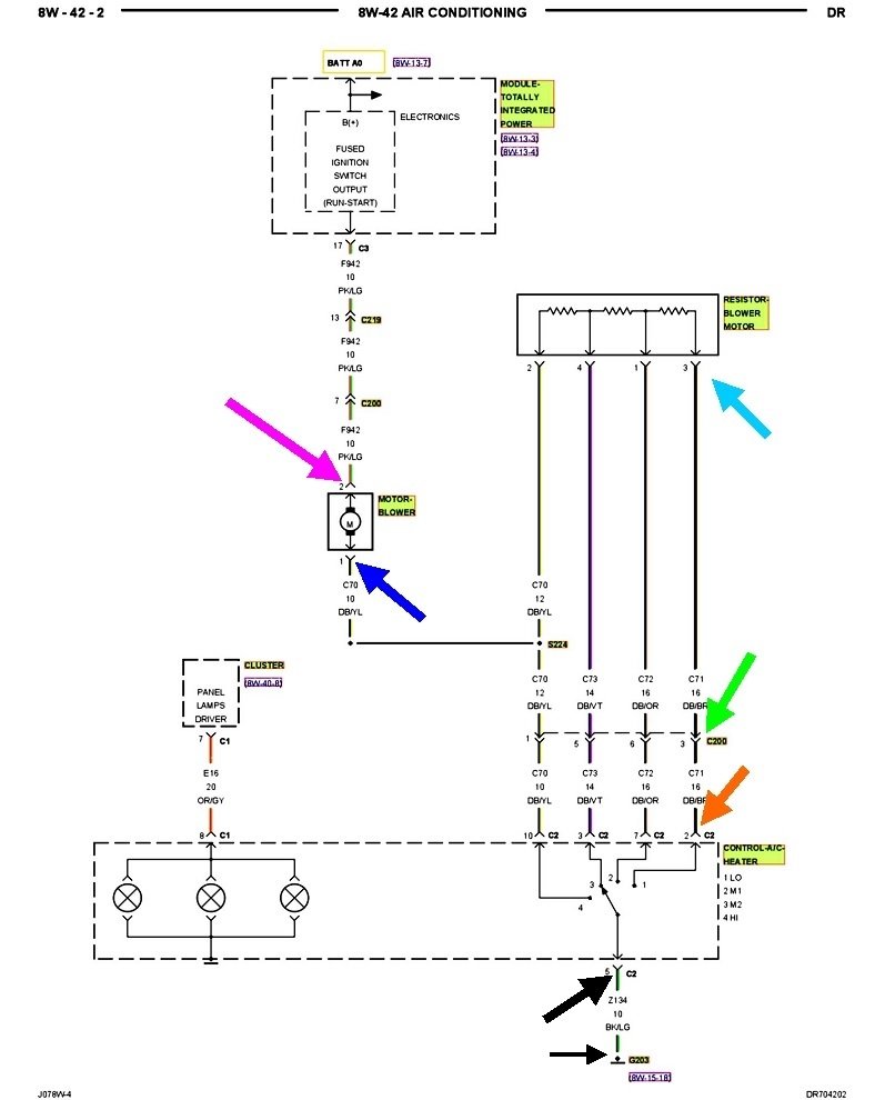
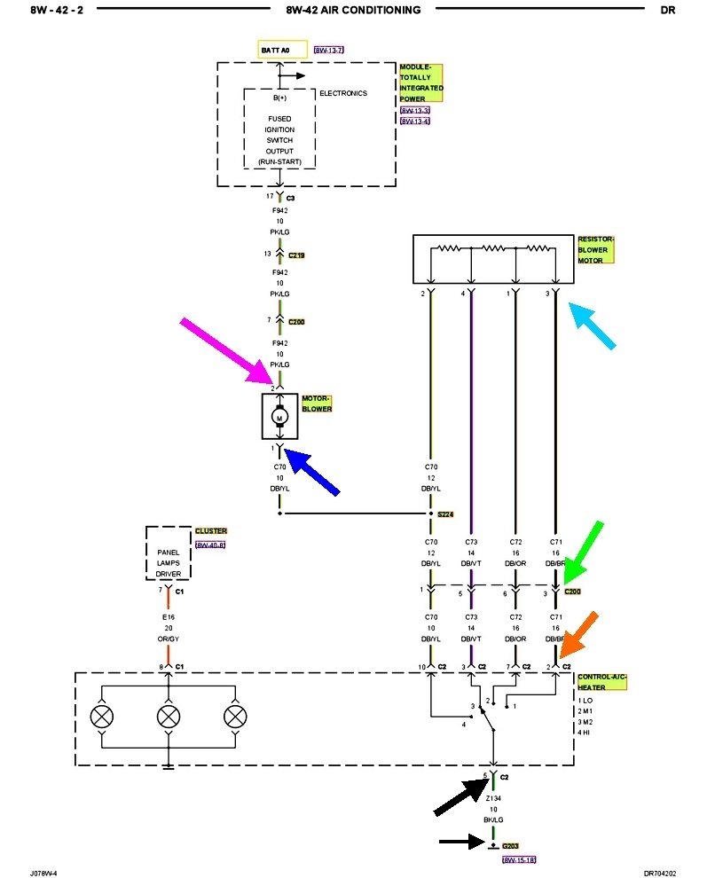
There's no point in doing these tests while the fan is working. There's no defect to be found at that time. When the ignition switch is on and the fan is not working, the first measurement will be at the pink / light green wire right at the motor, (pink arrow). To be valid, these readings should be taken with nothing unplugged or disconnected. Back-probe through the back of the connectors right next to the wire or terminal. If there's no 12 volts on this wire, suspect the Totally Integrated Power Module, (TIPM). That's the under-hood fuse box. It supplies the 12 volts for this circuit.

Place the fan speed switch on any of the lower speeds, except for the fastest speed. If you do have 12 volts on the pink / light green wire, check next on the motor's other wire, the dark blue / yellow wire, (dark blue arrow). If you find 0 volts here, the motor's brushes are worn and the motor must be replaced. If you find 12 volts on this wire, there's a defect further down the line. We'll come to those shortly.

If the fan always works on one, two, or three speeds, while it's dead on at least one speed, the four connections on the resistor assembly are the start of some suspects, (aqua arrow). The clue here is you should find 12 volts on terminal 2, the dark blue / yellow wire, but 0 volts on the others. This is a good place to find darkened / overheated connector terminals. Degraded contact between a mating pair of terminals creates heat that leads to a worse connection. That heat usually culminates in the connector body melting around one or two terminals. The only acceptable repair for that is to replace the resistor assembly and the connector. If either one is not replaced, there will still be those degraded contacts that will lead to the new part failing in short order.

If you find 12 volts on all four wires at the resistor, check next at the fan speed switch. There is another connector in between, (light green arrow) where overheated terminals can develop, but each of them will only cause the motor to be dead on just one speed. It's unlikely you'd develop two, three, or four individual separate problems at the same time, so we'll skip that connector for now.

Check for voltages on the four dark blue wires at the switch. Whichever speed you set the switch to, that corresponding wire must have 0 volts at that time. If you find anything other than 0 volts, there's an overheated terminal in the connector, or a burned / arced contact inside the switch assembly. Here again, if the connector terminal is burned, darkened, or the body is melted, both the switch and the connector must be replaced to prevent a repeat failure. If you find voltage on multiple wires at the switch when it shouldn't be there. the better suspect is the ground circuit, (black arrows). There must never be anything other than 0 volts on the black / light green wire. If you find voltage at the switch connector, black / light green wire, there's a break at that terminal, in that wire, or the wire or terminal on the body sheet metal, (smaller black arrow) is corroded off.

Let me know what you find with these voltage readings. If you have trouble making sense of these, just give me a list of the places you took the readings and the voltages you found there. Remember, these are only useful in diagnosing this problem if you take the voltages while the motor is not working properly.
Was this
answer
helpful?
Yes
No
Saturday, July 30th, 2022 AT 4:47 PM

Please login or register to post a reply.