Saturday, June 5th, 2021 AT 2:13 PM
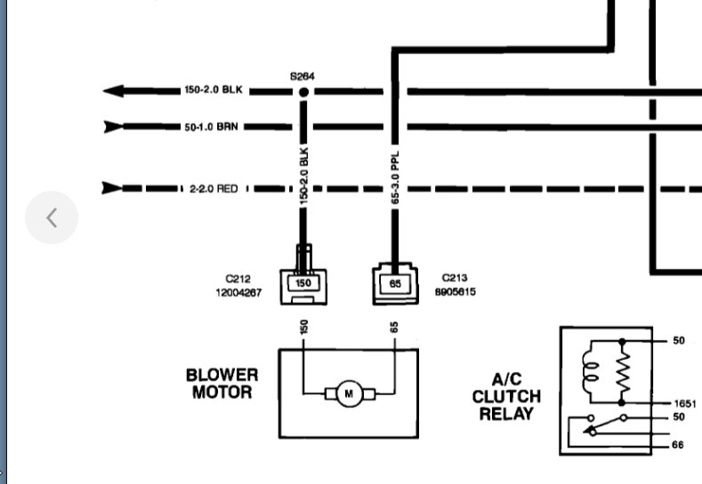
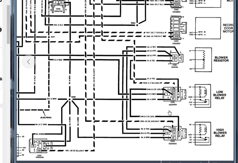
Replaced blower motor approximately one year ago. A/C only worked on high (it's hot here, so wasn't a priority to fix). Didn't use A/C for above two months, wouldn't kick back on when I tried. Replaced resistor, started blowing (no keys in ignition.) Started truck, checked all speed settings, heard relays click but no change in speed. Turned truck off and within a few seconds heard sparks/smelled smoke. Source= blower motor ground. Unplugged and grounded directly to frame, same thing happened. Swapped out the resistor with another new one, even though it looked fine. As soon as I plug in the ground, with truck off, blower turns on, sparks/burning smell. I'm stumped, please help!





