Why does the blower motor run all the time?

Tiny
LOWRIDER1200
  • MEMBER
  • 1994 CHEVROLET SILVERADO
  • 5.7L
  • V8
  • 4WD
  • MANUAL
  • 213,000 MILES
I put a new resistor on my blower motor. It was not working on high. Now the blower runs all the time. Still does not work on high.
Saturday, July 16th, 2022 AT 6:51 PM

4 Replies

Tiny
JACOBANDNICKOLAS
  • MECHANIC
  • 110,194 POSTS
Hi,

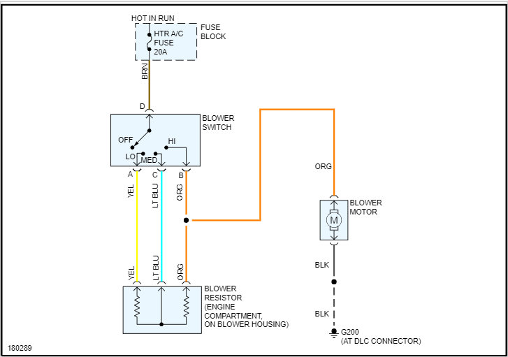
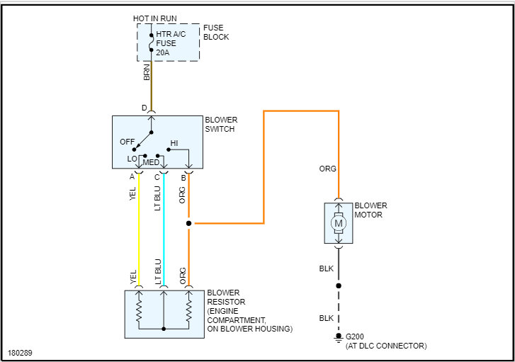
Either the switch itself has failed or we have a short to power. If you look below, I attached a wiring schematic for the blower motor.

First, what speed is it running on? Also, does it turn off when the vehicle is turned off?

Just for a simple preliminary test, remove the fuse for the blower motor in the fuse box. See if it turns off. If it does, then chances are the switch itself is bad. If it continues to run, then we have a short to power from a different circuit.

Let me know what you find.

Take care,

Joe

See pic below. Note: I'm basing this on the basic system. If you A/C, there are also three relays involved. One may be stuck on. Let me know if you have A/C.
Was this
answer
helpful?
Yes
No
Saturday, July 16th, 2022 AT 11:23 PM
Tiny
LOWRIDER1200
  • MEMBER
  • 3 POSTS
I do have A/C on this truck. I pulled all of the relays out and the AC/heater fuse 25-amp. The fan continues to run. Sounds like the fan is running on low. The blower fan would turn off before I changed the resistor, it just would not work on high. Sounds like a short to hot. Any other ideas? Thanks, Barry
Was this
answer
helpful?
Yes
No
Sunday, July 17th, 2022 AT 7:38 AM
Tiny
LOWRIDER1200
  • MEMBER
  • 3 POSTS
I just went out and put the old resistor and all relays back in. The fan shut off but still would not run on high. I then reinstalled the new resistor and all of it is working correctly for now. Have not put the whole assembly back together will let you know how it turns out soon.
Thanks
Was this
answer
helpful?
Yes
No
Sunday, July 17th, 2022 AT 8:09 AM
Tiny
JACOBANDNICKOLAS
  • MECHANIC
  • 110,194 POSTS
Hi,

It sounds like one of the new relays was stuck on. Is it working on high now as well? If so, it sounds like you had two problems, the new relay, and the old resister.

Let me know. I'm interested in knowing if it is still working correctly.

Take care,

joe
Was this
answer
helpful?
Yes
No
Sunday, July 17th, 2022 AT 10:02 PM

Please login or register to post a reply.