Blower motor problem

Tiny
MCGARVEY29
  • MEMBER
  • 1999 OLDSMOBILE AURORA
  • V8
  • 2WD
  • AUTOMATIC
  • 219,000 MILES
Heater/AC blower fan not working at all. Checked fuses, seem okay to me. Can you help?
Monday, June 25th, 2018 AT 6:24 AM

1 Reply

Tiny
ASEMASTER6371
  • MECHANIC
  • 52,796 POSTS
Good morning.

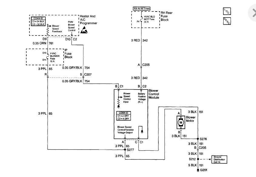
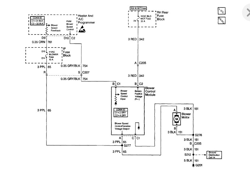
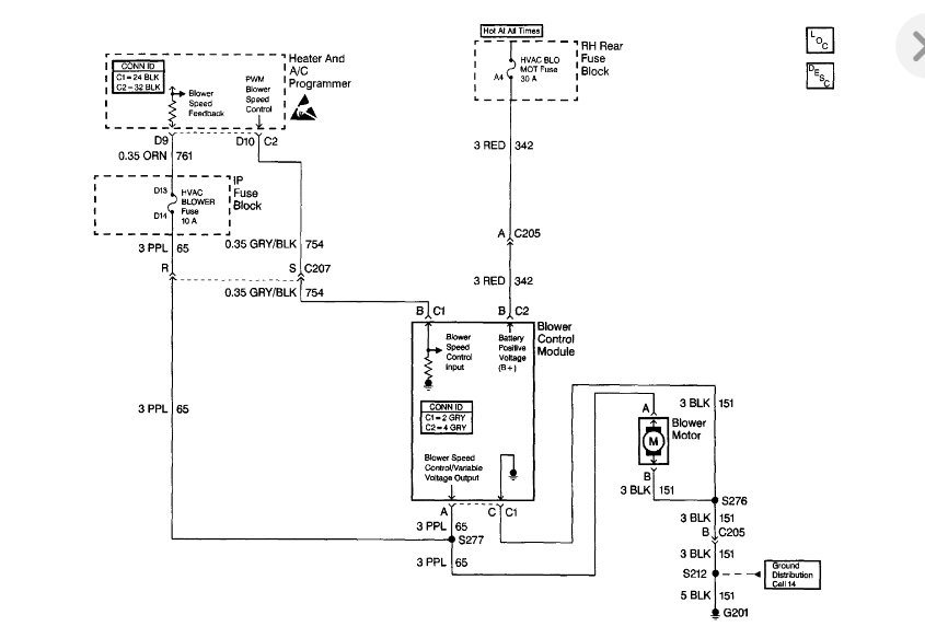
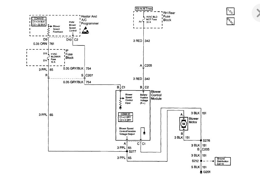
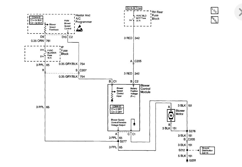
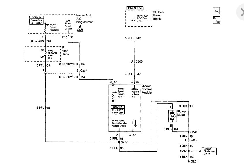
It could be a failed blower motor. You need to check for power to the motor. It is a very common failure.

Roy

https://www.2carpros.com/articles/low-or-no-air-flow-from-vents

Removal procedure:
1. Remove the right side sound insulator.
2. Disconnect the electrical connector from the blower motor.
3. Remove the cooling tube from the blower motor.
4. Remove the screws that attach the blower motor to the heater and A/C module assembly.
5. Remove the blower motor and the fan.
Was this
answer
helpful?
Yes
No
Monday, June 25th, 2018 AT 7:01 AM

Please login or register to post a reply.