Friday, July 17th, 2020 AT 11:34 PM
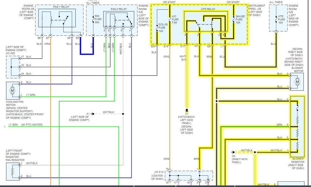
I checked blower connecting to battery and fan is working. I also checked current continuity on resistor and okay. I also checked current continuity from cable connecting to resistor but no current. The speed dial activates radiator fan and A/C.




