Blower motor cuts in and out no matter what fan speed it is on

Tiny
JOSHMINK26
  • MEMBER
  • 2004 DODGE DAKOTA
  • 3.7L
  • 6 CYL
  • 2WD
  • AUTOMATIC
  • 190,000 MILES
Blower motor quits working for some reason and I can hit it and it will work again and sometimes it will rev up and down.
Thursday, January 27th, 2022 AT 8:49 PM

3 Replies

Tiny
SQM
  • MECHANIC
  • 6,383 POSTS
Hello,

Sounds like this could be a connection issue or internal loose or worn components for the blower motor or the resistor.

A good first step would be to access the blower motor and make sure the wiring harness is secured.
Look for any corrosion or pushed out or burn pins.
Over time due to a loose connection, you will have burnt pins.

https://www.2carpros.com/articles/blower-fan-motor-works-on-high-speed-only

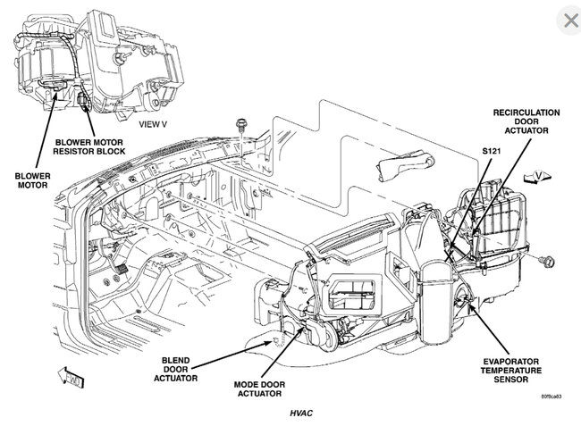
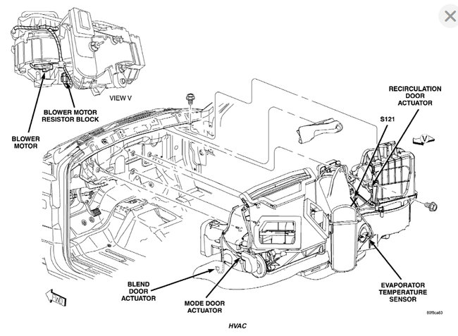
I have attached diagrams for your reference.

Please let me know what you find or if you have any questions.
Thank you.
Was this
answer
helpful?
Yes
No
+1
Thursday, January 27th, 2022 AT 9:19 PM
Tiny
JOSHMINK26
  • MEMBER
  • 2 POSTS
Okay, thank you. I will check it in the morning. The blower sounds good and works at every speed. It will come on soon as I start truck and sometimes it will work fine and other days it will just cut in and out and rev up and down. I can smack it when it cuts off and it will come right on and work.
Was this
answer
helpful?
Yes
No
Thursday, January 27th, 2022 AT 9:42 PM
Tiny
SQM
  • MECHANIC
  • 6,383 POSTS
The symptoms that you have sound like a loose connection somewhere.
Let me know what you find out.
Was this
answer
helpful?
Yes
No
Thursday, January 27th, 2022 AT 9:44 PM

Please login or register to post a reply.