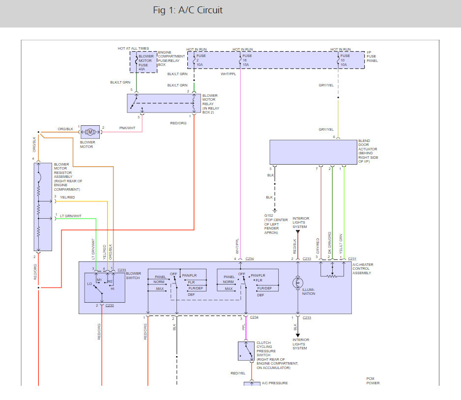
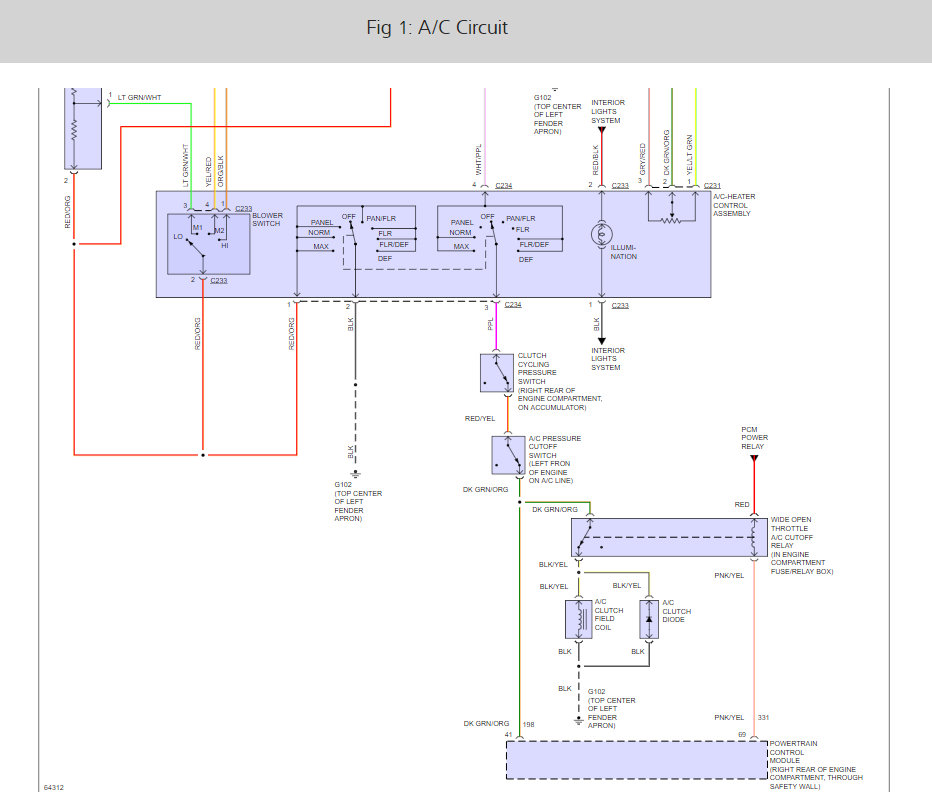
Tuesday, January 22nd, 2019 AT 4:56 PM
The blower motor was running while my shop was charging the A/C and when completed, shut it off, cleaned up everything and started it and the blower motor will not run. The A/C compressor is okay.





