Wednesday, June 29th, 2022 AT 4:01 PM
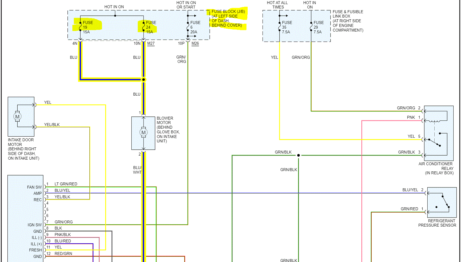
Replaced the A/C compressor and related components then vacuumed it down and charged it with Freon. The system blew cold for approximately 5 minutes and the blower quit. I removed the motor and wired it to the battery, and it kicked on. Replaced the resistor but that didn’t help. The compressor engages when the switch is turned on, but the blower doesn’t seem to be getting power. If checked all A/C related fuses and they are good.




