Blower motor stopped working

Tiny
QUIN71
  • MEMBER
  • 2002 PONTIAC SUNFIRE
  • 2.2L
  • 4 CYL
  • 2WD
  • MANUAL
  • 200,000 MILES
When I purchased car the blower motor only worked on high speed. Fan started struggling last week and now doesn't work at all. What could the problem be?
Saturday, January 26th, 2019 AT 8:54 AM

2 Replies

Tiny
SCGRANTURISMO
  • MECHANIC
  • 4,897 POSTS
Hi Quin71@live.com, my name is Alex and I will be helping you today. It sounds to me like your blower motor may have gone out.
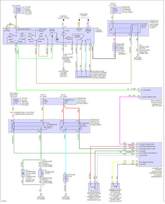
Here is a great link on blower motors and a wiring diagram of your vehicle:

https://www.2carpros.com/articles/blower-fan-motor-works-on-high-speed-only
Was this
answer
helpful?
Yes
No
Saturday, January 26th, 2019 AT 10:40 PM
Tiny
JACOBANDNICKOLAS
  • MECHANIC
  • 110,192 POSTS
Hi and thanks for using 2CarPros.

First, if it only worked on high, the blower motor resister needs replaced. As far as struggling, it sounds like the blower motor may have failed. Honestly, the motor most likely was going bad and drawing too much power. That is the likely cause of the resister failing.

Here are the directions for replacing the resister. This can be done at the same time the motor is replaced because the blower motor needs removed to be able to replace the resister. Everything is located under the dash on the passenger's side.

Procedures
Vehicle Heating and Air Conditioning Blower Motor Resistor Service and Repair Procedures
PROCEDURES
REMOVAL PROCEDURE

See Picture 1

1. Remove the blower motor.

See Picture 3

2. Disconnect the electrical connection at the blower motor resistor assembly.

See Picture 2

3. Remove the blower motor resistor assembly screws.
4. Remove the blower motor resistor assembly.

INSTALLATION PROCEDURE

See Picture 1
1. Install the blower motor resistor assembly.

NOTE: Refer to Fastener Notice in Service Precautions.

2. Install the blower motor resistor assembly screws.

Tighten
Tighten the screws to 1 N.M (9 lb in).

See Picture 2

3. Connect the electrical connector to the blower motor resistor assembly.
4. Install the blower motor.

Let me know if this helps or if you have other questions.

Joe
Was this
answer
helpful?
Yes
No
Saturday, January 26th, 2019 AT 10:44 PM

Please login or register to post a reply.