Blower fan stopped working

Tiny
DANW59
  • MEMBER
  • 2010 NISSAN ROGUE
  • 118,000 MILES
Turned the blower knob, no air comes out.
Saturday, February 12th, 2022 AT 6:18 AM

1 Reply

Tiny
JACOBANDNICKOLAS
  • MECHANIC
  • 110,194 POSTS
Hi,

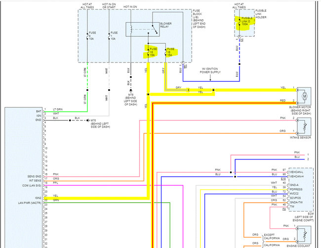
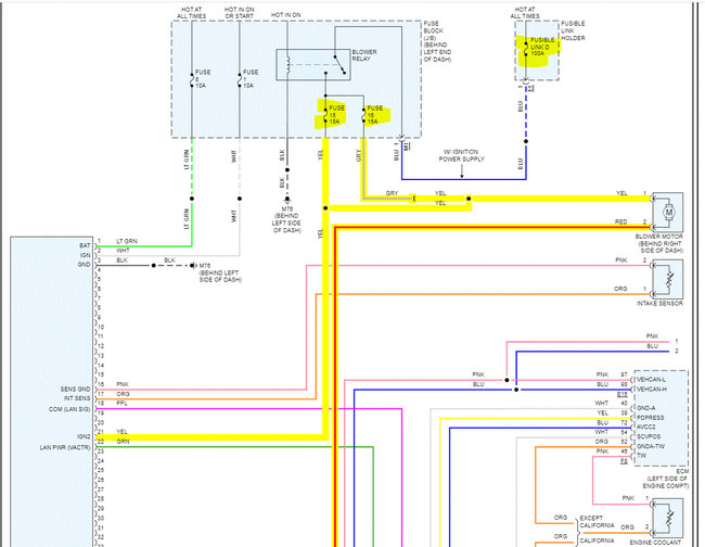
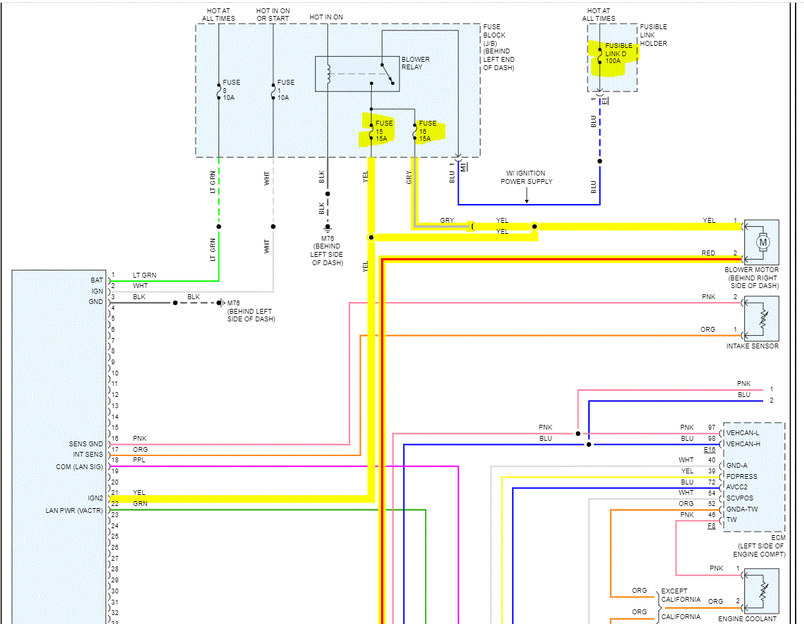
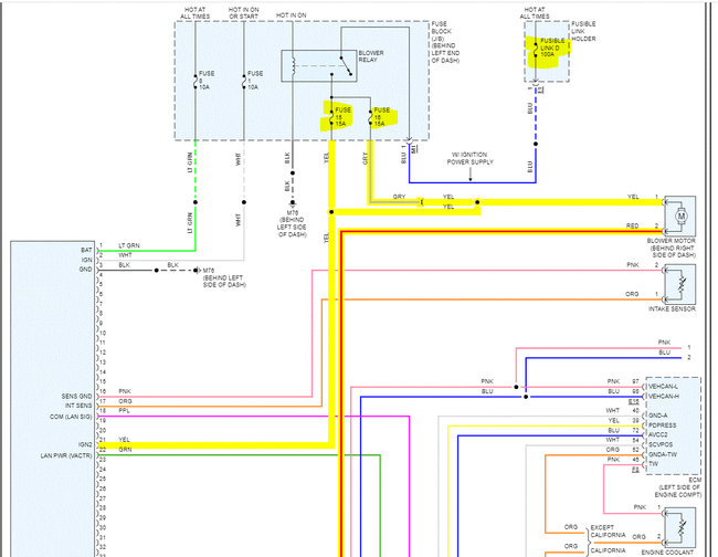
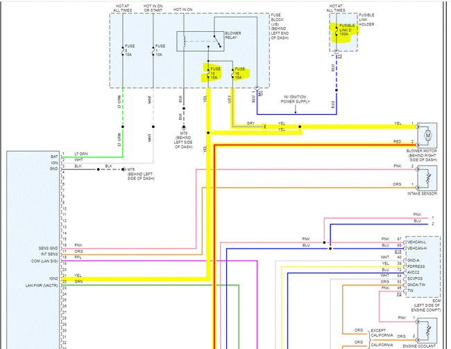
Have you checked fuses yet? If not, let's start there. I attached three pics below. The first two are the wiring schematic for the blower motor. Pic 3 shows what fuses I need you to check in the fuse panel inside the vehicle.

When you check these fuses, it is also important to confirm there is power to them. These fuses will only have power when the key is on, and the blower motor is requested on.

Here is a link that shows how to test the fuses for power:

https://www.2carpros.com/articles/how-to-check-a-car-fuse

Let me know what you find.

Joe

See pics below.
Was this
answer
helpful?
Yes
No
Saturday, February 12th, 2022 AT 9:56 PM

Please login or register to post a reply.

Related Blower Fan Not Working Content