Blower Fan high setting not working properly

Tiny
THENIGHTOWL
  • MEMBER
  • 2001 CHEVROLET ASTRO
  • 4.3L
  • V6
  • 2WD
  • AUTOMATIC
  • 100,000 MILES
I recently noticed if I turn my fan on high for A/C or heat, it runs on high for a second or 2 then nothing at all, but it blows on the lower selections.
I assume a relay is at fault? Which relay would it be?
Thank you
Saturday, August 22nd, 2020 AT 2:16 PM

5 Replies

Tiny
KASEKENNY
  • MECHANIC
  • 18,907 POSTS
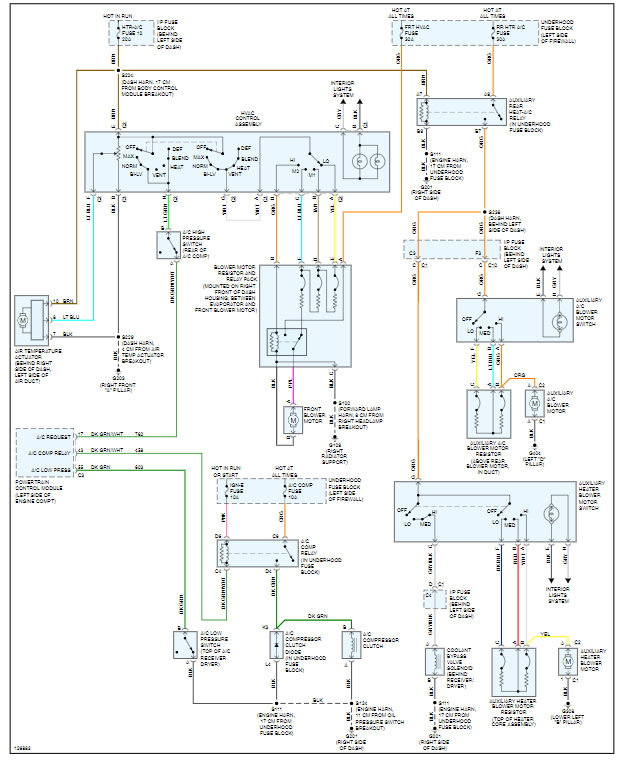
I am attaching the info on this. I assume you are correct that the relay is most likely the issue. The way this works is when you put the switch to high it closes the relay and sends battery voltage directly to the motor which is the high setting. All other settings the relay is open and the voltage passes through 1, 2, or 3 resistors depending on how fast it needs to spin.

If you want to confirm this you can check voltage coming out of the relay when on high. I suspect it will be 12 volts and then the relay will open and it will drop to 0 or open circuit.

Let me know if you have questions. Thanks
Was this
answer
helpful?
Yes
No
Saturday, August 22nd, 2020 AT 5:23 PM
Tiny
THENIGHTOWL
  • MEMBER
  • 16 POSTS
Thank you. Will give it a shot on my next day off.
Was this
answer
helpful?
Yes
No
Saturday, August 22nd, 2020 AT 7:41 PM
Tiny
KASEKENNY
  • MECHANIC
  • 18,907 POSTS
Sounds great. Let us know how you make out. Thanks
Was this
answer
helpful?
Yes
No
Sunday, August 23rd, 2020 AT 6:46 PM
Tiny
THENIGHTOWL
  • MEMBER
  • 16 POSTS
Well, I figured I would start by pulling the relays in the fuse box under the hood. I remember when it first happened, 1 of those relays was extremely hot but didn't remember which. I pulled the big one for A/C, and the smaller one beside it. Wrote down the part numbers if I needed to buy one. Plugged both back in and the fan now works on all speeds. I guess time and dirt and dust messed with the contacts?
Was this
answer
helpful?
Yes
No
Tuesday, August 25th, 2020 AT 9:59 PM
Tiny
KASEKENNY
  • MECHANIC
  • 18,907 POSTS
It is normally the simplest things. I think you are exactly correct as to what the issue was. Thanks for updating us with that info. I am sure that info will surely help others. Thanks
Was this
answer
helpful?
Yes
No
Wednesday, August 26th, 2020 AT 5:57 PM

Please login or register to post a reply.