Blower fan will not turn off

2008 NISSAN TITAN
80,000 MILES • 5.3L • V8 • 2WD • AUTOMATIC
Avatar
JOE WHITEHURST
  • MEMBER
  • 1 POST
A/C/heater blower fan runs all the time. A/C works when control knob is engaged. Replaced center control unit but blower fan runs all the time.
Sep 4, 2017 at 5:02 PM
Repair Safety Notice: This information is for general instructional purposes only. Vehicle repair can be dangerous. Verify all information, follow manufacturer service procedures, use proper tools and safety equipment, and consult a qualified repair shop when needed.
Advertisement
Avatar
STRAILER
  • CAR REPAIR CONTRIBUTOR
  • 54,199 POSTS
It sounds like you have a blower motor relay that is stuck on, try to remove it to see if the blower stops.

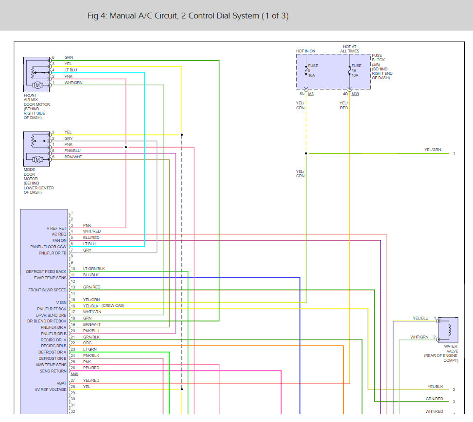
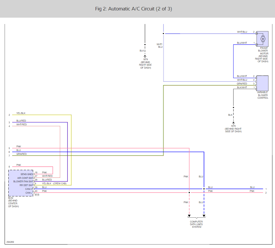
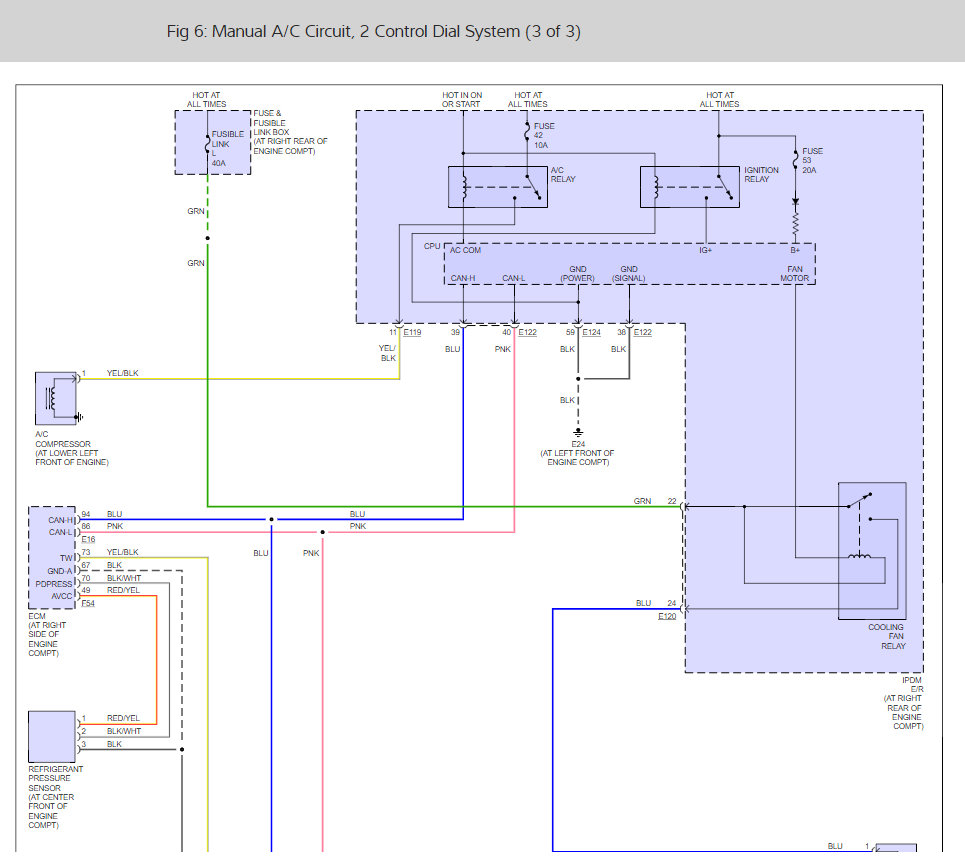
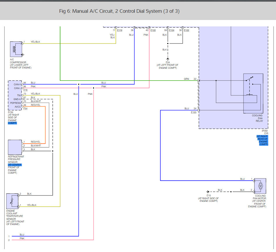
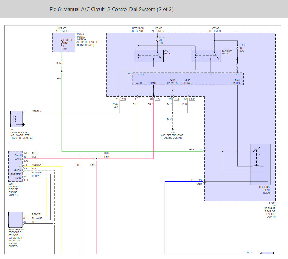
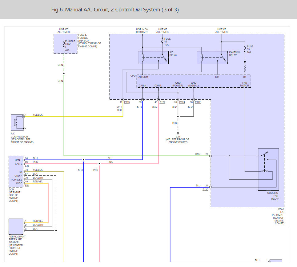
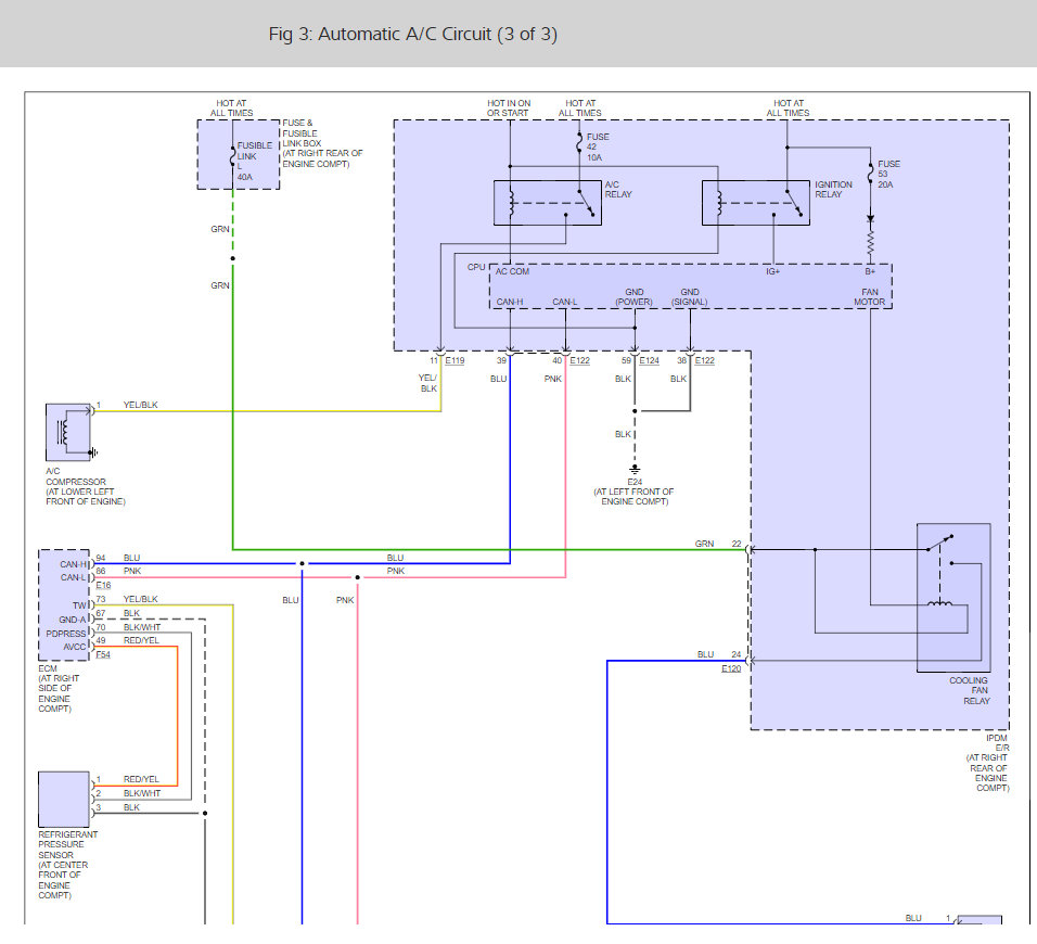
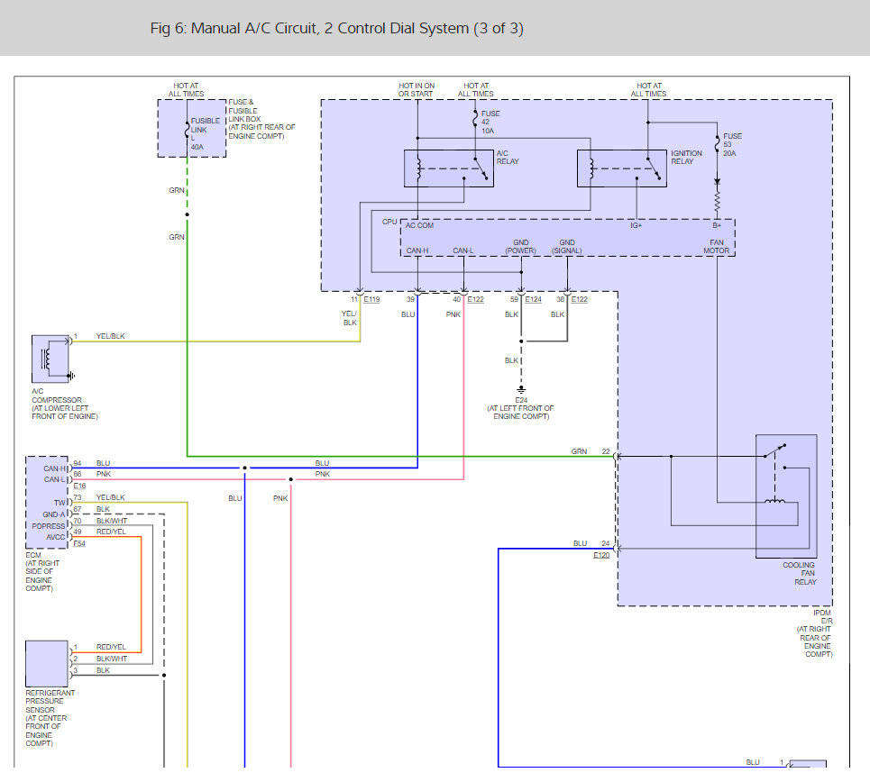
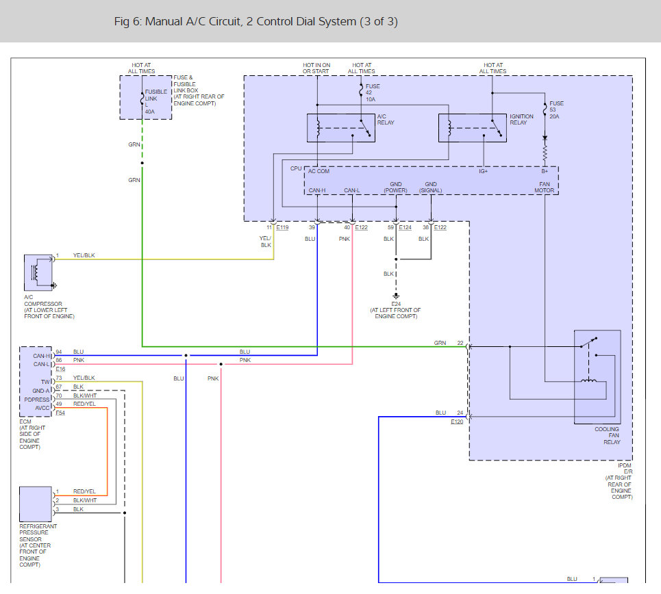
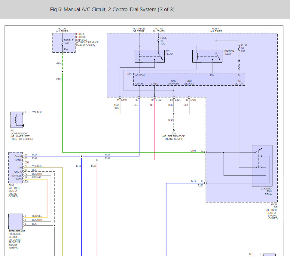
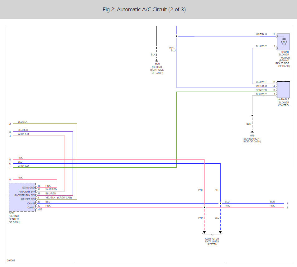
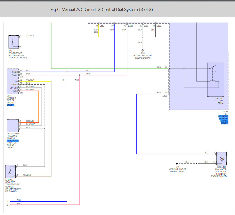
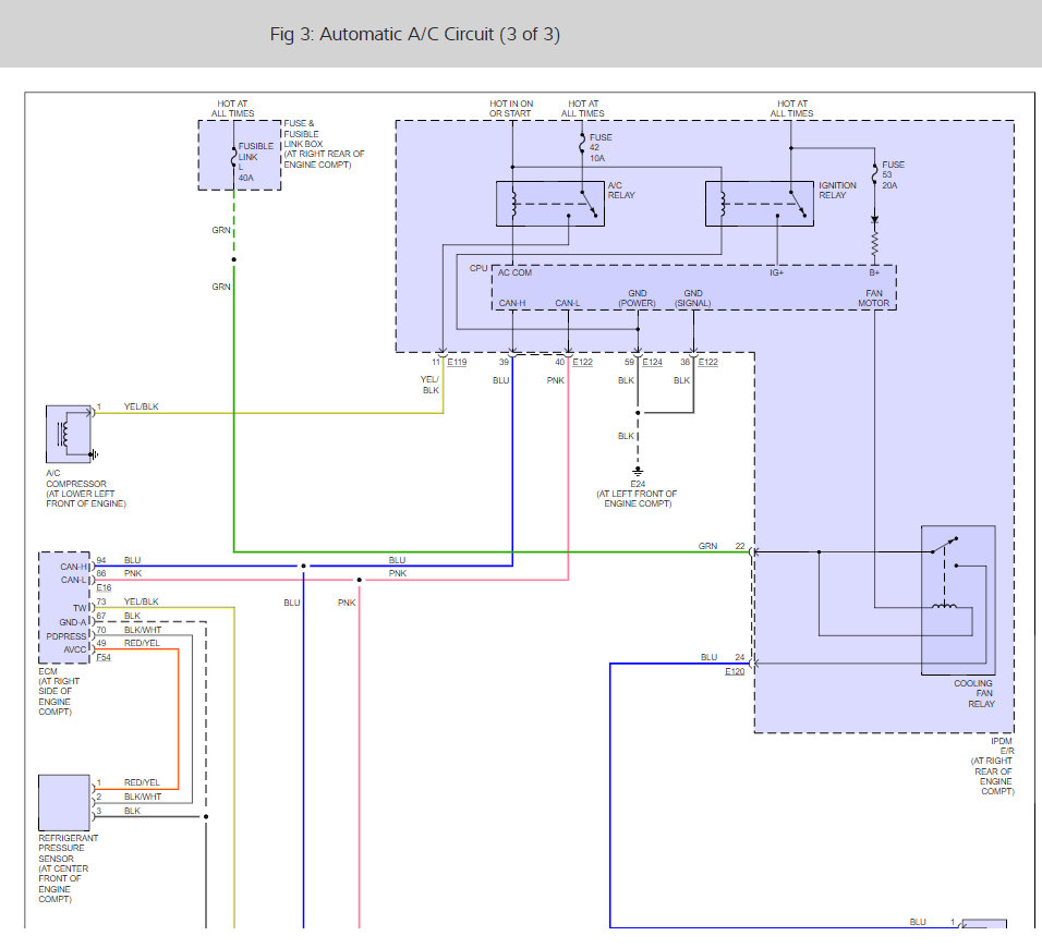
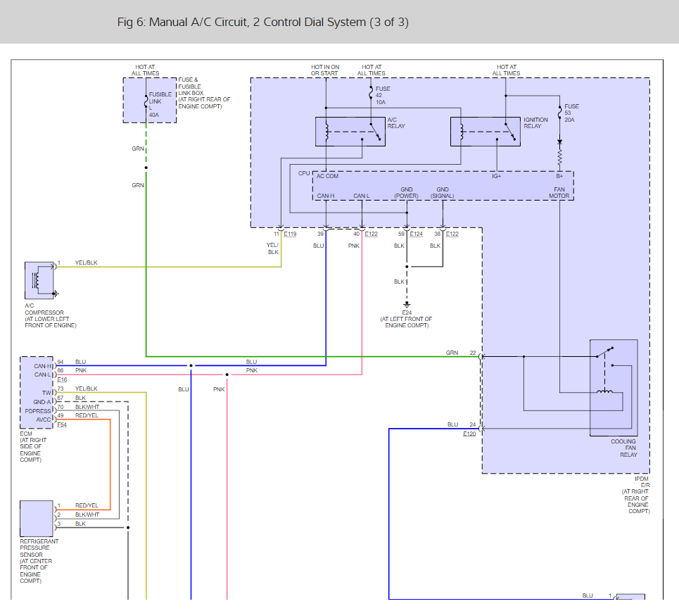
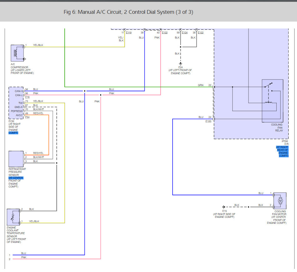
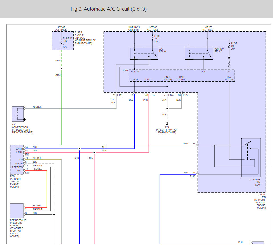
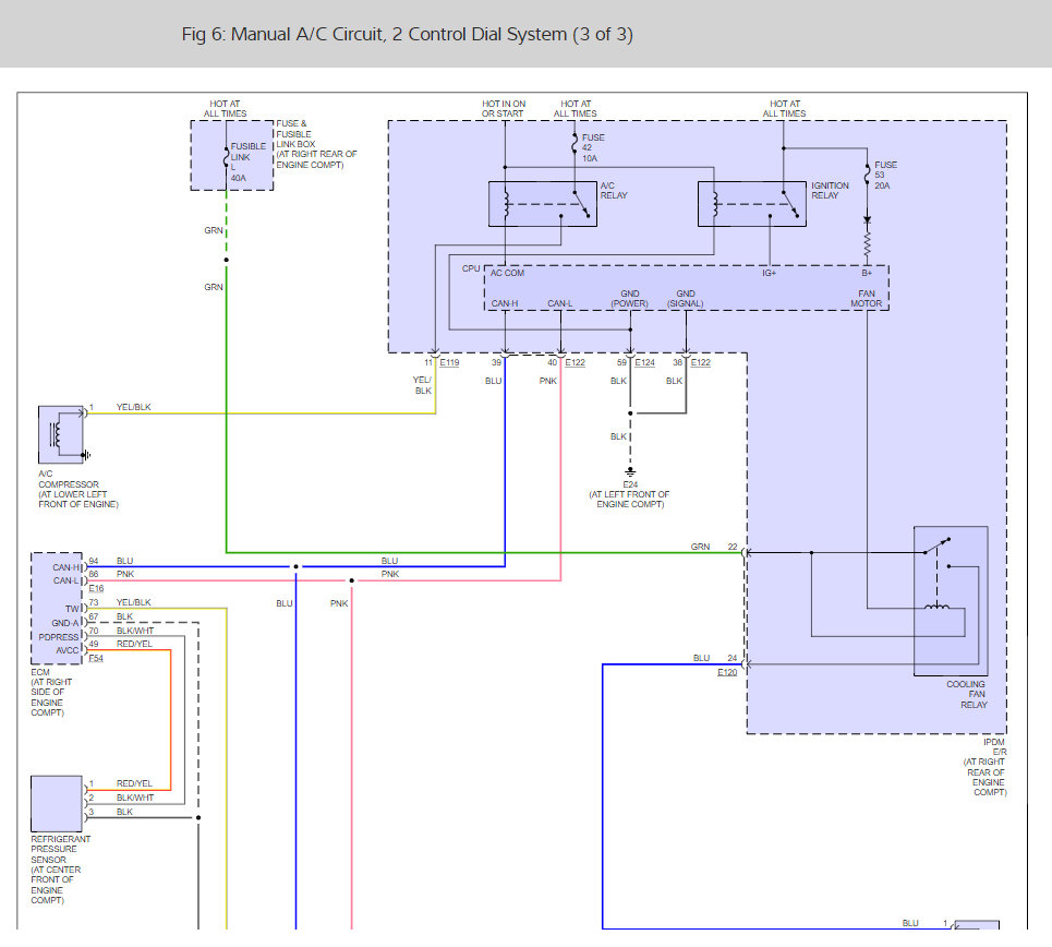
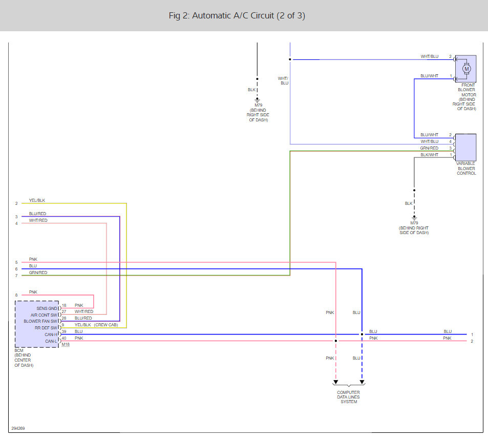
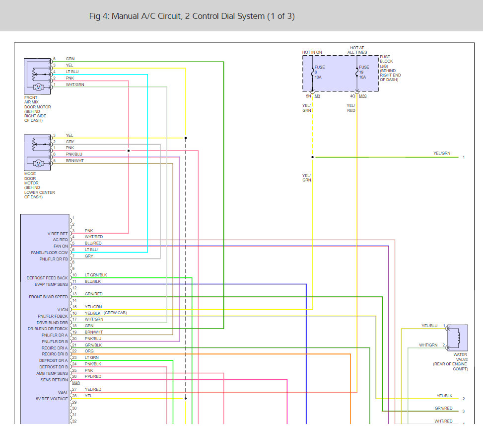
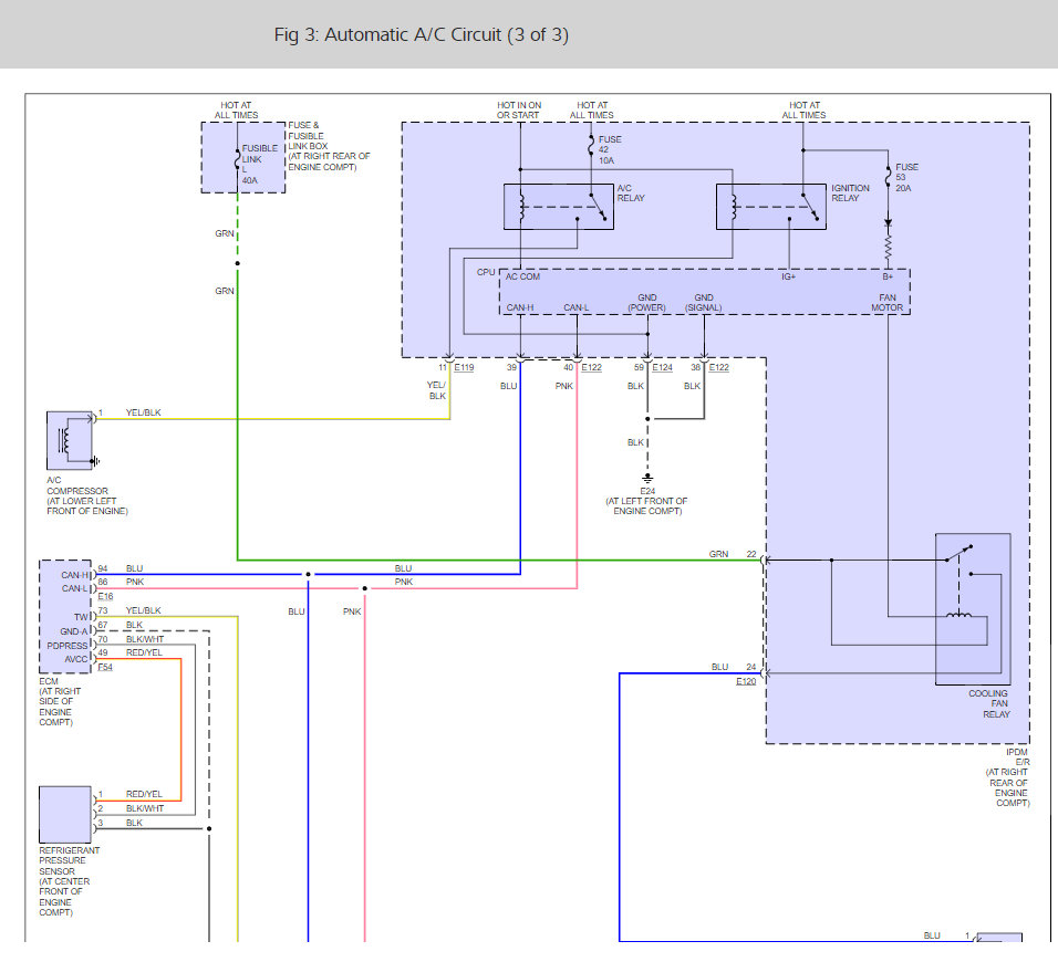
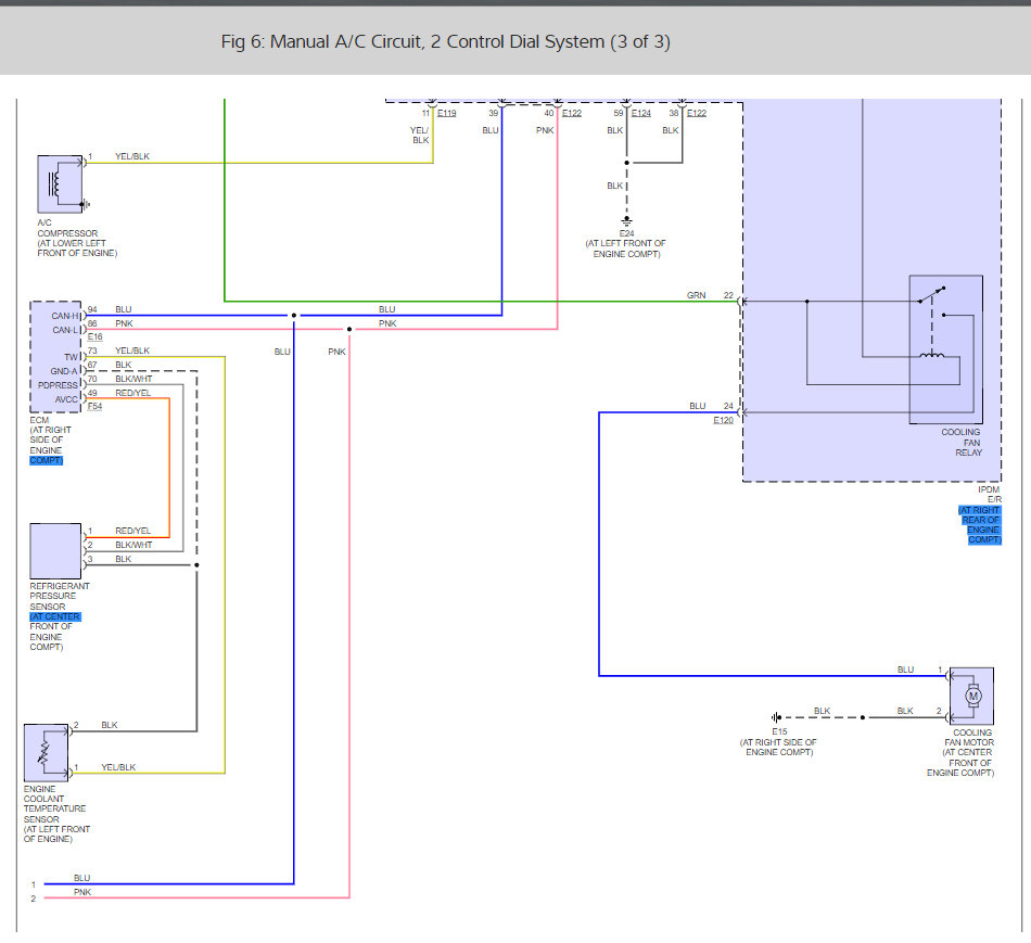
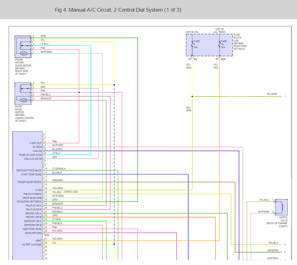
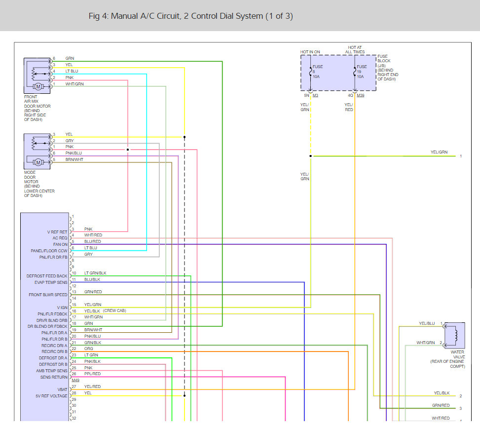
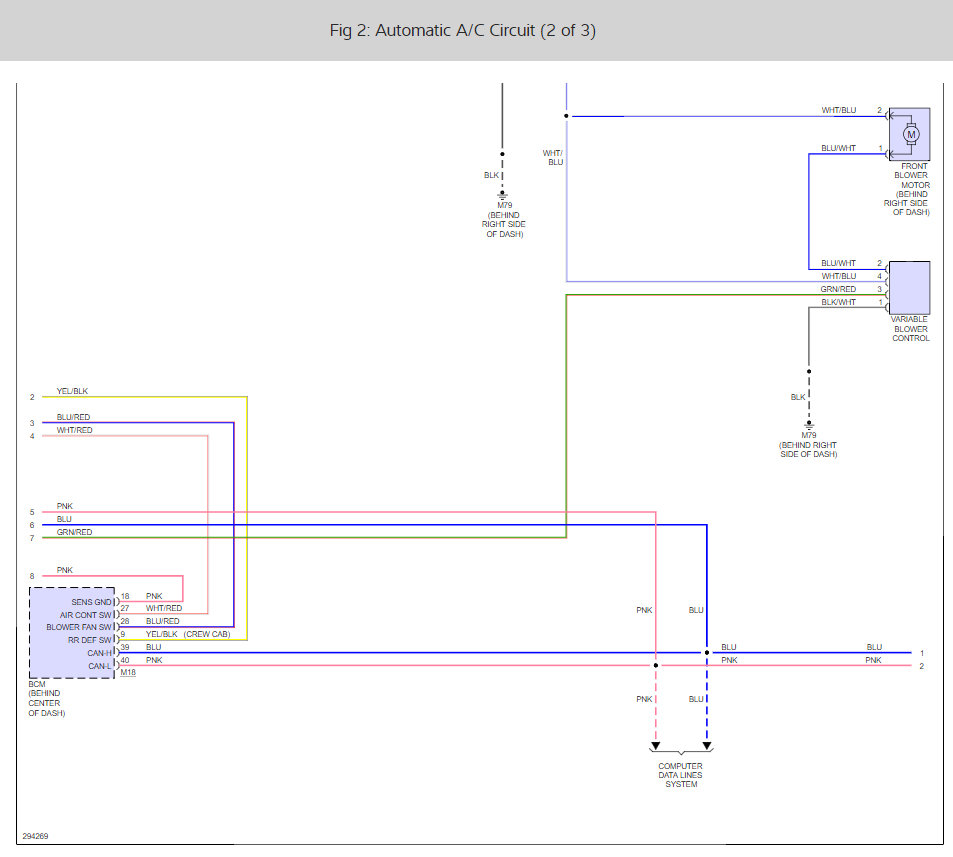
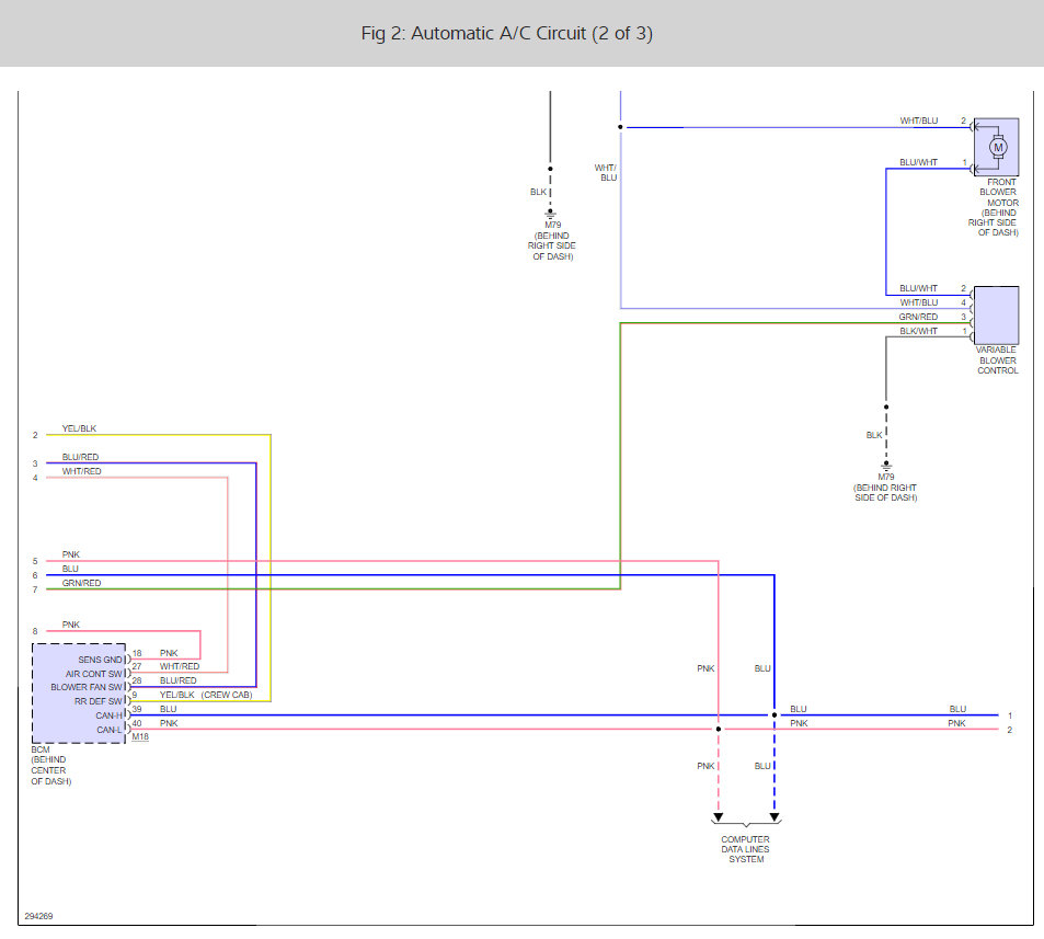
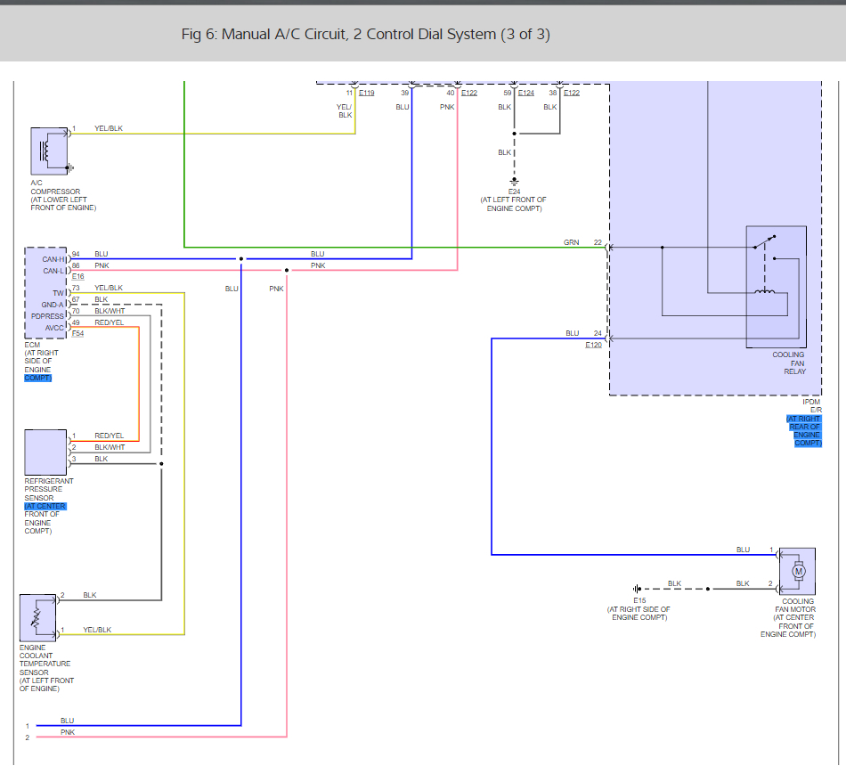
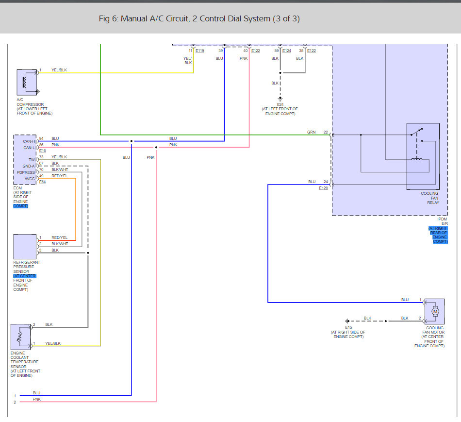
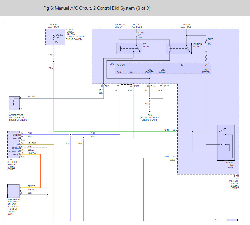
Here are some diagrams (below) and a guide that will help us fix the problem. The relay is #107 in the last fuse box diagram

https://www.2carpros.com/articles/how-to-check-an-electrical-relay-and-wiring-control-circuit

I included the wiring diagrams for both manual and auto system is case we need to go deeper.

Please let us know what happens so it will help others.

Cheers, Ken
Sep 5, 2017 at 4:16 PM
Advertisement