Blown fuses

Tiny
HELPTONY911
  • MEMBER
  • 1992 DODGE DAKOTA
  • V6
  • 2WD
  • AUTOMATIC
  • 165,000 MILES
Driving car then shut off. It is the 40 amp fuse was blown would not crank over. Tried rewiring and new fuses not helping.
Thursday, November 2nd, 2017 AT 8:14 PM

3 Replies

Tiny
STEVE W.
  • MECHANIC
  • 15,671 POSTS
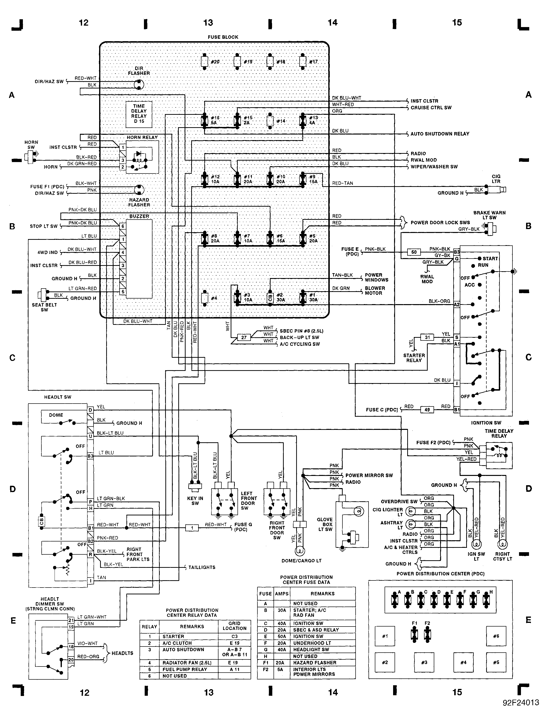
Which 40 amp fuse? It has at least two in the under hood box. Fuse C or G?

Does it blow as soon as you install it or just when you turn on the key? Or have you installed new fuses and still nothing?

Fuse C goes through the ignition switch and powers a couple other circuits.
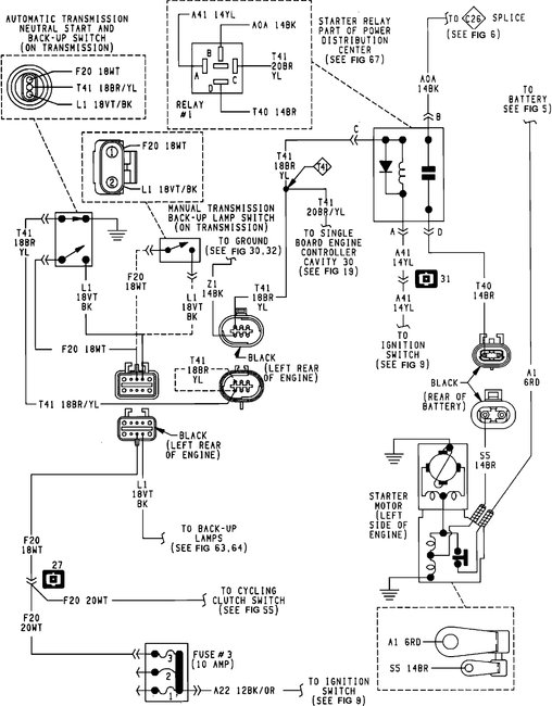
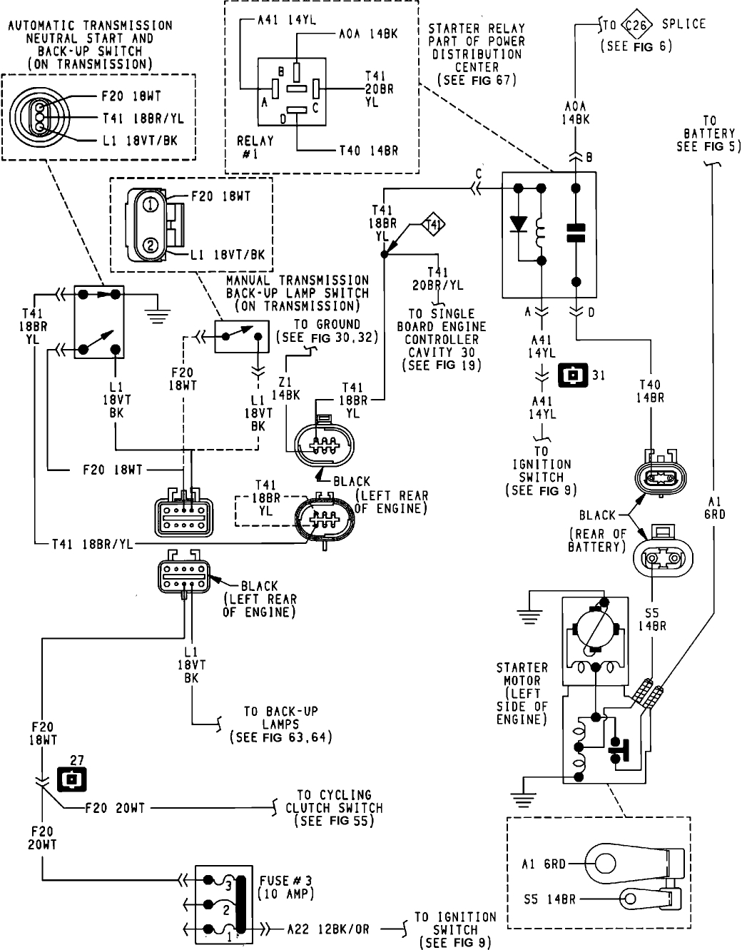
Check the auto shutdown relay, do you feel it click if you turn the key on?
Was this
answer
helpful?
Yes
No
Thursday, November 2nd, 2017 AT 9:33 PM
Tiny
HELPTONY911
  • MEMBER
  • 2 POSTS
As soon as I crank the motor it blows the shut down fuse. Yeah, I hear a click.
How do I tell which one is C or G?
Was this
answer
helpful?
Yes
No
Friday, November 3rd, 2017 AT 2:38 PM
Tiny
STEVE W.
  • MECHANIC
  • 15,671 POSTS
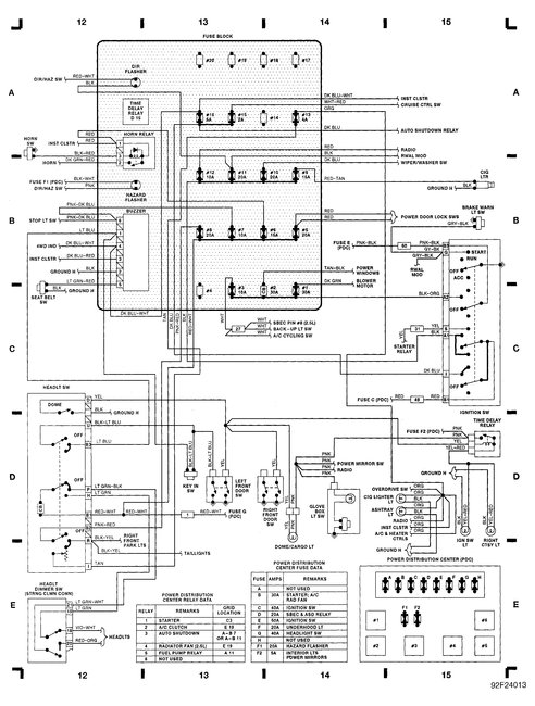
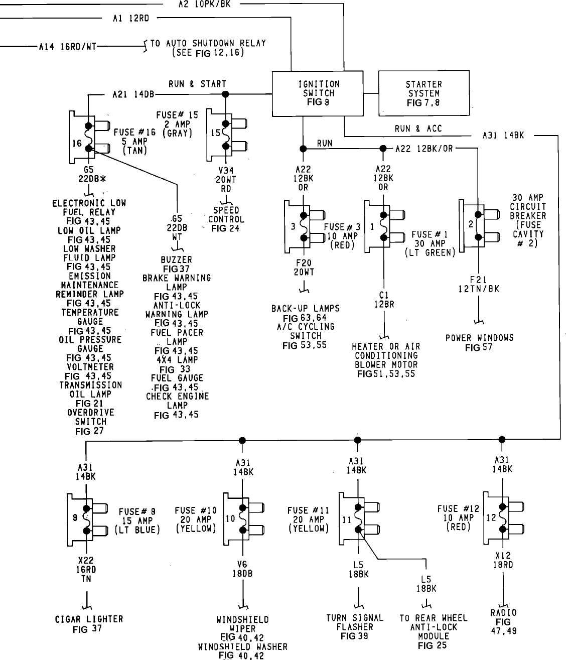
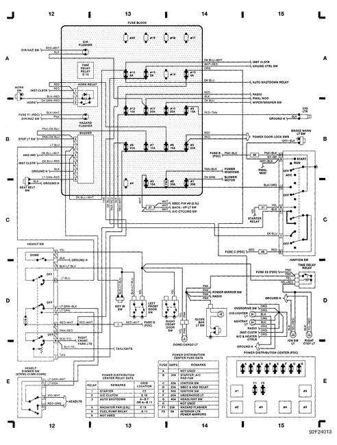
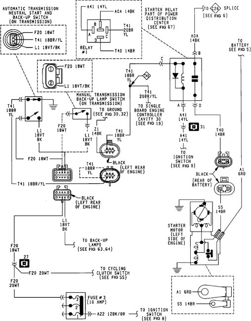
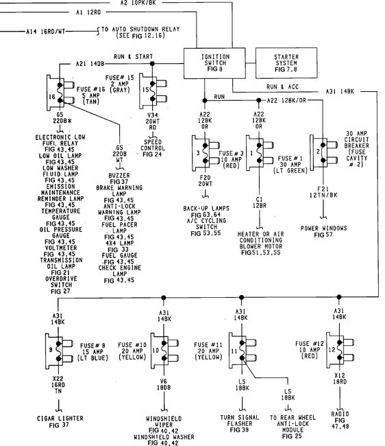
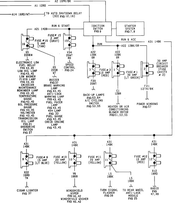
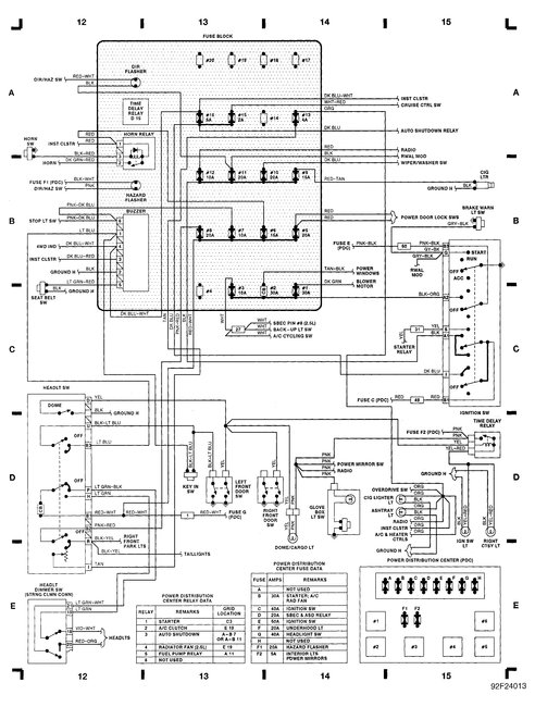
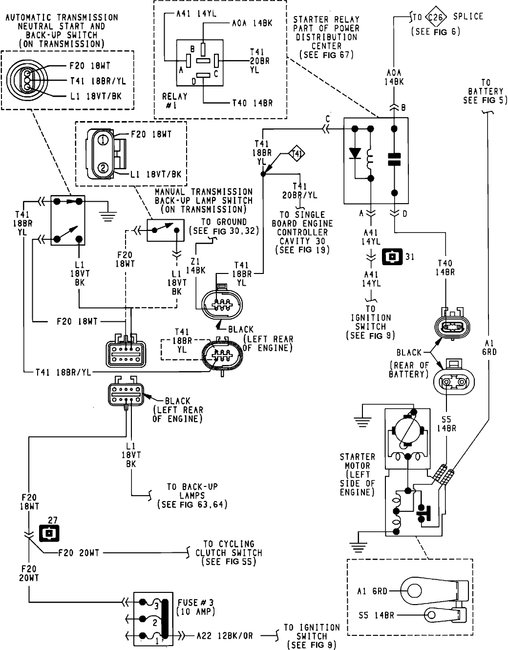
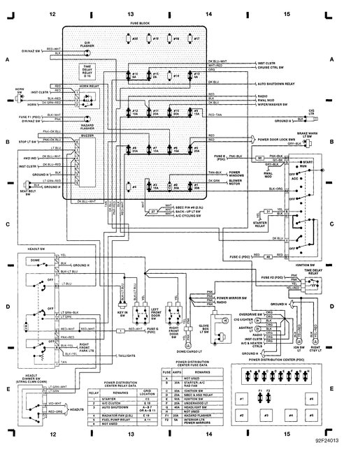
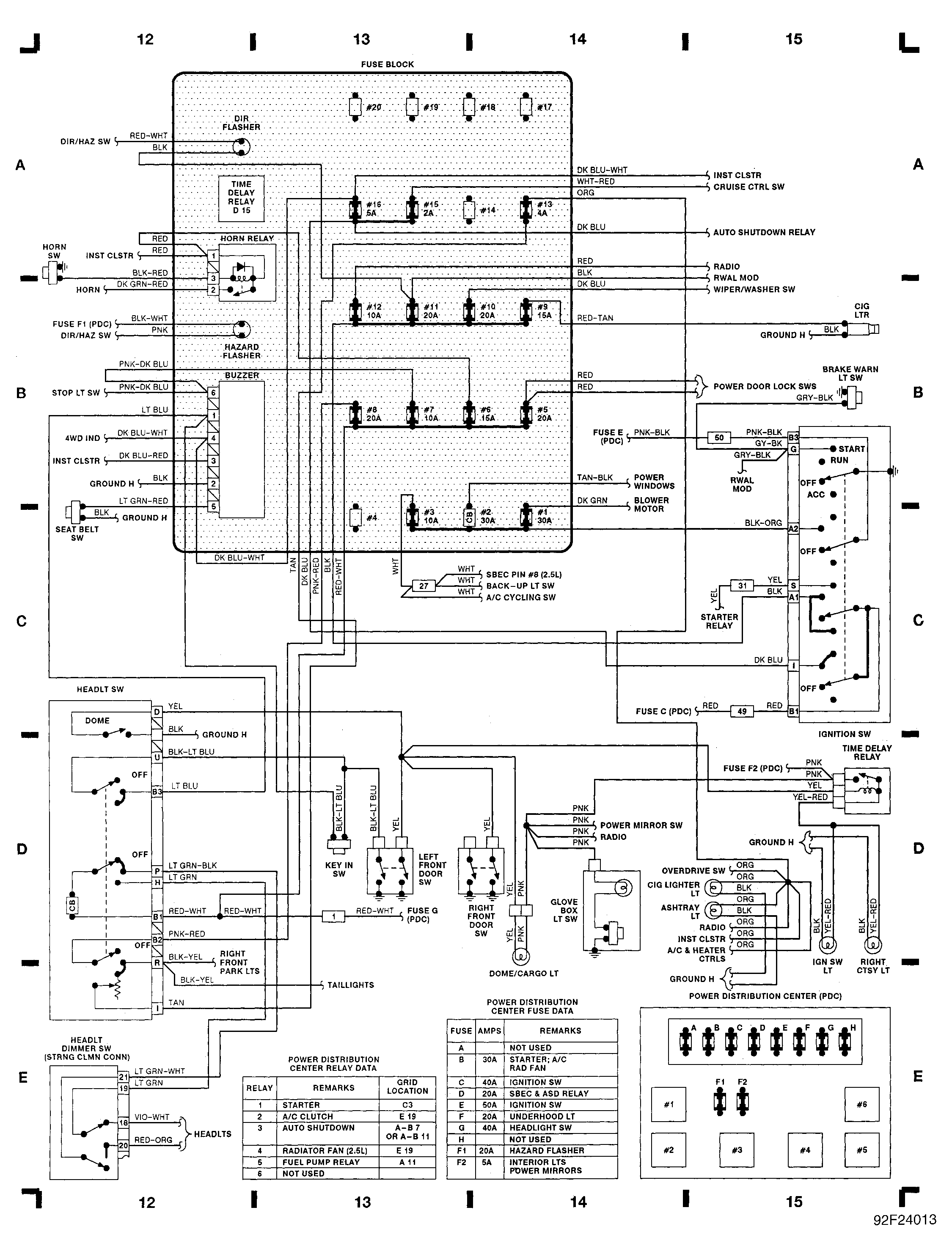
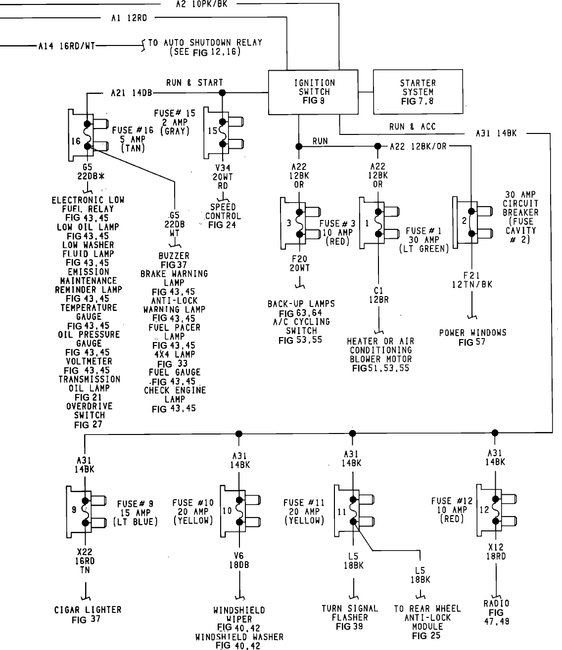
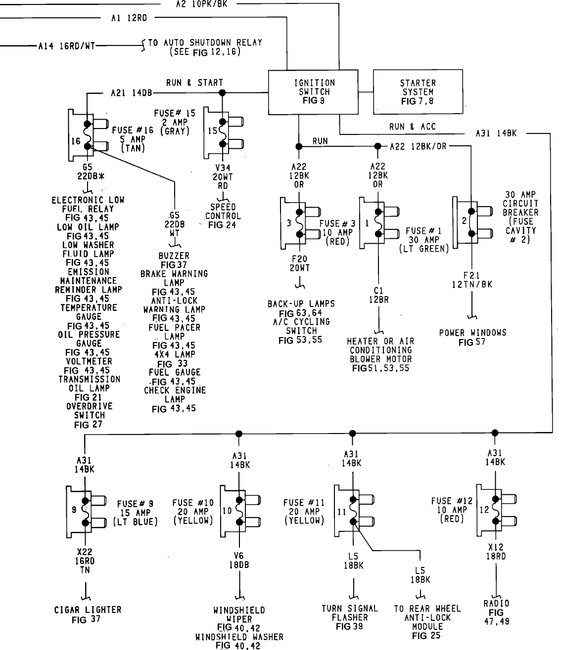
Well if the ding bat who posted those diagrams had paid attention you would not have two of the same ones, sorry about that. The other image shows the fuse panel and which way the fuses are labelled.
From your description I am going to say it is fuse C as it feeds the ignition switch. G feeds the headlight circuits.

So the fuse blows as soon as you turn the key to the start position? It does not blow when simply turned on?

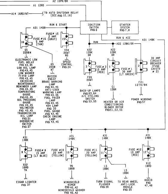
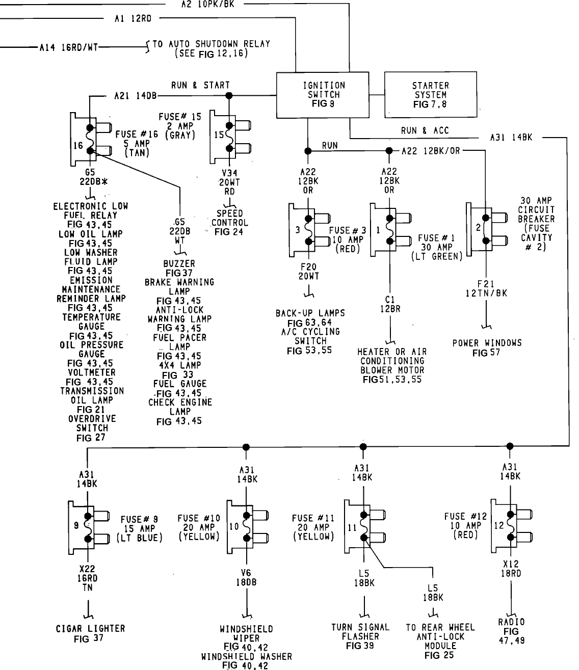
The third image shows the fuses and circuits powered off of that fuse. From the description I believe you have a short in either the ignition switch itself or in the wiring from it. Most of the circuits after the switch are fused lower than 40, they should blow first if they are at fault.
So I would look at the wiring coming down the steering column and from the switch to the other areas. You are looking for rubbed through or pinched wires.
Was this
answer
helpful?
Yes
No
Friday, November 3rd, 2017 AT 6:45 PM

Please login or register to post a reply.