Rear left brake light and turn signal not working

Tiny
TBOMB55
  • MEMBER
  • 2011 FORD F-150
  • 5.0L
  • 3 CYL
  • 4WD
  • AUTOMATIC
  • 180,000 MILES
Left front blinker works but I have no power going to the wiring harness in the rear for the left brake/turn signal. I also have no power to the left trailer relay. The fuse is good, obviously or the front blinker wouldn’t work, but I checked anyway. I’m not sure where to look from here.
Friday, November 12th, 2021 AT 10:59 AM

3 Replies

Tiny
MASTER ASE TECH
  • MECHANIC
  • 82 POSTS
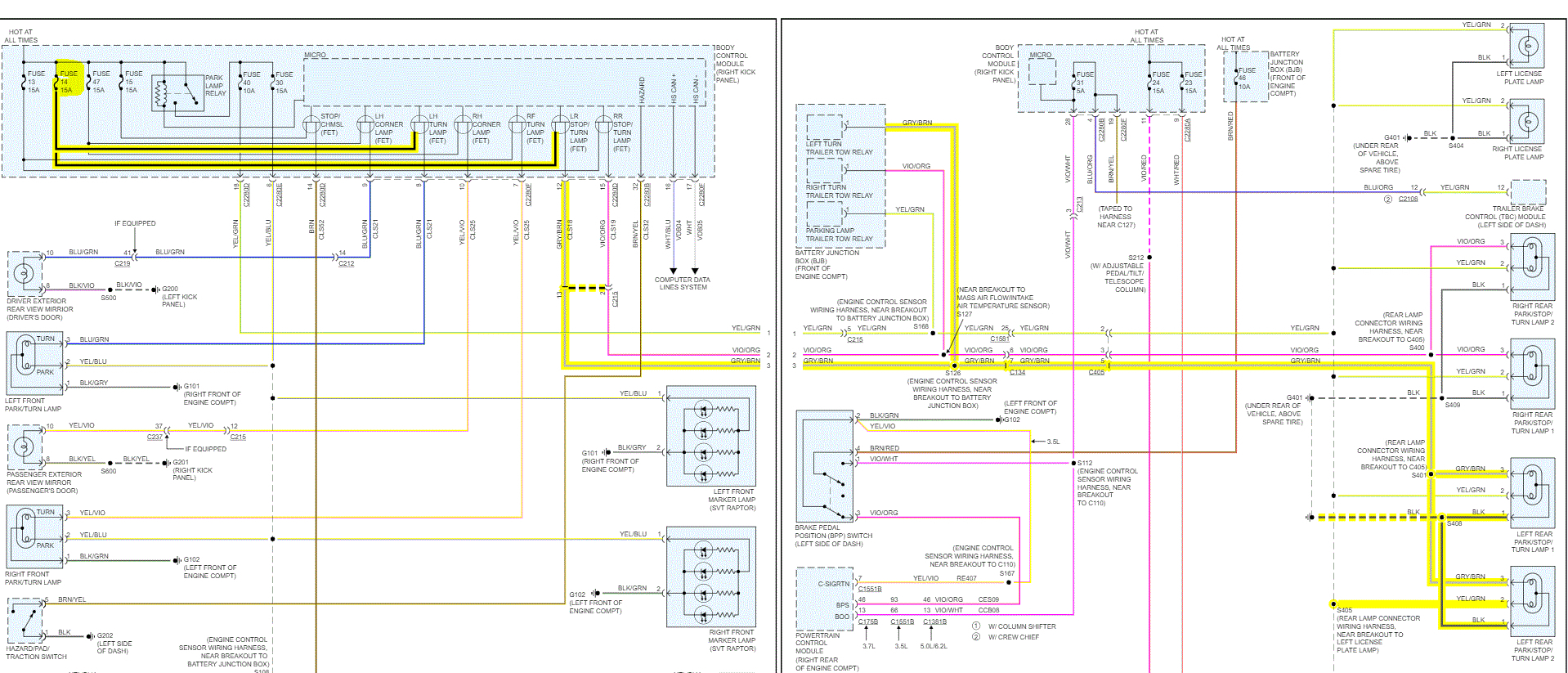
Hi, I'm Dan. Be sure to check all the fuses in the Body Control Module located in the right-side kick panel. Also be sure to check the bulbs and the socket that the bulbs go into. Very common for them to rust up. I've attached a copy of the lighting wiring diagram.
Was this
answer
helpful?
Yes
No
Friday, November 12th, 2021 AT 1:50 PM
Tiny
TBOMB55
  • MEMBER
  • 2 POSTS
Hi Dan. I have replaced the bulbs and sockets to no effect, though they appeared to be in working order. I have checked each of the fuses and relays circled save the park lamp relay in the kick panel which I am failing to locate. They have all been good.
Was this
answer
helpful?
Yes
No
Friday, November 12th, 2021 AT 4:12 PM
Tiny
JACOBANDNICKOLAS
  • MECHANIC
  • 110,192 POSTS
Hi,

I noticed it has been a couple of days since you have been contacted. Have you been able to make any progress?

If not, I have a few suggestions. First, I realize you checked fuses, specifically fuse 14 in the fuse box (right kick panel). However, did you confirm there is power to and from it? If not, do that.

https://www.2carpros.com/articles/how-to-check-a-car-fuse

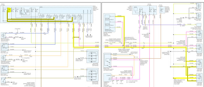
Next, I attached a schematic below, a portion of the same one Dan gave you. I highlighted the wiring between the fuse and the left rear light. The first thing I need you to check is if there is power out of the BCM (right side kick panel where the fuse is) in the gray wire with a brown tracer. If there isn't, unplug the BCM and check right at the pin for power. Also, check for corrosion or damage to the connector.

If there is power out to the aforementioned wire, there is a splice near the battery junction box. That splice may have failed. Locate it and see if there is power to that point. If that is good and power is on both sides of the splice, there is one more splice to check and that is at the rear light connection harness.

Let me know if this helps or if you have other questions. If you are able to follow that schematic, it should help to determine where the power is lost. Also, I believe the parking light relay would affect all the lights and not only the left rear.

Let me know if this helps or if you have other questions.

Take care,

Joe
Was this
answer
helpful?
Yes
No
Sunday, November 14th, 2021 AT 9:33 PM

Please login or register to post a reply.