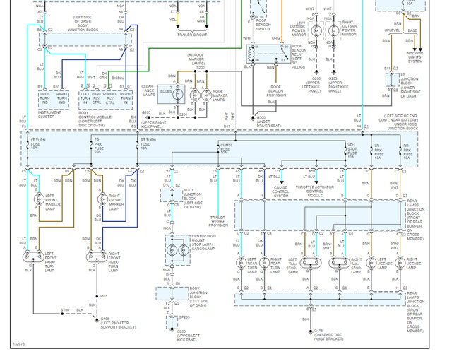
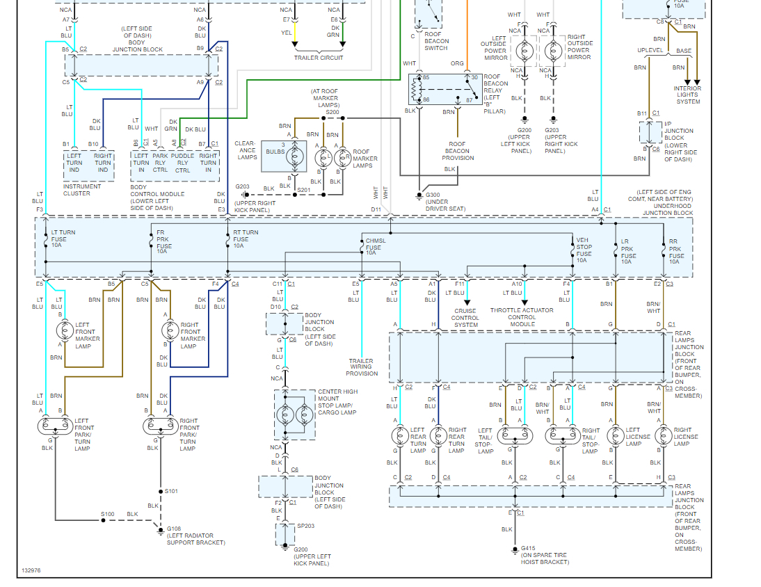
Monday, April 1st, 2019 AT 5:40 PM
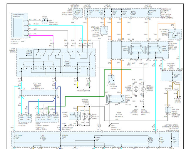
So, I have a situation with my blinkers. Whenever it is dark out, my blinkers and hazards don't work. What might be the issue with this? I have aftermarket LEDs for the bulbs.






