Blind spot warning not working

Tiny
JWELLS0735
  • MEMBER
  • 2012 CHRYSLER 300
  • 5.7L
  • V8
  • 2WD
  • AUTOMATIC
  • 72,000 MILES
A short time ago I got a message that my blind spot warning system was not working and it has not worked since. What could be wrong?
Sunday, September 30th, 2018 AT 9:53 AM

1 Reply

Tiny
STEVE W.
  • MECHANIC
  • 15,603 POSTS
Welcome to 2 CarPros.
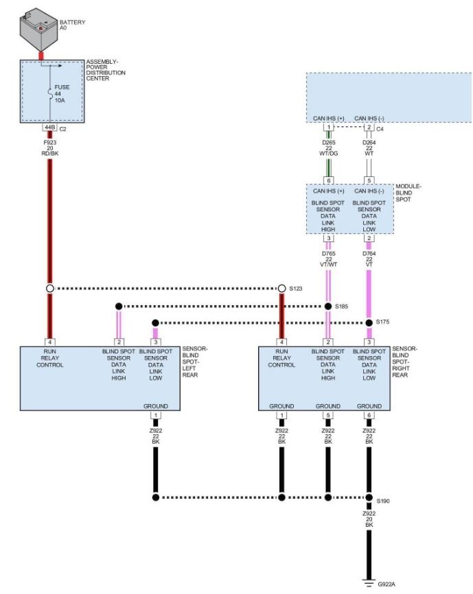
That is a complex system that uses two radar sensors behind the rear bumper to detect any vehicles in those areas. There are a couple items that you can check but most of the system cannot be tested without a factory level scan tool.
For the things you can check - Fuse #44 in the power distribution box under the hood. Then there is a ground wire that is behind the rear bumper assembly. It provides the ground for both sensors and most of the system.
Check that there hasn't been anything placed on the rear bumper that could block a sensor, bumper stickers will block the signals or even a light impact on the bumper cover can knock the sensors out of alignment.

The components in the system are very expensive as well. The sensors are over $800.00 each and the control module is close to $400.00. None of them are repairable.
Was this
answer
helpful?
Yes
No
Sunday, September 30th, 2018 AT 10:15 PM

Please login or register to post a reply.