HOME
ASK A QUESTION
REPAIR GUIDES
BECOME A MEMBER
LOG IN
Login with Facebook
OR
Remember me
NOT A MEMBER?
FORGOT PASSWORD?
CONTACT US
PRIVACY POLICY
TERMS AND CONDITIONS
☰
Home
Lincoln
Town Car
General
Noises
Click
Clicking sound, blowing cold air only
BSBALOH
MEMBER
1995 LINCOLN TOWN CAR
100,000 MILES
What is the trick for clamping off one of the heater hoses to provide warm air only?
Sunday, February 2nd, 2020 AT 2:22 AM
1 Reply
ASEMASTER6371
MECHANIC
52,796 POSTS
Good morning,
If you clamp off one hose, you will have no heat. I do not know who told you that but that is incorrect information.
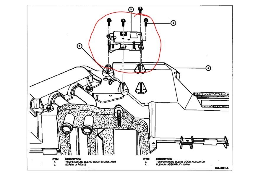
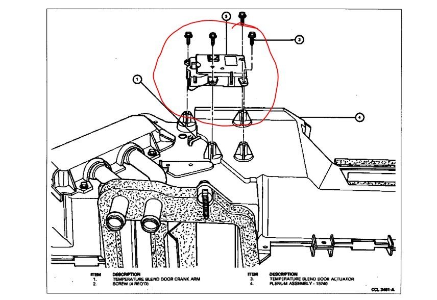
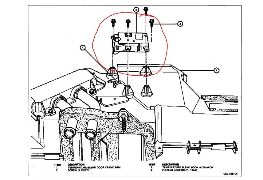
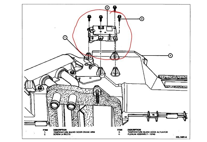
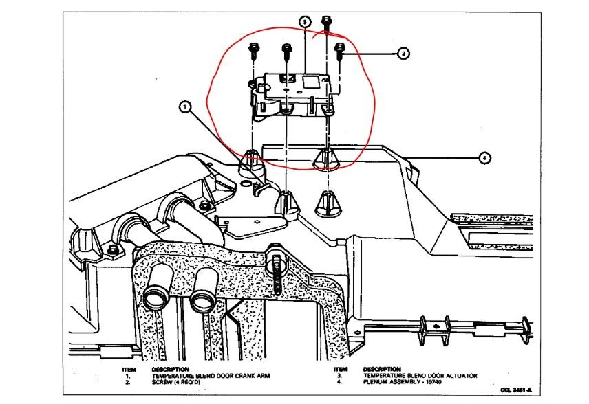
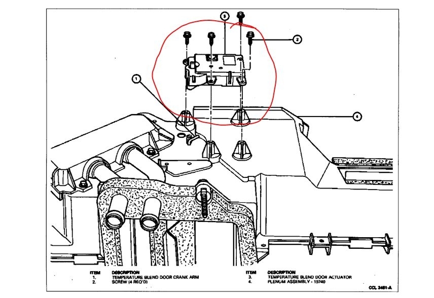
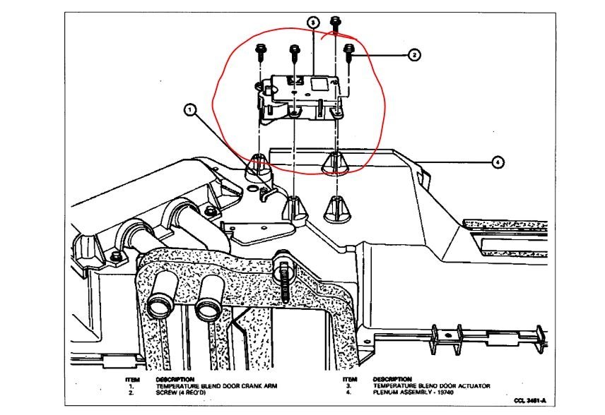
The clicking is from the blend door actuator which moves the mode door from cold to hot mode.
https://www.2carpros.com/articles/replace-blend-door-motor
Roy
Images (Click to make bigger)
Was this
answer
helpful?
Yes
No
Sunday, February 2nd, 2020 AT 3:29 AM
Please
login
or
register
to post a reply.
Related Noise Click Content
Clicking Noise And Heater
I Started Hearing This Clicking Noise In My Dash Board. I Thought It Was A Blower Motor. It Quit Clicking But Now My Heat Won't Hardly Blow...
Asked by
dann02622
·
1 ANSWER
1997
LINCOLN TOWN CAR
1997 Lincoln Town Car Noise
Hi I Have A 97' Lincoln Continental And I Have Recently Started Hearing A Clicking Noise Coming From The Air Vents When My Car Is Running...
Asked by
robertof
·
3 ANSWERS
1997
LINCOLN TOWN CAR
Disable Chime
Electrical Problem I Want To Kill The Chime That Sounds When Key Is In Ignition And Door Is Open. Believe I Must Cut One Of The Wires In...
Asked by
roys101
·
9 ANSWERS
1997
LINCOLN TOWN CAR
1993 Lincoln Town Car Front Wheels Squealing
Aloha. I Have A Problem With Front Wheels Squealing. Recently Changed Front Rotors And Pads, Brand New. Now After Just A Short Period The...
Asked by
aaatowncartaxi
·
3 ANSWERS
1993
LINCOLN TOWN CAR
1994 Lincoln Town Car Ticking And Knocking
Hello I Have A 94 Lincoln Towncar With The 4.6l It Has 265000 Miles My Grandfather Gave It To Me When I Got It It Had A Bad Water Leak I...
Asked by
chris_30240
·
3 ANSWERS
1994
LINCOLN TOWN CAR
VIEW MORE
Ask a Car Question. It's Free!
Howling
Grinding Noises
Oil Change & Filter Replacement Acura