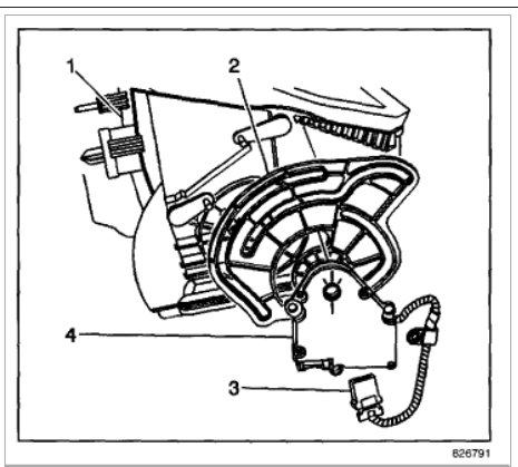
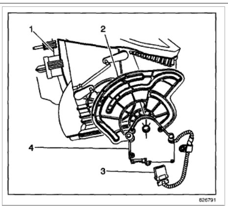
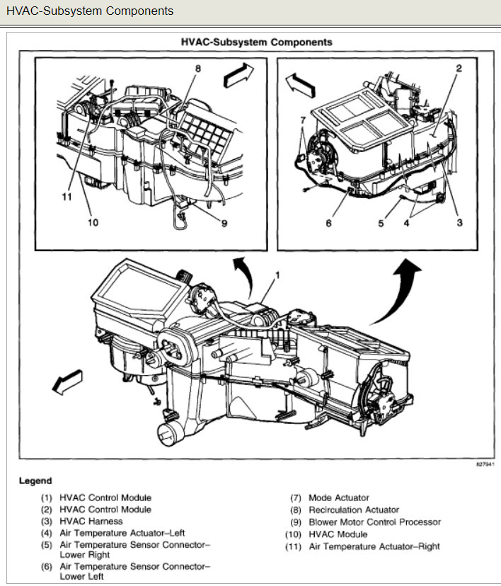
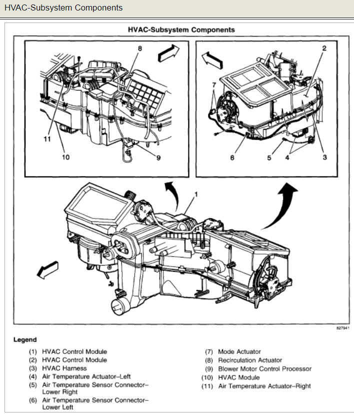
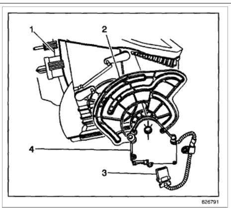
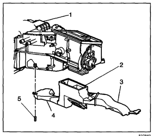
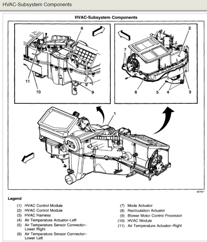
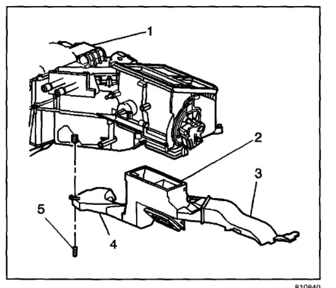
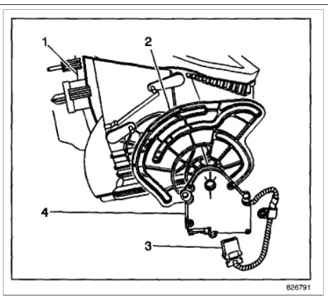
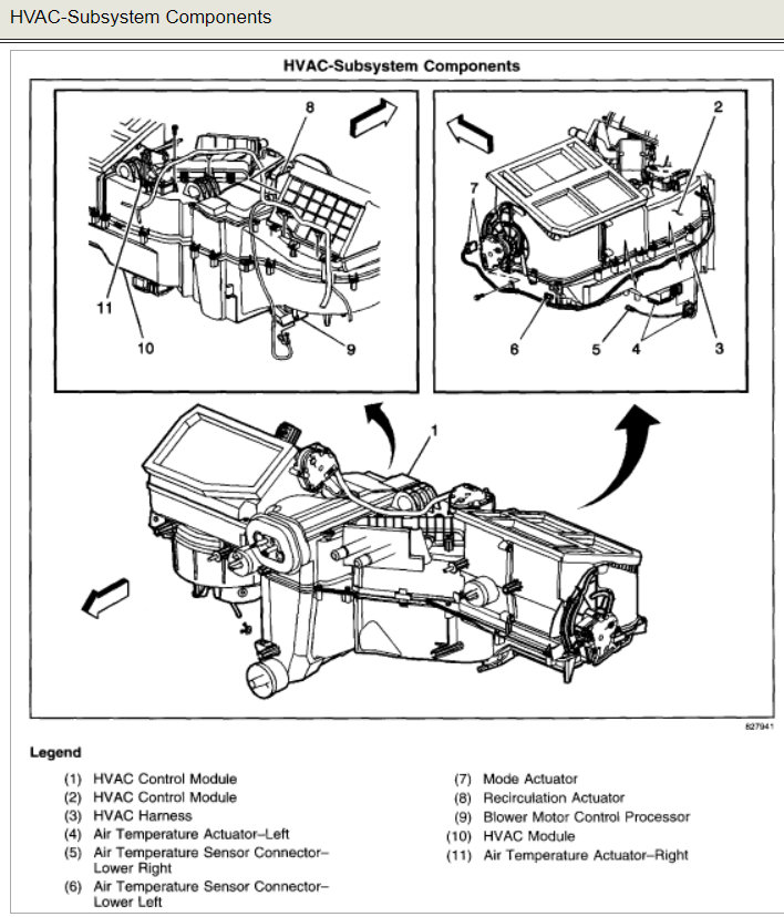
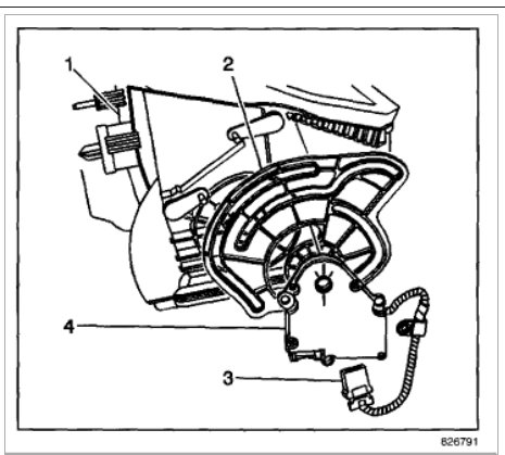
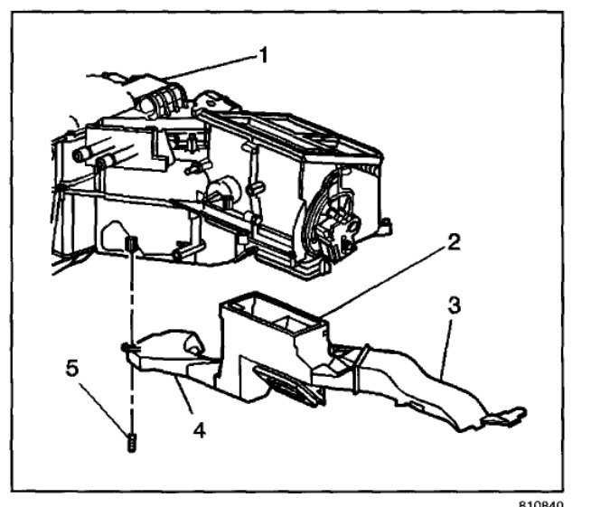
AC and heat blowing only through defroster vents. I have tried all of the reset options and none have worked to solve this problem. Can you please provide some guidance as far as which blend door actuator to replace along with instruction on how and where to gain access with applicable part number? Your assistance is greatly appreciated.
Thanks,
Larry D’Angelo
Thanks,
Larry D’Angelo
Sep 23, 2018 at 10:30 AM





