Thursday, December 13th, 2018 AT 8:37 AM
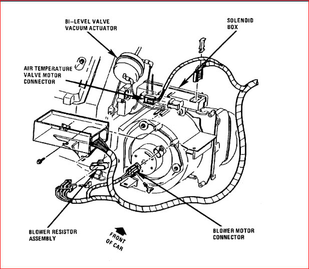
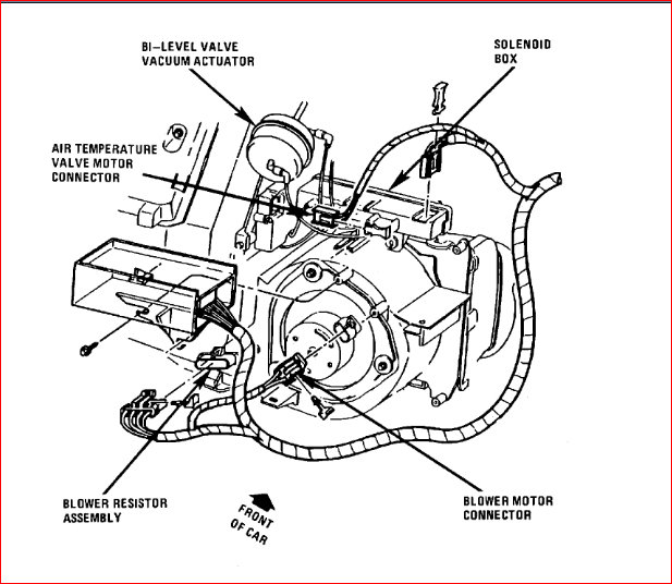
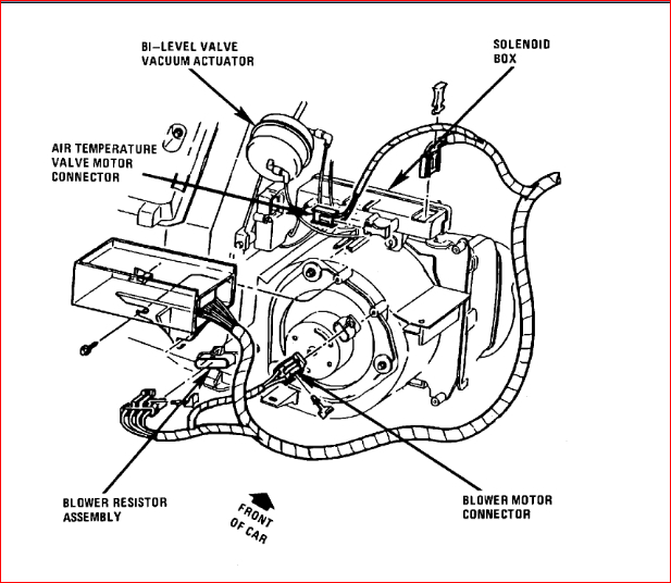
I have replaced the thermostat, the hoses going in and out of heater core are warm, new water pump. No heat. Blower working fine. When sliding the temperature control from cold to hot, I hear no movement (blend door) and I suspect the actuator is faulty. I cannot locate it to replace it! Please help!



