HOME
ASK A QUESTION
REPAIR GUIDES
BECOME A MEMBER
LOG IN
Login with Facebook
OR
Remember me
NOT A MEMBER?
FORGOT PASSWORD?
CONTACT US
PRIVACY POLICY
TERMS AND CONDITIONS
☰
Home
Cadillac
CTS
Climate Control
Blend Door Actuator
Blend door
FSALTER
MEMBER
2010 CADILLAC CTS
3.0L
6 CYL
2WD
AUTOMATIC
180,000 MILES
Cold air on driver side hot air on passenger side with A/C on.
Monday, June 10th, 2019 AT 5:43 AM
12 Replies
FSALTER
MEMBER
8 POSTS
There are three different actuators on passenger side. How do I determine which one is not working? Do I have to remove entire dash to replace it?
Was this
answer
helpful?
Yes
No
Monday, June 10th, 2019 AT 5:46 AM
ASEMASTER6371
MECHANIC
52,796 POSTS
Good morning,
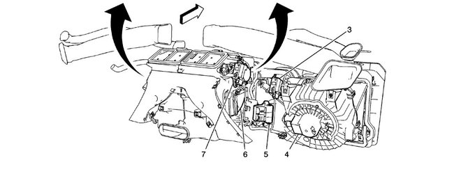
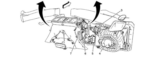
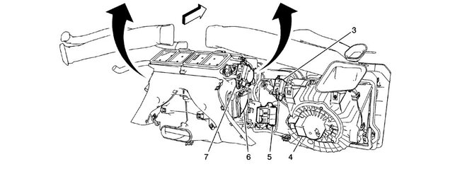
I attached a picture for you to view of the actuator.
https://www.2carpros.com/articles/replace-blend-door-motor
It is number 6 in the drawing.
Roy
Images (Click to make bigger)
Was this
answer
helpful?
Yes
No
Monday, June 10th, 2019 AT 6:14 AM
FSALTER
MEMBER
8 POSTS
That is the one that I replaced already but I still get hot air from passenger side.
Was this
answer
helpful?
Yes
No
Monday, June 10th, 2019 AT 6:17 AM
ASEMASTER6371
MECHANIC
52,796 POSTS
When you command heat and cool, can you feel the motor move?
If you do, then it is not the actuator.
If it does not, remove the actuator and see if it moves off the case.
Roy
Was this
answer
helpful?
Yes
No
Monday, June 10th, 2019 AT 6:22 AM
FSALTER
MEMBER
8 POSTS
It moves when I adjust temperature to 90 but stops when when going back down at about 78 degrees.
Was this
answer
helpful?
Yes
No
Monday, June 10th, 2019 AT 6:49 AM
ASEMASTER6371
MECHANIC
52,796 POSTS
In or out of the case?
Roy
Was this
answer
helpful?
Yes
No
Monday, June 10th, 2019 AT 6:53 AM
FSALTER
MEMBER
8 POSTS
In the case.
Was this
answer
helpful?
Yes
No
Monday, June 10th, 2019 AT 6:55 AM
ASEMASTER6371
MECHANIC
52,796 POSTS
Remove the actuator and see if you can move the arm manually to get cold air.
There may be an obstruction in the case door.
Roy
Was this
answer
helpful?
Yes
No
Monday, June 10th, 2019 AT 7:02 AM
FSALTER
MEMBER
8 POSTS
Okay, I will try that. But could it also be #7 in picture?
Was this
answer
helpful?
Yes
No
Monday, June 10th, 2019 AT 7:28 AM
ASEMASTER6371
MECHANIC
52,796 POSTS
If you said it moved with a command from heat to cool and back, good chance you have the correct actuator.
Check the others as well for movement.
Roy
Was this
answer
helpful?
Yes
No
Monday, June 10th, 2019 AT 7:30 AM
FSALTER
MEMBER
8 POSTS
Okay, thanks.
Was this
answer
helpful?
Yes
No
Monday, June 10th, 2019 AT 7:31 AM
ASEMASTER6371
MECHANIC
52,796 POSTS
You are welcome.
Always glad to help.
Keep us updated.
Roy
Was this
answer
helpful?
Yes
No
Monday, June 10th, 2019 AT 7:33 AM
Please
login
or
register
to post a reply.
Related Blend Door Actuator Content
Engine Light On And No Heat On Driver's Side.
Hello, The Engine Light Is On, I Have No Heat On The Driver's Side And The Car Is Vibrating. I Had It Looked At By Three Different...
Asked by
Nore
·
30 ANSWERS
2 IMAGES
2003
CADILLAC CTS
VIDEO
Blend Door Actuator Replacement
Instructional repair video
Heater Does Not Blow Warm Air On Drivers Side
The Warm Air Only Comes Out On The Passenger Side And It Seems Like The Fan Is Working On Both Sides Yet The Door Is Stuck And Only Lets The...
Asked by
Cfigueroa22
·
1 ANSWER
2003
CADILLAC CTS
Heating In The Car And Defroster
When Trying To Get Heat A Little Heat Comes Out And Sometimes Fades Mostly Blows Tepid Air Checked With A Mechanic And As Long As The Temp...
Asked by
broncos2932
·
2 ANSWERS
2 IMAGES
2005
CADILLAC CTS
Air Conditioner
Water Filling Under Dashboard Passenger Side.
Asked by
Reggie!
·
6 ANSWERS
2007
CADILLAC CTS
2003 Cadillac Cts Blowing Cold Air On One Side
When I Turn My Heater On, Why Would It Blow Hot Air On The Passenger Side And Cold Air On The Driver Side?
Asked by
bigctb
·
2 ANSWERS
2003
CADILLAC CTS
VIEW MORE
Ask a Car Question. It's Free!
How to Replace Damper Door Switch
Blend Door Actuator Replacement
Blend Door Actuator Replacement