Blazer will crank but will not start.

Tiny
AMARC621
  • MEMBER
  • 1991 CHEVROLET BLAZER
  • 4.3L
  • V6
  • 4WD
  • AUTOMATIC
  • 126,000 MILES
I bought a 1991 blazer 4.3 litre 4x4. It will crank but will not start. I changed the fuel pump the relay and the fuse along with a new ecc. The guy I bought it from said he changed the control module. The fuel pump doesn't seem to be coming on but if I put gas in the throttle body it will start and run for a second. I don't know what else to try
Tuesday, April 4th, 2017 AT 4:29 PM

1 Reply

Tiny
STEVE W.
  • MECHANIC
  • 15,697 POSTS
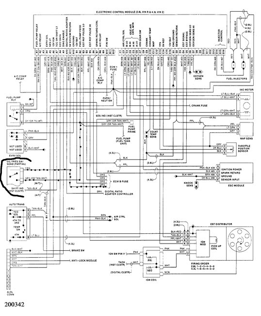
91 will have a steel tank. It's common for the ground for the pump to rust and fail. Go to the pump relay. Look for a Gray or Tan/white wire on the relay. That is the pump power feed. Follow that wire in the harness and you will find another one with a connector on the end. (Usually taped to the harness along the firewall). Use a jumper wire to connect that wire to battery positive. That bypasses the relay and ECM and runs power straight to the pump. Now see if the pump is running. If it isn't you will need to drop the tank to get to the ground connection and make sure you are getting power and ground at the pump.
If the pump now works and the engine runs you need to determine if the problem is in the pump relay socket (known failure item) or maybe a bad wire to the relay.

The wiring diagram shows the relay.
Black/white is the ground
Orange is battery power through the ECM-B fuse (Hot all the time)
Dark Green/white is the control signal from the ECM (Hot for a few seconds during prime)
Gray or Tan/white is battery feed to the pump.

Now one item on these that a lot of people miss is that the oil pressure switch is the actual power feed to the pump. If you look at the diagram I added dots to the oil pressure switch circuit. It gets power from the same ECM-B fuse as the relay, and sends power to the pump down the same Gray Tan/white wire.

The way it works is: You turn the key on, The ECM sends the pump prime signal to activate the relay and turn on the pump for 2-3 seconds to fill the system with pressurized fuel. You keep turning the key to start and the engine should fire and run for a few seconds on the fuel in the system. The oil pressure closes the switch and the oil light goes out on the dash and the contacts close to power the pump. You release the key from start and the engine keeps running.

In your case I think the issue is at the pump end. That is because you don't hear the pump, and if it was just the relay, cranking the engine over until the oil light goes out would trigger the oil pressure switch to power the pump.
Was this
answer
helpful?
Yes
No
Friday, January 29th, 2021 AT 2:05 PM

Please login or register to post a reply.